Ihre Services im Dashboard..
Registriert nutzen Sie das komplette Angebot.

Erdungsfestpunkte mit flexibler Anschlussklemme

Für den Betoneinbau als flexibler korrosionsfreier Anschluss an die Erdungsanlage für den Schutzpotentialausgleich und / oder den Funktionspotentialausgleich der Ableitung z. B. an die Bewehrung von Gebäuden.
Flexible Anschlussleitungen bis 1000 mm Länge ermöglichen eine maximale Flexibilität zwischen dem äußeren Anschlusspunkt und der inneren Verbindung.
Die universelle Verbindungsklemme ermöglicht den Anschluss von Bewehrungseisen und Rundmaterial von 8-28 mm sowie von Flachmaterial 30x3,5 mm oder höherer Dicke.
Bei dem Doppelgewinde M10 und M12 folgende Mindestlängen der Schrauben beachten:
35 mm bei M10 (Gewindelänge 40 mm)
15 mm bei M12 (Gewindelänge 20 mm)

2 Produkte

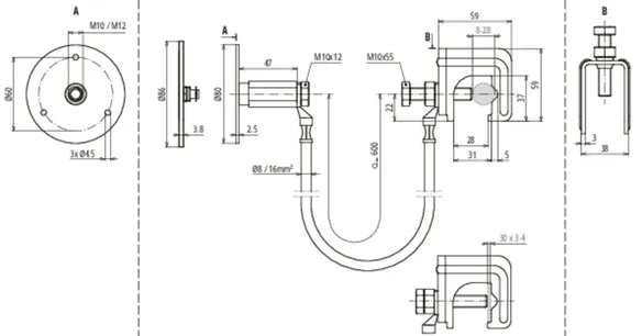
Art.-Nr. 416940 UES 16 L600 VK RD8 28 FL30 EFP

GTIN 4013364360280, Zolltarifnr. (EU): 85359000, Bruttogewicht: 530.00 g, VPE: 25.00 Stk.


Abbildungen

Weitere Information

Anschlussgarnitur bestehend aus
Verbindungsleitung mit angeschlossener
Verbindungsklemme und Erdungsfestpunkt
zur sicheren elektrischen Verbindung
des Erdungsfestpunktes mit
der Bewehrung/Bewehrungseisen
Über die Anschlussgarnitur erfolgt
eine sichere elektrische Verbindung
von einem definierten Bewehrungseisen
(Längseisen) welches als Ableitung
genutzt wird an Fangeinrichtungen,
Fassadenelementen, Kranschienen,
Kabeltragsystemen, die Erdungsanlage,
Funktionspotentialausgleich, etc.
Werkstoff Verbindungsklemme: St/blank
Klemmbereich Rd Verbindungsklemme: 8-28 mm
Klemmbereich Fl Verbindungsklemme: 30 x 3-4 mm
Werkstoff Erdungsfestpunkt: NIRO (V4A)
Anschlussgewinde Erdungsfestpunkt: M10 / M12
Werkstoff Überbrückungsseil: Flexible Kupferleitung, frostbeständig
Leitungslänge Überbrückungsseil: 600 mm
Leitungsquerschnitt Überbrückungsseil: 16 mm2
Normenbezug: DIN EN 62561-1

Fabrikat: DEHN
Typ: UES 16 L600 VK RD8 28 FL30 EFP
Art.-Nr.: 416940
oder gleichwertig.

Zertifikate

 

Technische Daten

Werkstoff Verbindungsklemme St/blank
Klemmbereich Rd Verbindungsklemme 8-28 mm
Klemmbereich Fl Verbindungsklemme 30 x 3-4 mm
Werkstoff Erdungsfestpunkt NIRO (V4A)
Anschlussgewinde Erdungsfestpunkt M10 / M12
Werkstoff Überbrückungsseil Flexible Kupferleitung, frostbeständig
Leitungslänge Überbrückungsseil 600 mm
Leitungsquerschnitt Überbrückungsseil 16 mm2
Normenbezug DIN EN 62561-1

Artikel 416940 wurde zum Merkzettel hinzugefügt.

Zum Merkzettel

Artikel 416940 wurde zum Warenkorb hinzugefügt.

Zum Warenkorb

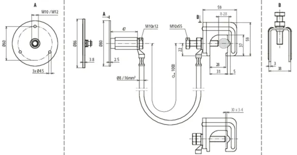
Art.-Nr. 416950 UES 16 L1000 VK RD8 28 FL30 EFP

GTIN 4013364508620, Zolltarifnr. (EU): 85359000, Bruttogewicht: 650.00 g, VPE: 25.00 Stk.


Abbildungen

Weitere Information

Anschlussgarnitur bestehend aus
Verbindungsleitung mit angeschlossener
Verbindungsklemme und Erdungsfestpunkt
zur sicheren elektrischen Verbindung
des Erdungsfestpunktes mit
der Bewehrung/Bewehrungseisen
Über die Anschlussgarnitur erfolgt
eine sichere elektrische Verbindung
von einem definierten Bewehrungseisen
(Längseisen) welches als Ableitung
genutzt wird an Fangeinrichtungen,
Fassadenelementen, Kranschienen,
Kabeltragsystemen, die Erdungsanlage,
Funktionspotentialausgleich, etc.
Werkstoff Verbindungsklemme: St/blank
Klemmbereich Rd Verbindungsklemme: 8-28 mm
Klemmbereich Fl Verbindungsklemme: 30 x 3-4 mm
Werkstoff Erdungsfestpunkt: NIRO (V4A)
Anschlussgewinde Erdungsfestpunkt: M10 / M12
Werkstoff Überbrückungsseil: Flexible Kupferleitung, frostbeständig
Leitungslänge Überbrückungsseil: 1000 mm
Leitungsquerschnitt Überbrückungsseil: 16 mm2
Normenbezug: DIN EN 62561-1

Fabrikat: DEHN
Typ: UES 16 L1000 VK RD8 28 FL30 EFP
Art.-Nr.: 416950
oder gleichwertig.

Zertifikate

 

Technische Daten

Werkstoff Verbindungsklemme St/blank
Klemmbereich Rd Verbindungsklemme 8-28 mm
Klemmbereich Fl Verbindungsklemme 30 x 3-4 mm
Werkstoff Erdungsfestpunkt NIRO (V4A)
Anschlussgewinde Erdungsfestpunkt M10 / M12
Werkstoff Überbrückungsseil Flexible Kupferleitung, frostbeständig
Leitungslänge Überbrückungsseil 1000 mm
Leitungsquerschnitt Überbrückungsseil 16 mm2
Normenbezug DIN EN 62561-1

Artikel 416950 wurde zum Merkzettel hinzugefügt.

Zum Merkzettel

Artikel 416950 wurde zum Warenkorb hinzugefügt.

Zum Warenkorb

nach oben