Ihre Services im Dashboard..
Registriert nutzen Sie das komplette Angebot.

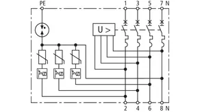
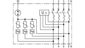
SPD+POP+MCB / POP+MCB / POP

  • Umfassender Schutz gegen transiente und netzfrequente Überspannungen (SPD+POP)
  • Erfüllt die Forderungen aus der EN 50550 "Schutzeinrichtungen gegen netzfrequente Überspannungen"
  • Anschlussfertige Kompletteinheit, keine zusätzliche Verdrahtung der Einzelgeräte notwendig
  • Leichte Installation und Nachrüstung durch geringen Platzbedarf
  • Hohe Gerätesicherheit durch Ableiterüberwachung "Thermo-Dynamik-Control" im SPD
  • Anwendungsoptimiertes Ableitvermögen von 5 kA (In) / 15 kA (Imax) (8/20 µs) pro Pol
  • Energetische Koordination innerhalb der Red/Line-Produktfamilie
  • Funktions- / Defektanzeige durch grün-rote Markierung im Sichtfenster des SPD

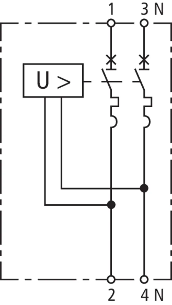
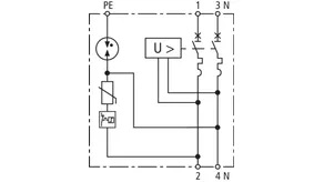
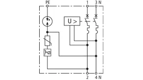
Zweipolig SPD+POP+MCB

3 Produkte

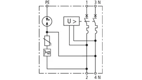
Art.-Nr. 900780 SPD+POP 2 255 C25

GTIN 4013364156203, Zolltarifnr. (EU): 85363030, Bruttogewicht: 404.00 g, VPE: 1.00 Stk.


Abbildungen

Weitere Information

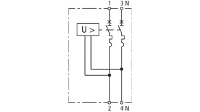
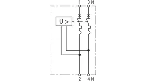
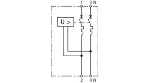
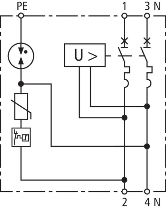
Überspannungs-Ableiter SPD+POP 2 255 C25
Kompakter Überspannungs-Ableiter für transiente und
netzfrequente Überspannungen mit integriertem
Leitungsschutzschalter
Ableiter Typ 2 nach EN 61643-11, POP nach EN 50550
Umfassender Schutz gegen transiente und netzfrequente
Überspannungen
Anschlussfertige Kompletteinheit, keine zusätzliche
Verdrahtung der Einzelgeräte notwendig
Polzahl 1P + N
Auslösecharakteristik MCB / Nennstrom MCB C 25 A
Höchste Dauerspannung: 275 V ac
Schutzpegel: <= 1,5 kV
Nennableitstoßstrom: 5 kA / 20 kA
Energetische Koordination nach
DIN EN 62305-4 (VDE 0185-305-4) mit Typ 1-
und Typ 3-Ableiter der Red/Line-Familie
Überwachung SPD: Thermo-Dynamik-Control
Funktions- und Defektanzeige
Reiheneinbaugerät nach DIN 43880, 4TE

Fabrikat: DEHN
Typ: SPD+POP 2 255 C25
Art.-Nr.: 900780
oder gleichwertig.

Zertifikate

 

Technische Daten

Allgemein
Polzahl 1P + N
Nennspannung AC (UN ) 230 V
SPD
Nennableitstoßstrom (8/20) [L-N] (In ) 5 kA
POP
Maximale Nichtauslösespannung AC 255 V
Maximale Auslösespannung AC 415 V
MCB
Auslösecharakteristik C
Nennstrom AC (IL ) 25 A

Artikel 900780 wurde zum Merkzettel hinzugefügt.

Zum Merkzettel

Artikel 900780 wurde zum Warenkorb hinzugefügt.

Zum Warenkorb

Art.-Nr. 900781 SPD+POP 2 255 C32

GTIN 4013364156210, Zolltarifnr. (EU): 85363030, Bruttogewicht: 425.00 g, VPE: 1.00 Stk.


Abbildungen

Weitere Information

Überspannungs-Ableiter SPD+POP 2 255 C32
Kompakter Überspannungs-Ableiter für transiente und
netzfrequente Überspannungen mit integriertem Leitungsschutzschalter
Ableiter Typ 2 nach EN 61643-11, POP nach EN 50550
Umfassender Schutz gegen transiente und netzfrequente
Überspannungen
Anschlussfertige Kompletteinheit, keine zusätzliche
Verdrahtung der Einzelgeräte notwendig
Polzahl 1P + N
Auslösecharakteristik MCB / Nennstrom MCB C 32 A
Höchste Dauerspannung: 275 V ac
Schutzpegel: <= 1,5 kV
Nennableitstoßstrom: 5 kA / 20 kA
Energetische Koordination nach
DIN EN 62305-4 (VDE 0185-305-4) mit Typ 1-
und Typ 3-Ableiter der Red/Line-Familie
Überwachung SPD: Thermo-Dynamik-Control
Funktions- und Defektanzeige
Reiheneinbaugerät nach DIN 43880, 4TE

Fabrikat: DEHN
Typ: SPD+POP 2 255 C32
Art.-Nr.: 900781
oder gleichwertig.

Zertifikate

 

Technische Daten

Allgemein
Polzahl 1P + N
Nennspannung AC (UN ) 230 V
SPD
Nennableitstoßstrom (8/20) [L-N] (In ) 5 kA
POP
Maximale Nichtauslösespannung AC 255 V
Maximale Auslösespannung AC 415 V
MCB
Auslösecharakteristik C
Nennstrom AC (IL ) 32 A

Artikel 900781 wurde zum Merkzettel hinzugefügt.

Zum Merkzettel

Artikel 900781 wurde zum Warenkorb hinzugefügt.

Zum Warenkorb

Art.-Nr. 900782 SPD+POP 2 255 C40

GTIN 4013364156227, Zolltarifnr. (EU): 85363030, Bruttogewicht: 424.00 g, VPE: 1.00 Stk.


Abbildungen

Weitere Information

Überspannungs-Ableiter SPD+POP 2 255 C40
Kompakter Überspannungs-Ableiter für transiente und
netzfrequente Überspannungen mit integriertem
Leitungsschutzschalter
Ableiter Typ 2 nach EN 61643-11, POP nach EN 50550
Umfassender Schutz gegen transiente und netzfrequente
Überspannungen
Anschlussfertige Kompletteinheit, keine zusätzliche
Verdrahtung der Einzelgeräte notwendig
Polzahl 1P + N
Auslösecharakteristik MCB / Nennstrom MCB C 40 A
Höchste Dauerspannung: 275 V ac
Schutzpegel: <= 1,5 kV
Nennableitstoßstrom: 5 kA / 20 kA
Energetische Koordination nach
DIN EN 62305-4 (VDE 0185-305-4) mit Typ 1-
und Typ 3-Ableiter der Red/Line-Familie
Überwachung SPD: Thermo-Dynamik-Control
Funktions- und Defektanzeige
Reiheneinbaugerät nach DIN 43880, 4TE

Fabrikat: DEHN
Typ: SPD+POP 2 255 C40
Art.-Nr.: 900782
oder gleichwertig.

Zertifikate

 

Technische Daten

Allgemein
Polzahl 1P + N
Nennspannung AC (UN ) 230 V
SPD
Nennableitstoßstrom (8/20) [L-N] (In ) 5 kA
POP
Maximale Nichtauslösespannung AC 255 V
Maximale Auslösespannung AC 415 V
MCB
Auslösecharakteristik C
Nennstrom AC (IL ) 40 A

Artikel 900782 wurde zum Merkzettel hinzugefügt.

Zum Merkzettel

Artikel 900782 wurde zum Warenkorb hinzugefügt.

Zum Warenkorb

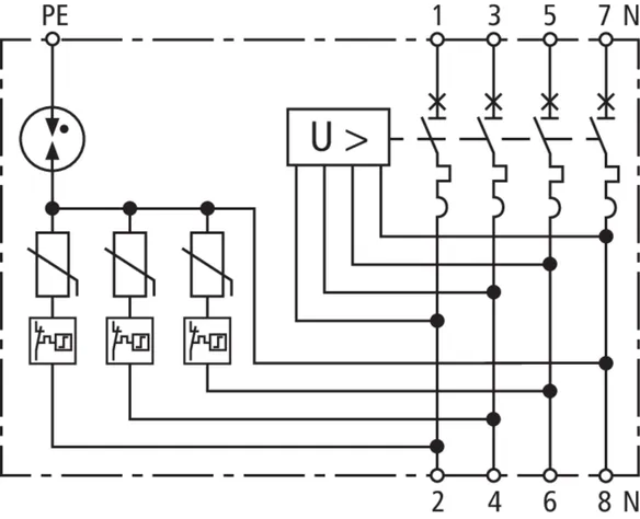
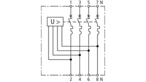
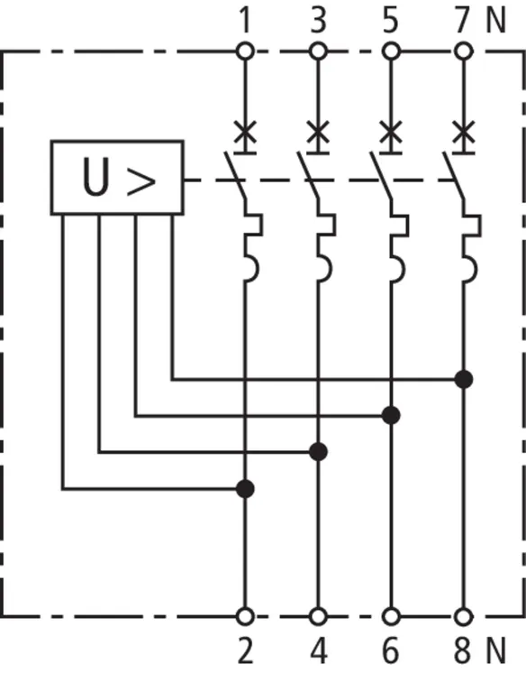
Vierpolig SPD+POP+MCB

4 Produkte

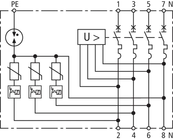
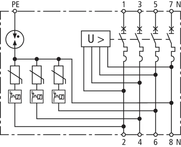
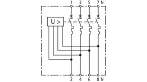
Art.-Nr. 900785 SPD+POP 4 255 C25

GTIN 4013364156234, Zolltarifnr. (EU): 85363030, Bruttogewicht: 730.00 g, VPE: 1.00 Stk.


Abbildungen

Weitere Information

Überspannungs-Ableiter SPD+POP 4 255 C25
Kompakter Überspannungs-Ableiter für transiente und
netzfrequente Überspannungen mit integriertem
Leitungsschutzschalter
Ableiter Typ 2 nach EN 61643-11, POP nach EN 50550
Umfassender Schutz gegen transiente und netzfrequente
Überspannungen
Anschlussfertige Kompletteinheit, keine zusätzliche
Verdrahtung der Einzelgeräte notwendig
Polzahl 3P + N
Auslösecharakteristik MCB / Nennstrom MCB C 25 A
Höchste Dauerspannung: 275 V ac
Schutzpegel: <= 1,5 kV
Nennableitstoßstrom: 5 kA / 20 kA
Energetische Koordination nach
DIN EN 62305-4 (VDE 0185-305-4) mit Typ 1-
und Typ 3-Ableiter der Red/Line-Familie
Überwachung SPD: Thermo-Dynamik-Control
Funktions- und Defektanzeige
Reiheneinbaugerät nach DIN 43880, 7TE

Fabrikat: DEHN
Typ: SPD+POP 4 255 C25
Art.-Nr.: 900785
oder gleichwertig.

Zertifikate

 

Technische Daten

Allgemein
Polzahl 3P + N
Nennspannung AC (UN ) 230 / 400 V
SPD
Nennableitstoßstrom (8/20) [L-N] (In ) 5 kA
POP
Maximale Nichtauslösespannung AC 255 V
Maximale Auslösespannung AC 415 V
MCB
Auslösecharakteristik C
Nennstrom AC (IL ) 25 A

Artikel 900785 wurde zum Merkzettel hinzugefügt.

Zum Merkzettel

Artikel 900785 wurde zum Warenkorb hinzugefügt.

Zum Warenkorb

Art.-Nr. 900786 SPD+POP 4 255 C32

GTIN 4013364156241, Zolltarifnr. (EU): 85363030, Bruttogewicht: 763.00 g, VPE: 1.00 Stk.


Abbildungen

Weitere Information

Überspannungs-Ableiter SPD+POP 4 255 C32
Kompakter Überspannungs-Ableiter für transiente und
netzfrequente Überspannungen mit integriertem
Leitungsschutzschalter
Ableiter Typ 2 nach EN 61643-11, POP nach EN 50550
Umfassender Schutz gegen transiente und netzfrequente
Überspannungen
Anschlussfertige Kompletteinheit, keine zusätzliche
Verdrahtung der Einzelgeräte notwendig
Polzahl 3P + N
Auslösecharakteristik MCB / Nennstrom MCB C 32 A
Höchste Dauerspannung: 275 V ac
Schutzpegel: <= 1,5 kV
Nennableitstoßstrom: 5 kA / 20 kA
Energetische Koordination nach
DIN EN 62305-4 (VDE 0185-305-4) mit Typ 1-
und Typ 3-Ableiter der Red/Line-Familie
Überwachung SPD: Thermo-Dynamik-Control
Funktions- und Defektanzeige
Reiheneinbaugerät nach DIN 43880, 7TE

Fabrikat: DEHN
Typ: SPD+POP 4 255 C32
Art.-Nr.: 900786
oder gleichwertig.

Zertifikate

 

Technische Daten

Allgemein
Polzahl 3P + N
Nennspannung AC (UN ) 230 / 400 V
SPD
Nennableitstoßstrom (8/20) [L-N] (In ) 5 kA
POP
Maximale Nichtauslösespannung AC 255 V
Maximale Auslösespannung AC 415 V
MCB
Auslösecharakteristik C
Nennstrom AC (IL ) 32 A

Artikel 900786 wurde zum Merkzettel hinzugefügt.

Zum Merkzettel

Artikel 900786 wurde zum Warenkorb hinzugefügt.

Zum Warenkorb

Art.-Nr. 900787 SPD+POP 4 255 C40

GTIN 4013364156258, Zolltarifnr. (EU): 85363030, Bruttogewicht: 769.00 g, VPE: 1.00 Stk.


Abbildungen

Weitere Information

Überspannungs-Ableiter SPD+POP 4 255 C40
Kompakter Überspannungs-Ableiter für transiente und
netzfrequente Überspannungen mit integriertem
Leitungsschutzschalter
Ableiter Typ 2 nach EN 61643-11, POP nach EN 50550
Umfassender Schutz gegen transiente und netzfrequente
Überspannungen
Anschlussfertige Kompletteinheit, keine zusätzliche
Verdrahtung der Einzelgeräte notwendig
Polzahl 3P + N
Auslösecharakteristik MCB / Nennstrom MCB C 40 A
Höchste Dauerspannung: 275 V ac
Schutzpegel: <= 1,5 kV
Nennableitstoßstrom: 5 kA / 20 kA
Energetische Koordination nach
DIN EN 62305-4 (VDE 0185-305-4) mit Typ 1-
und Typ 3-Ableiter der Red/Line-Familie
Überwachung SPD: Thermo-Dynamik-Control
Funktions- und Defektanzeige
Reiheneinbaugerät nach DIN 43880, 7TE

Fabrikat: DEHN
Typ: SPD+POP 4 255 C40
Art.-Nr.: 900787
oder gleichwertig.

Zertifikate

 

Technische Daten

Allgemein
Polzahl 3P + N
Nennspannung AC (UN ) 230 / 400 V
SPD
Nennableitstoßstrom (8/20) [L-N] (In ) 5 kA
POP
Maximale Nichtauslösespannung AC 255 V
Maximale Auslösespannung AC 415 V
MCB
Auslösecharakteristik C
Nennstrom AC (IL ) 40 A

Artikel 900787 wurde zum Merkzettel hinzugefügt.

Zum Merkzettel

Artikel 900787 wurde zum Warenkorb hinzugefügt.

Zum Warenkorb

Art.-Nr. 900788 SPD+POP 4 255 C63

GTIN 4013364156265, Zolltarifnr. (EU): 85363030, Bruttogewicht: 773.00 g, VPE: 1.00 Stk.


Abbildungen

Weitere Information

Überspannungs-Ableiter SPD+POP 4 255 C63
Kompakter Überspannungs-Ableiter für transiente und
netzfrequente Überspannungen mit integriertem
Leitungsschutzschalter
Ableiter Typ 2 nach EN 61643-11, POP nach EN 50550
Umfassender Schutz gegen transiente und netzfrequente
Überspannungen
Anschlussfertige Kompletteinheit, keine zusätzliche
Verdrahtung der Einzelgeräte notwendig
Polzahl 3P + N
Auslösecharakteristik MCB / Nennstrom MCB C 63 A
Höchste Dauerspannung: 275 V ac
Schutzpegel: <= 1,5 kV
Nennableitstoßstrom: 5 kA / 20 kA
Energetische Koordination nach
DIN EN 62305-4 (VDE 0185-305-4) mit Typ 1-
und Typ 3-Ableiter der Red/Line-Familie
Überwachung SPD: Thermo-Dynamik-Control
Funktions- und Defektanzeige
Reiheneinbaugerät nach DIN 43880, 7TE

Fabrikat: DEHN
Typ: SPD+POP 4 255 C63
Art.-Nr.: 900788
oder gleichwertig.

Zertifikate

 

Technische Daten

Allgemein
Polzahl 3P + N
Nennspannung AC (UN ) 230 / 400 V
SPD
Nennableitstoßstrom (8/20) [L-N] (In ) 5 kA
POP
Maximale Nichtauslösespannung AC 255 V
Maximale Auslösespannung AC 415 V
MCB
Auslösecharakteristik C
Nennstrom AC (IL ) 63 A

Artikel 900788 wurde zum Merkzettel hinzugefügt.

Zum Merkzettel

Artikel 900788 wurde zum Warenkorb hinzugefügt.

Zum Warenkorb

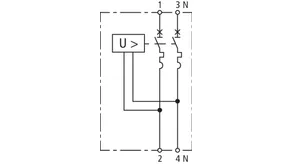
Zweipolig POP+MCB

3 Produkte

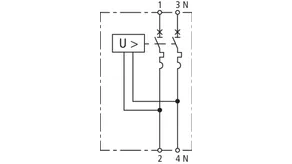
Art.-Nr. 900760 POP 2 255 C25

GTIN 4013364156135, Zolltarifnr. (EU): 85363030, Bruttogewicht: 297.00 g, VPE: 1.00 Stk.


Abbildungen

Weitere Information

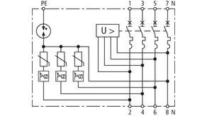
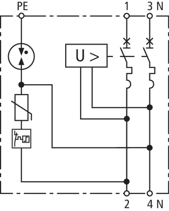
Schutzeinrichtung POP 2 255 C25
Schutzeinrichtung für netzfrequente Überspannungen mit
integriertem Leitungsschutzschalter
POP nach EN 50550
Anschlussfertige Kompletteinheit, keine zusätzliche
Verdrahtung der Einzelgeräte notwendig
Polzahl 1P + N
Auslösecharakteristik MCB / Nennstrom MCB C 25 A
Bemessungsausschaltvermögen nach EN 60898 6 kA
Reiheneinbaugerät nach DIN 43880, 3TE

Fabrikat: DEHN
Typ: POP 2 255 C25
Art.-Nr.: 900760
oder gleichwertig.

Zertifikate

 

Technische Daten

Allgemein
Polzahl 1P + N
Nennspannung AC (UN ) 230 V
POP
Maximale Nichtauslösespannung AC 255 V
Maximale Auslösespannung AC 415 V
MCB
Auslösecharakteristik C
Nennstrom AC (IL ) 25 A

Artikel 900760 wurde zum Merkzettel hinzugefügt.

Zum Merkzettel

Artikel 900760 wurde zum Warenkorb hinzugefügt.

Zum Warenkorb

Art.-Nr. 900761 POP 2 255 C32

GTIN 4013364156142, Zolltarifnr. (EU): 85363030, Bruttogewicht: 317.00 g, VPE: 1.00 Stk.


Abbildungen

Weitere Information

Schutzeinrichtung POP 2 255 C32
Schutzeinrichtung für netzfrequente Überspannungen
mit integriertem Leitungsschutzschalter
POP nach EN 50550
Anschlussfertige Kompletteinheit, keine zusätzliche
Verdrahtung der Einzelgeräte notwendig
Polzahl 1P + N
Auslösecharakteristik MCB / Nennstrom MCB C 32 A
Bemessungsausschaltvermögen nach EN 60898 6 kA
Reiheneinbaugerät nach DIN 43880, 3TE

Fabrikat: DEHN
Typ: POP 2 255 C32
Art.-Nr.: 900761
oder gleichwertig.

Zertifikate

 

Technische Daten

Allgemein
Polzahl 1P + N
Nennspannung AC (UN ) 230 V
POP
Maximale Nichtauslösespannung AC 255 V
Maximale Auslösespannung AC 415 V
MCB
Auslösecharakteristik C
Nennstrom AC (IL ) 32 A

Artikel 900761 wurde zum Merkzettel hinzugefügt.

Zum Merkzettel

Artikel 900761 wurde zum Warenkorb hinzugefügt.

Zum Warenkorb

Art.-Nr. 900762 POP 2 255 C40

GTIN 4013364156159, Zolltarifnr. (EU): 85363030, Bruttogewicht: 317.00 g, VPE: 1.00 Stk.


Abbildungen

Weitere Information

Schutzeinrichtung POP 2 255 C40
Schutzeinrichtung für netzfrequente Überspannungen
mit integriertem Leitungsschutzschalter
POP nach EN 50550
Anschlussfertige Kompletteinheit, keine zusätzliche
Verdrahtung der Einzelgeräte notwendig
Polzahl 1P + N
Auslösecharakteristik MCB / Nennstrom MCB C 40 A
Bemessungsausschaltvermögen nach EN 60898 6 kA
Reiheneinbaugerät nach DIN 43880, 3TE

Fabrikat: DEHN
Typ: POP 2 255 C40
Art.-Nr.: 900762
oder gleichwertig.

Zertifikate

 

Technische Daten

Allgemein
Polzahl 1P + N
Nennspannung AC (UN ) 230 V
POP
Maximale Nichtauslösespannung AC 255 V
Maximale Auslösespannung AC 415 V
MCB
Auslösecharakteristik C
Nennstrom AC (IL ) 40 A

Artikel 900762 wurde zum Merkzettel hinzugefügt.

Zum Merkzettel

Artikel 900762 wurde zum Warenkorb hinzugefügt.

Zum Warenkorb

Vierpolig POP+MCB

4 Produkte

Art.-Nr. 900765 POP 4 255 C25

GTIN 4013364156166, Zolltarifnr. (EU): 85363030, Bruttogewicht: 547.00 g, VPE: 1.00 Stk.


Abbildungen

Weitere Information

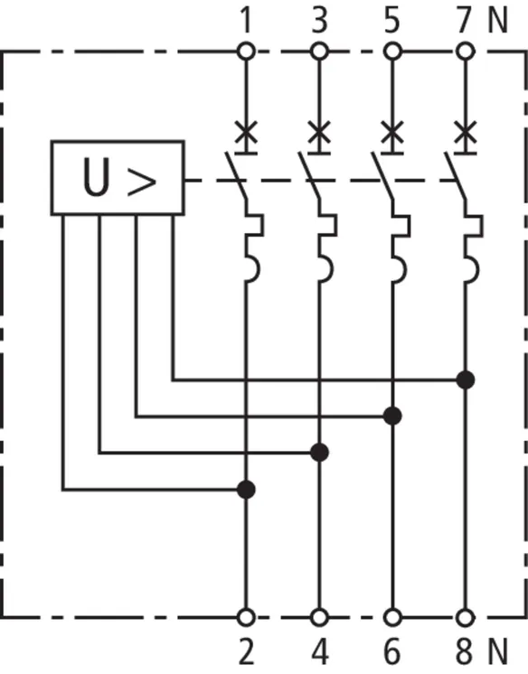
Schutzeinrichtung POP 4 255 C25
Schutzeinrichtung für netzfrequente Überspannungen
mit integriertem Leitungsschutzschalter
POP nach EN 50550
Anschlussfertige Kompletteinheit, keine zusätzliche
Verdrahtung der Einzelgeräte notwendig
Polzahl 3P + N
Auslösecharakteristik MCB / Nennstrom MCB C 25 A
Bemessungsausschaltvermögen nach EN 60898 6 kA
Reiheneinbaugerät nach DIN 43880, 5TE

Fabrikat: DEHN
Typ: POP 4 255 C25
Art.-Nr.: 900765
oder gleichwertig.

Zertifikate

 

Technische Daten

Allgemein
Polzahl 3P + N
Nennspannung AC (UN ) 230 / 400 V
POP
Maximale Nichtauslösespannung AC 255 V
Maximale Auslösespannung AC 415 V
MCB
Auslösecharakteristik C
Nennstrom AC (IL ) 25 A

Artikel 900765 wurde zum Merkzettel hinzugefügt.

Zum Merkzettel

Artikel 900765 wurde zum Warenkorb hinzugefügt.

Zum Warenkorb

Art.-Nr. 900766 POP 4 255 C32

GTIN 4013364156173, Zolltarifnr. (EU): 85363030, Bruttogewicht: 580.00 g, VPE: 1.00 Stk.


Abbildungen

Weitere Information

Schutzeinrichtung POP 4 255 C32
Schutzeinrichtung für netzfrequente Überspannungen
mit integriertem Leitungsschutzschalter
POP nach EN 50550
Anschlussfertige Kompletteinheit, keine zusätzliche
Verdrahtung der Einzelgeräte notwendig
Polzahl 3P + N
Auslösecharakteristik MCB / Nennstrom MCB C 32 A
Bemessungsausschaltvermögen nach EN 60898 6 kA
Reiheneinbaugerät nach DIN 43880, 5TE

Fabrikat: DEHN
Typ: POP 4 255 C32
Art.-Nr.: 900766
oder gleichwertig.

Zertifikate

 

Technische Daten

Allgemein
Polzahl 3P + N
Nennspannung AC (UN ) 230 / 400 V
POP
Maximale Nichtauslösespannung AC 255 V
Maximale Auslösespannung AC 415 V
MCB
Auslösecharakteristik C
Nennstrom AC (IL ) 32 A

Artikel 900766 wurde zum Merkzettel hinzugefügt.

Zum Merkzettel

Artikel 900766 wurde zum Warenkorb hinzugefügt.

Zum Warenkorb

Art.-Nr. 900767 POP 4 255 C40

GTIN 4013364156180, Zolltarifnr. (EU): 85363030, Bruttogewicht: 586.00 g, VPE: 1.00 Stk.


Abbildungen

Weitere Information

Schutzeinrichtung POP 4 255 C40
Schutzeinrichtung für netzfrequente Überspannungen
mit integriertem Leitungsschutzschalter
POP nach EN 50550
Anschlussfertige Kompletteinheit, keine zusätzliche
Verdrahtung der Einzelgeräte notwendig
Polzahl 3P + N
Auslösecharakteristik MCB / Nennstrom MCB C 40 A
Bemessungsausschaltvermögen nach EN 60898 6 kA
Reiheneinbaugerät nach DIN 43880, 5TE

Fabrikat: DEHN
Typ: POP 4 255 C40
Art.-Nr.: 900767
oder gleichwertig.

Zertifikate

 

Technische Daten

Allgemein
Polzahl 3P + N
Nennspannung AC (UN ) 230 / 400 V
POP
Maximale Nichtauslösespannung AC 255 V
Maximale Auslösespannung AC 415 V
MCB
Auslösecharakteristik C
Nennstrom AC (IL ) 40 A

Artikel 900767 wurde zum Merkzettel hinzugefügt.

Zum Merkzettel

Artikel 900767 wurde zum Warenkorb hinzugefügt.

Zum Warenkorb

Art.-Nr. 900768 POP 4 255 C63

GTIN 4013364156197, Zolltarifnr. (EU): 85363030, Bruttogewicht: 591.00 g, VPE: 1.00 Stk.


Abbildungen

Weitere Information

Schutzeinrichtung POP 4 255 C63
Schutzeinrichtung für netzfrequente Überspannungen
mit integriertem Leitungsschutzschalter
POP nach EN 50550
Anschlussfertige Kompletteinheit, keine zusätzliche
Verdrahtung der Einzelgeräte notwendig
Polzahl 3P + N
Auslösecharakteristik MCB / Nennstrom MCB C 63 A
Bemessungsausschaltvermögen nach EN 60898 6 kA
Reiheneinbaugerät nach DIN 43880, 5TE

Fabrikat: DEHN
Typ: POP 4 255 C63
Art.-Nr.: 900768
oder gleichwertig.

Zertifikate

 

Technische Daten

Allgemein
Polzahl 3P + N
Nennspannung AC (UN ) 230 / 400 V
POP
Maximale Nichtauslösespannung AC 255 V
Maximale Auslösespannung AC 415 V
MCB
Auslösecharakteristik C
Nennstrom AC (IL ) 63 A

Artikel 900768 wurde zum Merkzettel hinzugefügt.

Zum Merkzettel

Artikel 900768 wurde zum Warenkorb hinzugefügt.

Zum Warenkorb

Vierpolig POP

1 Produkt

Art.-Nr. 900720 DEHNduo POP SA 3P 230

GTIN 4013364477377, Zolltarifnr. (EU): 85363030, Bruttogewicht: 175.44 g, VPE: 1.00 Stk.


Abbildungen

Weitere Information

Schutzeinrichtung POP SA 3P 230
Schutzeinrichtung für
netzfrequente Überspannungen
für das Auslösen externer
Leistungs- & Leitungsschutzschalter
POP nach IEC 63052 cat. 4.1.3S2
Polzahl 3P + N
einstellbares Ausgangsschaltsignal
von 12V – 230V
Reiheneinbaugerät nach
DIN 43880, 2TE

Fabrikat: DEHN
Typ: DEHNduo POP SA 3P 230
Art.-Nr.: 900720
oder gleichwertig.

 

Technische Daten

Allgemein
Polzahl 3P + N
Nennspannung AC (UN ) 230 / 400 V
POP
Maximale Nichtauslösespannung AC 255 V
Maximale Auslösespannung AC 440 V
Auslösezeit bei 275 V AC 9 sec
Auslösezeit bei 300 V AC 3 sec
Auslösezeit bei 350 V AC 0,5 sec
Ausschaltvermögen DCout 50 ms 230 V / 1 A; 48 V / 3 A; 24 V / 5 A; 12 V / 5 A
Leistungsaufnahme 500 mW

Artikel 900720 wurde zum Merkzettel hinzugefügt.

Zum Merkzettel

Artikel 900720 wurde zum Warenkorb hinzugefügt.

Zum Warenkorb

nach oben