Ihre Services im Dashboard..
Registriert nutzen Sie das komplette Angebot.

Befestigungselemente für Stützrohre

1 Produkt

Art.-Nr. 105342 WB D40.50 SE WA46 V2A

GTIN 4013364111141, Zolltarifnr. (EU): 85389099, Bruttogewicht: 514.00 g, VPE: 1.00 Stk.


Abbildungen

Weitere Information

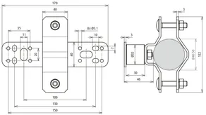
Halter für Fangstangen D40 und DEHNcon-H NIRO senkrechte Montage
Halter für Fangstangen D40 und DEHNcon-H
zum Befestigen der Fangstangen D40
oder der Stützrohre am
zu schützenden Aufbau oder an der Wand

Fabrikat: DEHN
Typ: WB D40.50 SE WA46 V2A
Art.-Nr.: 105342
oder gleichwertig.

Zertifikate

 

Technische Daten

Werkstoff NIRO
Befestigung [8x] Ø5,1 / [4x] 7 x 10 / [2x] 11 x 20 mm
Wandabstand 46 mm
Klemmbereich Fangstange 40-50 mm
Werkstoff Schraube NIRO

Artikel 105342 wurde zum Merkzettel hinzugefügt.

Zum Merkzettel

Artikel 105342 wurde zum Warenkorb hinzugefügt.

Zum Warenkorb

nach oben