Ihre Services im Dashboard..
Registriert nutzen Sie das komplette Angebot.

FS / USD

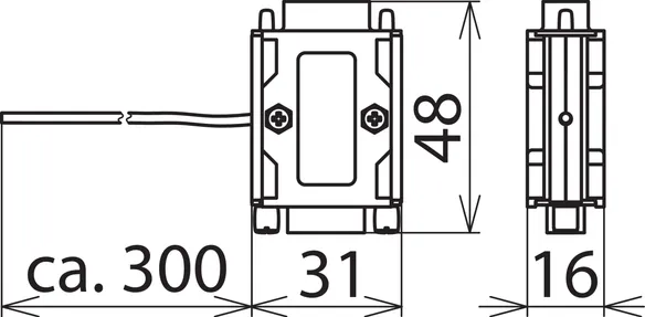
  • Überspannungs-Ableiter in SUB-D-Anschlusstechnik zum leichten Nachrüsten
  • 9-poliger Standardanschluss
  • Standard Profibus-DP

Details

SUB-D-Steckanschluss für einfache Montage.
lorem ipsum
Direkter Geräteanschluss für optimale Schutzwirkung.
lorem ipsum

FS 9E PB

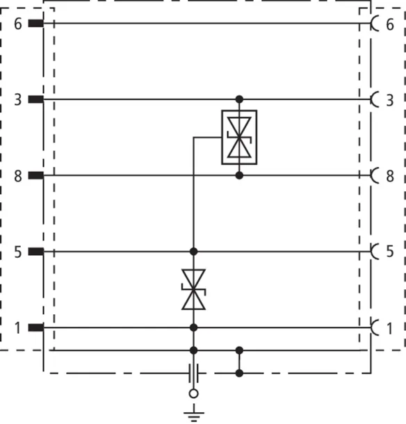
Überspannungs-Ableiter für Profibus-DP. Ausführung mit SUB-D 9-polig, Pin 6 ohne Schutz durchgeführt für Programmierschnittstelle.

1 Produkt

Art.-Nr. 924017 FS 9E PB 6

GTIN 4013364045934, Zolltarifnr. (EU): 85363010, Bruttogewicht: 38.40 g, VPE: 1.00 Stk.


Abbildungen

Weitere Information

Überspannungs-Ableiter für Profibus-DP FS 9E PB 6
Überspannungs-Ableiter-Schutzklemme
der Ableiterklasse Type 4 / P1
FS, geprüft nach EN 61643-21
zum Schutz von Datenschnittstellen
Profibus-DP, SINEC L2 bis 12 MBit/s.
Adapterbauweise, Erdung über
angebaute Leitung.
Höchste Dauerspannung DC: 7 V
C1 Nennableitstoßstrom (8/20 µs) Ad-Ad: 0,2 kA
C1 Nennableitstoßstrom (8/20 µs) Ad-SG: 0,2 kA
Belegung: Ad: 3/8, SG: 5, PG: 1, 6: ungeschützt

Fabrikat: DEHN
Typ: FS 9E PB 6
Art.-Nr.: 924017
oder gleichwertig.

Zertifikate

 

Technische Daten

Ableiterklasse [
Höchste Dauerspannung DC (UC ) 7 V
C1 Nennableitstoßstrom (8/20 µs) Ad-Ad (In ) 0,2 kA
C1 Nennableitstoßstrom (8/20 µs) Ad-SG (In ) 0,2 kA
C1 Nennableitstoßstrom (8/20 µs) SG-PG (In ) 0,4 kA
Grenzfrequenz (fG ) 90 MHz
Anschluss Eingang / Ausgang SUB-D 9 Stecker / SUB-D 9 Buchse

Artikel 924017 wurde zum Merkzettel hinzugefügt.

Zum Merkzettel

Artikel 924017 wurde zum Warenkorb hinzugefügt.

Zum Warenkorb

nach oben