Ihre Services im Dashboard..
Registriert nutzen Sie das komplette Angebot.

SFL-Protector

  • Überspannungsschutz mit Überwachungseinrichtung und Abtrennvorrichtung
  • Entstörfilter
  • Erhöhte Sicherheit durch verwechslungssichere Y-Schutzbeschaltung
  • Netzschalter mit Betriebsanzeige (nur SFL PRO 6X)
  • 2 m Anschlussleitung für den flexiblen Einsatz bei verschiedensten Anwendungen
  • Optische Funktionsanzeige (grün) und optische Defektanzeige (rot)

Details

lorem ipsum

SFL PRO 6X

Steckdosenleiste mit Überspannungsschutz und Netzfilter.

1 Produkt

Art.-Nr. 909250 SFL PRO 6X

GTIN 4013364132566, Zolltarifnr. (EU): 85363010, Bruttogewicht: 970.00 g, VPE: 1.00 Stk.

Vorgänger

Abbildungen

Weitere Information

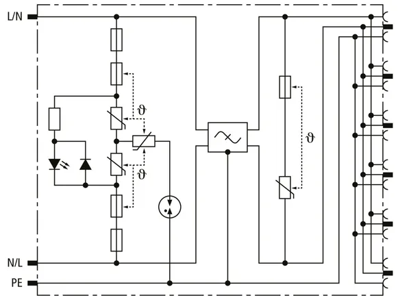
Überspannungsschutz-Steckdosenleiste SFL PRO 6X
6-fach Steckdosenleiste mit Überspannungsschutz und Filter
Ableiter Typ 3 nach EN 61643-11
Entstörfilter nach DIN VDE 0565 Teil 3
Netzschalter mit Betriebsanzeige: grün
optische Defektanzeige: rot
Höchste Dauerspannung: 255 V ac
Schutzpegel: <= 1,6 kV
Gesamtableitstoßstrom: 5 kA
Max. netzseitiger Überstromschutz: 16 A gG oder B 16 A
Dämpfung bei f = 1 MHZ sym./asym. >= 32 dB / >= 30 dB
Energetische Koordination nach DIN EN 62305-4
Ableiter der Red/Line-Familie

Fabrikat: DEHN
Typ: SFL PRO 6X
Art.-Nr.: 909250
oder gleichwertig.

Zertifikate

 

Technische Daten

SPD nach EN 61643-11 / ... IEC 61643-11 Typ 3 / Class III
Höchste Dauerspannung AC (UC ) 255 V (50 / 60 Hz)
Nennableitstoßstrom (8/20 µs) (In ) 3 kA
Gesamtableitstoßstrom (8/20 µs) [L+N-PE] (Itotal ) 5 kA
Schutzpegel (UP ) ≤ 1,6 kV
Max. netzseitiger Überstromschutz B 16 A
Anzahl der Steckdosen 6

Artikel 909250 wurde zum Merkzettel hinzugefügt.

Zum Merkzettel

Artikel 909250 wurde zum Warenkorb hinzugefügt.

Zum Warenkorb

SFL PRO 6X 19"

Steckdosenleiste mit Überspannungsschutz und Netzfilter für Datenschränke 482,6 mm (19 Zoll).

1 Produkt

Art.-Nr. 909251 SFL PRO 6X 19"

GTIN 4013364132573, Zolltarifnr. (EU): 85363010, Bruttogewicht: 877.00 g, VPE: 1.00 Stk.


Abbildungen

Weitere Information

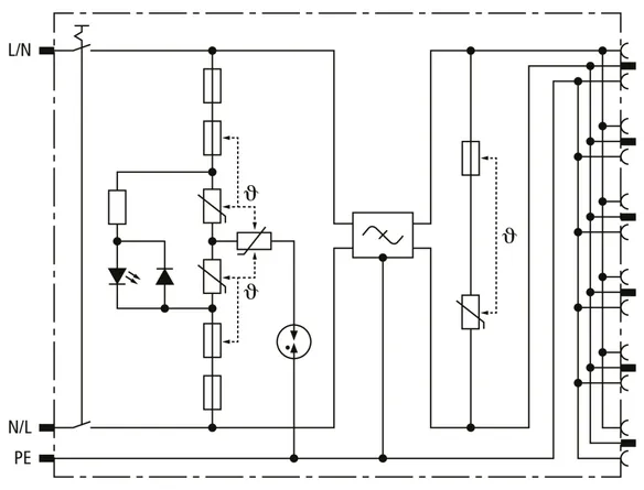
Überspannungsschutz-Steckdosenleiste SFL PRO 6X 19"
6-fach Steckdosenleiste mit Überspannungsschutz und Filter
Ableiter Typ 3 nach EN 61643-11
Entstörfilter nach DIN VDE 0565 Teil 3
mit Betriebsanzeige: grün
optische Defektanzeige: rot
Höchste Dauerspannung: 255 V ac
Schutzpegel: <= 1,6 kV
Gesamtableitstoßstrom: 5 kA
Max. netzseitiger Überstromschutz: 16 A gG oder B 16 A
Dämpfung bei f = 1 MHZ sym./asym. >= 32 dB / >= 30dB
Energetische Koordination nach DIN EN 62305-4
Ableite der Red/Line-Familie

Fabrikat: DEHN
Typ: SFL PRO 6X 19"
Art.-Nr.: 909251
oder gleichwertig.

Zertifikate

 

Technische Daten

SPD nach EN 61643-11 / ... IEC 61643-11 Typ 3 / Class III
Höchste Dauerspannung AC (UC ) 255 V (50 / 60 Hz)
Nennableitstoßstrom (8/20 µs) (In ) 3 kA
Gesamtableitstoßstrom (8/20 µs) [L+N-PE] (Itotal ) 5 kA
Schutzpegel (UP ) ≤ 1,6 kV
Max. netzseitiger Überstromschutz B 16 A
Anzahl der Steckdosen 6

Artikel 909251 wurde zum Merkzettel hinzugefügt.

Zum Merkzettel

Artikel 909251 wurde zum Warenkorb hinzugefügt.

Zum Warenkorb

nach oben