Ihre Services im Dashboard..
Registriert nutzen Sie das komplette Angebot.

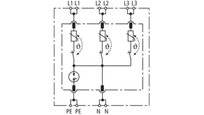
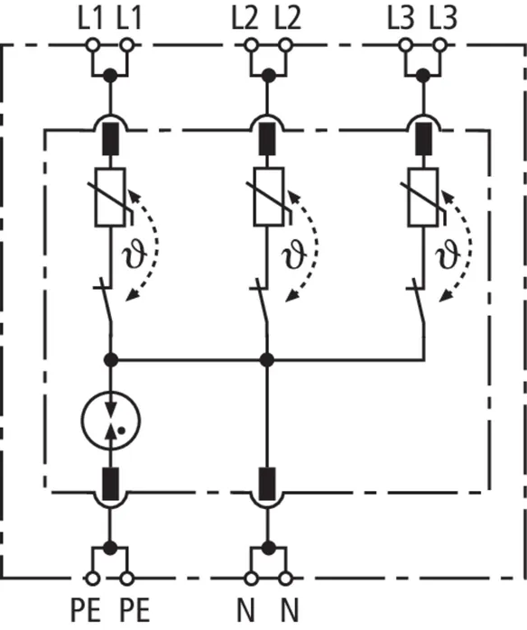
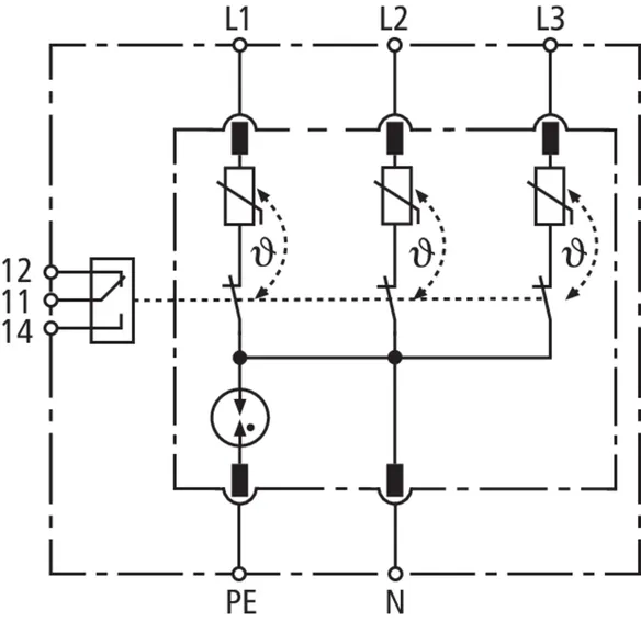
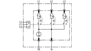
DEHNrail modular, mehrpolig

  • Vierpoliger Überspannungs-Ableiter bestehend aus Basiselement und gestecktem Schutzmodul
  • Hohes Ableitvermögen durch leistungsfähige Zinkoxidvaristor- / Funkenstreckenkombination
  • Energetisch koordiniert innerhalb der Red/Line-Produktfamilie
  • Funktions- / Defektanzeige durch grün-rote Markierung im Sichtfenster
  • Einfacher, werkzeugloser Schutzmodulwechsel durch Modulverriegelungssystem mit Modulentriegelungstaste
  • Nennlaststrom 25 A
  • Vibrations- und schockgeprüft nach EN 60068-2

Details

lorem ipsum

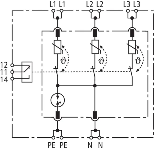
DEHNrail M 4P ... (FM)

Vierpoliger Überspannungs-Ableiter bestehend aus Basiselement und gestecktem Schutzmodul für 230 / 400 V Systeme; in der Ausführung FM mit potentialfreiem Fernmeldekontakt.

2 Produkte

Art.-Nr. 953400 DR M 4P 255

GTIN 4013364115767, Zolltarifnr. (EU): 85363030, Bruttogewicht: 168.20 g, VPE: 1.00 Stk.

Vorgänger

Abbildungen

Weitere Information

Überspannungs-Ableiter DEHNrail M 4P 255
4-poliger, modularer, steckbarer Überspannungs-Ableiter
zum Schutz von Endgeräten der Industrieelektronik
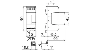
Breite 2TE, Defektanzeige
Ableiter Typ 3 nach EN 61643-11
Höchste Dauerspannung: 255/440 V ac
Gesamtableitstoßstrom: 8 kA
Schutzpegel (L-N): <= 1 kV
Max. netzseitiger Überstromschutz:
25 A gG oder B 25 A
Energetische Koordination nach DIN EN 62305-4
Ableiter der Red/Line-Familie

Fabrikat: DEHN
Typ: DR M 4P 255
Art.-Nr.: 953400
oder gleichwertig.

Zertifikate

 

Technische Daten

SPD nach EN 61643-11 / ... IEC 61643-11 Typ 3 / Class III
Höchste Dauerspannung AC (UC ) 255 / 440 V (50 / 60 Hz)
Nennableitstoßstrom (8/20 µs) (In ) 3 kA
Gesamtableitstoßstrom (8/20 µs) [L1+L2+L3+N-PE] (Itotal ) 8 kA
Schutzpegel [L-N] / [L/N-PE] (UP ) ≤ 1000 / ≤ 1500 V
Max. netzseitiger Überstromschutz 25 A gG oder B 25 A
Zulassungen KEMA, VDE

Artikel 953400 wurde zum Merkzettel hinzugefügt.

Zum Merkzettel

Artikel 953400 wurde zum Warenkorb hinzugefügt.

Zum Warenkorb

Art.-Nr. 953405 DR M 4P 255 FM

GTIN 4013364115774, Zolltarifnr. (EU): 85363030, Bruttogewicht: 171.90 g, VPE: 1.00 Stk.

Vorgänger

Abbildungen

Weitere Information

Überspannungs-Ableiter DEHNrail M 4P 255 FM
4-poliger, modularer, steckbarer Überspannungs-Ableiter
zum Schutz von Endgeräten der Industrieelektronik
Breite 2TE, Defektanzeige
mit Fernmeldekontakt
Ableiter Typ 3 nach EN 61643-11
Höchste Dauerspannung: 255/440 V ac
Gesamtableitstoßstrom: 8 kA
Schutzpegel (L-N): <= 1 kV
Max. netzseitiger Überstromschutz:
25 A gG oder B 25 A
Energetische Koordination nach DIN EN 62305-4
Ableiter der Red/Line-Familie

Fabrikat: DEHN
Typ: DR M 4P 255 FM
Art.-Nr.: 953405
oder gleichwertig.

Zertifikate

 

Technische Daten

SPD nach EN 61643-11 / ... IEC 61643-11 Typ 3 / Class III
Höchste Dauerspannung AC (UC ) 255 / 440 V (50 / 60 Hz)
Nennableitstoßstrom (8/20 µs) (In ) 3 kA
Gesamtableitstoßstrom (8/20 µs) [L1+L2+L3+N-PE] (Itotal ) 8 kA
Schutzpegel [L-N] / [L/N-PE] (UP ) ≤ 1000 / ≤ 1500 V
Max. netzseitiger Überstromschutz 25 A gG oder B 25 A
Zulassungen KEMA, VDE
FM-Kontakte / Kontaktform Wechsler

Artikel 953405 wurde zum Merkzettel hinzugefügt.

Zum Merkzettel

Artikel 953405 wurde zum Warenkorb hinzugefügt.

Zum Warenkorb

DEHNrail M 4P SN1872 FM

Vierpoliger Überspannungs-Ableiter bestehend aus Basiselement und gestecktem Schutzmodul; mit potentialfreiem Fernmeldekontakt. Einsatz in Anlagen mit Absicherung bis 32 A möglich.

1 Produkt

Art.-Nr. 953406 DR M 4P 255 SN1872 FM

GTIN 4013364353060, Zolltarifnr. (EU): 85363030, Bruttogewicht: 171.90 g, VPE: 1.00 Stk.


Abbildungen

Weitere Information

Überspannungs-Ableiter DEHNrail DR M 4P 255 SN1872 FM
4-poliger, modularer, steckbarer Überspannungs-Ableiter
zum Schutz von Endgeräten der Industrieelektronik
Breite 2TE, Defektanzeige
mit Fernmeldekontakt
Ableiter Typ 3 nach EN 61643-11
Höchste Dauerspannung: 255/440 V ac
Gesamtableitstoßstrom: 8 kA
Schutzpegel (L-N): <= 1 kV
Max. netzseitiger Überstromschutz:
32 A gG oder B 32 A
Energetische Koordination nach DIN EN 62305-4
Ableiter der Red/Line-Familie

Fabrikat: DEHN
Typ: DR M 4P 255 SN1872 FM
Art.-Nr.: 953406
oder gleichwertig.

Zertifikate

 

Technische Daten

SPD nach EN 61643-11 / ... IEC 61643-11 Typ 3 / Class III
Höchste Dauerspannung AC (UC ) 255 / 440 V (50 / 60 Hz)
Nennableitstoßstrom (8/20 µs) (In ) 3 kA
Gesamtableitstoßstrom (8/20 µs) [L1+L2+L3+N-PE] (Itotal ) 8 kA
Schutzpegel [L-N] / [L/N-PE] (UP ) ≤ 1000 / ≤ 1500 V
Max. netzseitiger Überstromschutz 32 A gG oder B 32 A
FM-Kontakte / Kontaktform Wechsler

Artikel 953406 wurde zum Merkzettel hinzugefügt.

Zum Merkzettel

Artikel 953406 wurde zum Warenkorb hinzugefügt.

Zum Warenkorb

nach oben