Ihre Services im Dashboard..
Registriert nutzen Sie das komplette Angebot.

DEHNbloc Maxi S

  • Blitzstrom-Ableiter auf Funkenstreckenbasis mit integrierter, blitzstromtragfähiger Ableitervorsicherung in kompakter Gehäusebauform
  • Direktmontage auf PEN- / N-Schiene
  • Tiefer Schutzpegel UP ≤ 2,5 kV (beinhaltet 80 cm Anschlussleitung)
  • Ohne zusätzliche Leitungslänge auf Überspannungs-Schutzgerät DEHNguard direkt koordiniert
  • Kurzschlussfestigkeit von 100 kAeff (220 kApeak)
  • Hohe Folgestromlöschfähigkeit und Folgestrombegrenzung durch RADAX-Flow-Technologie
  • Hohes Blitzstrom-Ableitvermögen
  • Mit Lichtwellenleiter-Schnittstelle zur Ableiterüberwachung

Details

lorem ipsum
lorem ipsum
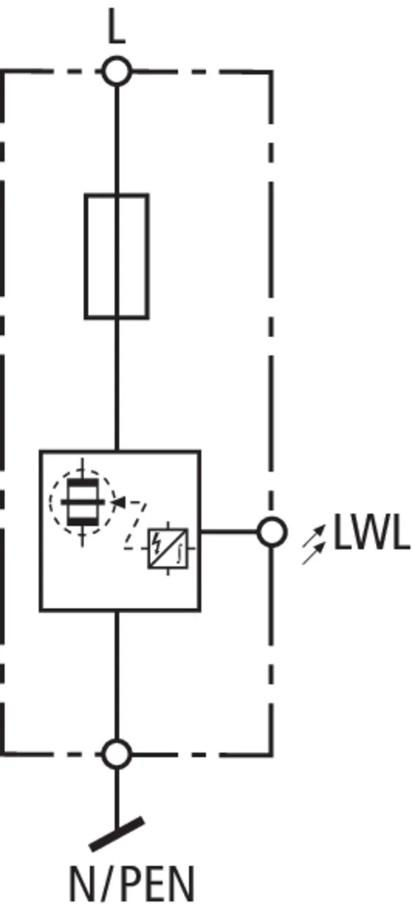
3-0-Anwendung im TN-C-System
lorem ipsum
3+1-Anwendung im TT- / TN-S-System
lorem ipsum

DEHNbloc Maxi 1 255 S

Koordinierter, einpoliger Blitzstrom-Ableiter mit integrierter Ableitervorsicherung zum Einsatz in 230 / 400 V-Systemen für die Sammelschiene.

1 Produkt

Art.-Nr. 900220 DBM 1 255 S

GTIN 4013364106734, Zolltarifnr. (EU): 85363090, Bruttogewicht: 730.70 g, VPE: 1.00 Stk.


Abbildungen

Weitere Information

Koordinierter Blitzstrom-Ableiter DEHNbloc Maxi 1 255 S
1-poliger, koordinierter Blitzstrom-Ableiter mit
integrierter Ableitervorsicherung für industrielle
Sammelschienensysteme Ableiter Typ 1 nach EN 61643-11
RADAX-Flow-Funkenstrecken-Technologie
zur Folgestrombegrenzung
Höchste Dauerspannung: 255 V ac
Schutzpegel: <= 2,5 kV (beinhaltet 80 cm Anschlussleitung)
Blitzstoßstrom (10/350): 25 kA
Folgestromlöschfähigkeit: 50 kAeff
Bemessungsausschaltvermögen des internen
Back-Up Schutzes: bis 100 kAeff
Energetische Koordination nach DIN EN 62305-4
Ableiter der Red/Line-Familie
Montage auf PEN / N Sammelschiene min. 25 mm2
Einbaumaße (B x H x T): (72 x 89 x 100) mm
Schutzart: IP 5X

Fabrikat: DEHN
Typ: DBM 1 255 S
Art.-Nr.: 900220
oder gleichwertig.

Zertifikate

 

Integrierte Vorsicherung

Hier ist die Vorsicherung bereits integriert. Das bedeutet: Reduzierter Platzbedarf, geringere Montagekosten, schnellere Verdrahtungszeiten und kürzere Anschlussleitungslängen. Dieses Konzept ist in den Produktfamilien DEHNvenCI, DEHNbloc Maxi S, DEHNguard ... CI und V(A) NH zu finden.

Wellenbrecher-Funktion

Während des Ableitvorgangs fließt bei funkenstreckenbasierten Typ 1-Ableitern der gesamte Strom über den Typ-1 Ableiter. Wie bei einem Wellenbrecher wird die ankommende Energie stark heruntergebrochen, was die nachgeschalteten SPDs deutlich entlastet. Alle Typ 1-Ableiter der Red/Line-Produktfamilie weisen die Wellenbrecherfunktion WBF auf.

Technische Daten

SPD nach EN 61643-11 / ... IEC 61643-11 Typ 1 / Class I
Höchste Dauerspannung AC (UC ) 255 V (50 / 60 Hz)
Blitzstoßstrom (10/350 µs) (Iimp ) 25 kA
Schutzpegel (UP ) ≤ 2,5 kV (beinhaltet 80 cm Anschlussleitung)
Max. netzseitiger Überstromschutz nicht notwendig
Betriebsanzeige mittels LWL über DSI E 3

Artikel 900220 wurde zum Merkzettel hinzugefügt.

Zum Merkzettel

Artikel 900220 wurde zum Warenkorb hinzugefügt.

Zum Warenkorb

nach oben