Ihre Services im Dashboard..
Registriert nutzen Sie das komplette Angebot.

DEHNbloc modular

  • Koordinierter Blitzstrom-Ableiter auf Funkenstreckenbasis, bestehend aus Basisteil und gestecktem Schutzmodul
  • Höchste Anlagenverfügbarkeit durch RADAX-Flow-Folgestrombegrenzung
  • Ausschaltselektiv zu 35 A gG-Sicherungen bis 50 kAeff Kurzschlussstrom
  • Ableitvermögen bis 50 kA (10/350 µs)
  • Ohne zusätzliche Leitungslänge auf Überspannungs-Schutzgerät DEHNguard direkt koordiniert
  • Tiefer Schutzpegel
  • Funktions- / Defektanzeige durch grün-rote Markierung im Sichtfenster
  • Einfacher, werkzeugloser Schutzmodulwechsel durch Modulverriegelungssystem mit Modulentriegelungstaste

Details

lorem ipsum

DEHNbloc M 1 ...

Einpoliger, modularer, koordinierter Blitzstrom-Ableiter mit hohem Ableitvermögen.

3 Produkte

Art.-Nr. 961110 DB M 1 150

GTIN 4013364118560, Zolltarifnr. (EU): 85363090, Bruttogewicht: 333.40 g, VPE: 1.00 Stk.

Vorgänger

Abbildungen

Weitere Information

Koordinierter Blitzstrom-Ableiter DEHNbloc M 1 150
1-poliger, modularer, steckbarer, koordinierter Blitzstrom-Ableiter
mit hoher Folgestrombegrenzung, Breite 2TE
Ableiter Typ 1 nach EN 61643-11
RADAX-Flow-Funkenstrecken-Technologie
zur Folgestrombegrenzung
Defektanzeige
Höchste Dauerspannung: 150 V ac
Schutzpegel: <= 1,5 kV
Blitzstoßstrom (10/350): 35 kA
Folgestromlöschfähigkeit: bis 50 kAeff
Energetische Koordination nach DIN EN 62305-4
Ableiter der Red/Line-Familie

Fabrikat: DEHN
Typ: DB M 1 150
Art.-Nr.: 961110
oder gleichwertig.

Zertifikate

 

Wellenbrecher-Funktion

Während des Ableitvorgangs fließt bei funkenstreckenbasierten Typ 1-Ableitern der gesamte Strom über den Typ-1 Ableiter. Wie bei einem Wellenbrecher wird die ankommende Energie stark heruntergebrochen, was die nachgeschalteten SPDs deutlich entlastet. Alle Typ 1-Ableiter der Red/Line-Produktfamilie weisen die Wellenbrecherfunktion WBF auf.

Technische Daten

SPD nach EN 61643-11 / ... IEC 61643-11 Typ 1 / Class I
Höchste Dauerspannung AC (UC ) 150 V (50 / 60 Hz)
Blitzstoßstrom (10/350 µs) (Iimp ) 35 kA
Schutzpegel (UP ) ≤ 1,5 kV
Max. Vorsicherung (L) bis IK = 35 kAeff (ta ≤ 0,2 s) 500 A gG
Max. Vorsicherung (L) bis IK = 35 kAeff (ta ≤ 5 s) 315 A gG
Zulassungen UL, CSA

Artikel 961110 wurde zum Merkzettel hinzugefügt.

Zum Merkzettel

Artikel 961110 wurde zum Warenkorb hinzugefügt.

Zum Warenkorb

Art.-Nr. 961120 DB M 1 255

GTIN 4013364118614, Zolltarifnr. (EU): 85363090, Bruttogewicht: 355.80 g, VPE: 1.00 Stk.

Vorgänger

Abbildungen

Weitere Information

Koordinierter Blitzstrom-Ableiter DEHNbloc M 1 255
1-poliger, modularer, steckbarer, koordinierter Blitzstrom-Ableiter
mit hoher Folgestrombegrenzung, Breite 2TE
Ableiter Typ 1 nach EN 61643-11
RADAX-Flow-Funkenstrecken-Technologie
zur Folgestrombegrenzung
Defektanzeige
Höchste Dauerspannung: 255 V ac
Schutzpegel: <= 2,5 kV
Blitzstoßstrom (10/350): 50 kA
Folgestromlöschfähigkeit: bis 100 kAeff
Energetische Koordination nach DIN EN 62305-4
Ableiter der Red/Line-Familie

Fabrikat: DEHN
Typ: DB M 1 255
Art.-Nr.: 961120
oder gleichwertig.

Zertifikate

 

Wellenbrecher-Funktion

Während des Ableitvorgangs fließt bei funkenstreckenbasierten Typ 1-Ableitern der gesamte Strom über den Typ-1 Ableiter. Wie bei einem Wellenbrecher wird die ankommende Energie stark heruntergebrochen, was die nachgeschalteten SPDs deutlich entlastet. Alle Typ 1-Ableiter der Red/Line-Produktfamilie weisen die Wellenbrecherfunktion WBF auf.

Technische Daten

SPD nach EN 61643-11 / ... IEC 61643-11 Typ 1 / Class I
Höchste Dauerspannung AC (UC ) 255 V (50 / 60 Hz)
Blitzstoßstrom (10/350 µs) (Iimp ) 50 kA
Schutzpegel (UP ) ≤ 2,5 kV
Max. Vorsicherung (L) bis IK = 50 kAeff (ta ≤ 0,2 s) 500 A gG
Max. Vorsicherung (L) bis IK = 50 kAeff (ta ≤ 5 s) 315 A gG
Zulassungen VDE, KEMA, UL

Artikel 961120 wurde zum Merkzettel hinzugefügt.

Zum Merkzettel

Artikel 961120 wurde zum Warenkorb hinzugefügt.

Zum Warenkorb

Art.-Nr. 961130 DB M 1 320

GTIN 4013364118638, Zolltarifnr. (EU): 85363090, Bruttogewicht: 341.00 g, VPE: 1.00 Stk.

Vorgänger

Abbildungen

Weitere Information

Koordinierter Blitzstrom-Ableiter DEHNbloc M 1 320
1-poliger, modularer, steckbarer koordinierter Blitzstrom-Ableiter
mit hoher Folgestrombegrenzung, Breite 2TE
Ableiter Typ 1 nach EN 61643-11
RADAX-Flow-Funkenstrecken-Technologie
zur Folgestrombegrenzung
Defektanzeige
Höchste Dauerspannung: 320 V ac
Schutzpegel: <= 2,5 kV
Blitzstoßstrom (10/350): 25 kA
Folgestromlöschfähigkeit: bis 50 kAeff
Energetische Koordination nach DIN EN 62305-4
Ableiter der Red/Line-Familie

Fabrikat: DEHN
Typ: DB M 1 320
Art.-Nr.: 961130
oder gleichwertig.

Zertifikate

 

Wellenbrecher-Funktion

Während des Ableitvorgangs fließt bei funkenstreckenbasierten Typ 1-Ableitern der gesamte Strom über den Typ-1 Ableiter. Wie bei einem Wellenbrecher wird die ankommende Energie stark heruntergebrochen, was die nachgeschalteten SPDs deutlich entlastet. Alle Typ 1-Ableiter der Red/Line-Produktfamilie weisen die Wellenbrecherfunktion WBF auf.

Technische Daten

SPD nach EN 61643-11 / ... IEC 61643-11 Typ 1 / Class I
Höchste Dauerspannung AC (UC ) 320 V (50 / 60 Hz)
Blitzstoßstrom (10/350 µs) (Iimp ) 25 kA
Schutzpegel (UP ) ≤ 2,5 kV
Max. Vorsicherung (L) bis IK = 50 kAeff (ta ≤ 0,2 s) 315 A gG
Max. Vorsicherung (L) bis IK = 50 kAeff (ta ≤ 5 s) 315 A gG
Zulassungen UL

Artikel 961130 wurde zum Merkzettel hinzugefügt.

Zum Merkzettel

Artikel 961130 wurde zum Warenkorb hinzugefügt.

Zum Warenkorb

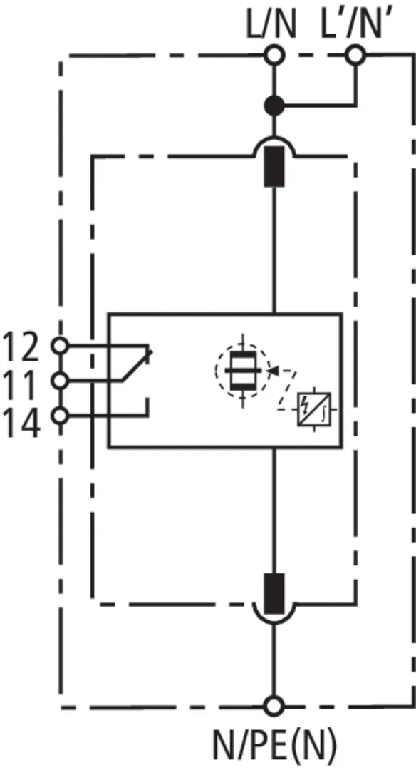
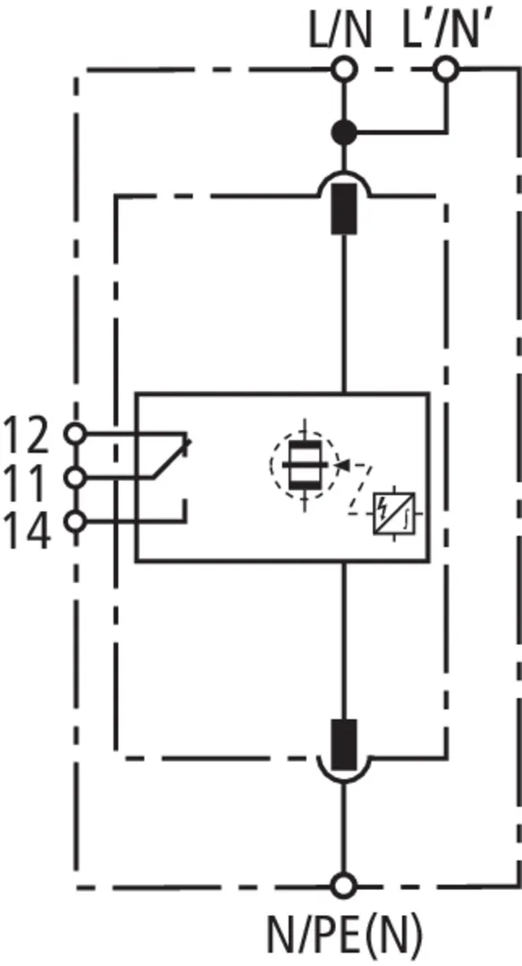
DEHNbloc M 1 ... FM

Einpoliger, modularer, koordinierter Blitzstrom-Ableiter mit hohem Ableitvermögen; mit Fernmeldekontakt für Überwachungseinrichtung (potentialfreier Wechsler).

3 Produkte

Art.-Nr. 961115 DB M 1 150 FM

GTIN 4013364118577, Zolltarifnr. (EU): 85363090, Bruttogewicht: 337.30 g, VPE: 1.00 Stk.

Vorgänger

Abbildungen

Weitere Information

Koordinierter Blitzstrom-Ableiter DEHNbloc M 1 150 FM
1-poliger, modularer, steckbarer, koordinierter Blitzstrom-Ableiter
mit hoher Folgestrombegrenzung
mit Fernmeldekontakt, Breite 2TE
Ableiter Typ 1 nach EN 61643-11
RADAX-Flow-Funkenstrecken-Technologie
zur Folgestrombegrenzung
Defektanzeige
Höchste Dauerspannung: 150 V ac
Schutzpegel: <= 1,5 kV
Blitzstoßstrom (10/350): 35 kA
Folgestromlöschfähigkeit: bis 50 kAeff
Energetische Koordination nach DIN EN 62305-4
Ableiter der Red/Line-Familie

Fabrikat: DEHN
Typ: DB M 1 150 FM
Art.-Nr.: 961115
oder gleichwertig.

Zertifikate

 

Wellenbrecher-Funktion

Während des Ableitvorgangs fließt bei funkenstreckenbasierten Typ 1-Ableitern der gesamte Strom über den Typ-1 Ableiter. Wie bei einem Wellenbrecher wird die ankommende Energie stark heruntergebrochen, was die nachgeschalteten SPDs deutlich entlastet. Alle Typ 1-Ableiter der Red/Line-Produktfamilie weisen die Wellenbrecherfunktion WBF auf.

Technische Daten

SPD nach EN 61643-11 / ... IEC 61643-11 Typ 1 / Class I
Höchste Dauerspannung AC (UC ) 150 V (50 / 60 Hz)
Blitzstoßstrom (10/350 µs) (Iimp ) 35 kA
Schutzpegel (UP ) ≤ 1,5 kV
Max. Vorsicherung (L) bis IK = 35 kAeff (ta ≤ 0,2 s) 500 A gG
Max. Vorsicherung (L) bis IK = 35 kAeff (ta ≤ 5 s) 315 A gG
Zulassungen UL, CSA

Artikel 961115 wurde zum Merkzettel hinzugefügt.

Zum Merkzettel

Artikel 961115 wurde zum Warenkorb hinzugefügt.

Zum Warenkorb

Art.-Nr. 961125 DB M 1 255 FM

GTIN 4013364118621, Zolltarifnr. (EU): 85363090, Bruttogewicht: 359.30 g, VPE: 1.00 Stk.

Vorgänger

Abbildungen

Weitere Information

Koordinierter Blitzstrom-Ableiter DEHNbloc M 1 255 FM
1-poliger, modularer, steckbarer, koordinierter Blitzstrom-Ableiter
mit hoher Folgestrombegrenzung
mit Fernmeldekontakt, Breite 2TE
Ableiter Typ 1 nach EN 61643-11
RADAX-Flow-Funkenstrecken-Technologie
zur Folgestrombegrenzung
Defektanzeige
Höchste Dauerspannung: 255 V ac
Schutzpegel: <= 2,5 kV
Blitzstoßstrom (10/350): 50 kA
Folgestromlöschfähigkeit: bis 100 kAeff.
Energetische Koordination nach DIN EN 62305-4
Ableiter der Red/Line-Familie

Fabrikat: DEHN
Typ: DB M 1 255 FM
Art.-Nr.: 961125
oder gleichwertig.

Zertifikate

 

Wellenbrecher-Funktion

Während des Ableitvorgangs fließt bei funkenstreckenbasierten Typ 1-Ableitern der gesamte Strom über den Typ-1 Ableiter. Wie bei einem Wellenbrecher wird die ankommende Energie stark heruntergebrochen, was die nachgeschalteten SPDs deutlich entlastet. Alle Typ 1-Ableiter der Red/Line-Produktfamilie weisen die Wellenbrecherfunktion WBF auf.

Technische Daten

SPD nach EN 61643-11 / ... IEC 61643-11 Typ 1 / Class I
Höchste Dauerspannung AC (UC ) 255 V (50 / 60 Hz)
Blitzstoßstrom (10/350 µs) (Iimp ) 50 kA
Schutzpegel (UP ) ≤ 2,5 kV
Max. Vorsicherung (L) bis IK = 50 kAeff (ta ≤ 0,2 s) 500 A gG
Max. Vorsicherung (L) bis IK = 50 kAeff (ta ≤ 5 s) 315 A gG
Zulassungen VDE, KEMA, UL

Artikel 961125 wurde zum Merkzettel hinzugefügt.

Zum Merkzettel

Artikel 961125 wurde zum Warenkorb hinzugefügt.

Zum Warenkorb

Art.-Nr. 961135 DB M 1 320 FM

GTIN 4013364118645, Zolltarifnr. (EU): 85363090, Bruttogewicht: 346.00 g, VPE: 1.00 Stk.

Vorgänger

Abbildungen

Weitere Information

Koordinierter Blitzstrom-Ableiter DEHNbloc M 1 320 FM
1-poliger, modularer, steckbarer, koordinierter Blitzstrom-Ableiter
mit hoher Folgestrombegrenzung,
mit Fernmeldekontakt, Breite 2TE
Ableiter Typ 1 nach EN 61643-11
RADAX-Flow-Funkenstrecken-Technologie
zur Folgestrombegrenzung
Defektanzeige
Höchste Dauerspannung: 320 V ac
Schutzpegel: <= 2,5 kV
Blitzstoßstrom (10/350): 25 kA
Folgestromlöschfähigkeit: bis 50 kAeff
Energetische Koordination nach DIN EN 62305-4
Ableiter der Red/Line-Familie

Fabrikat: DEHN
Typ: DB M 1 320 FM
Art.-Nr.: 961135
oder gleichwertig.

Zertifikate

 

Wellenbrecher-Funktion

Während des Ableitvorgangs fließt bei funkenstreckenbasierten Typ 1-Ableitern der gesamte Strom über den Typ-1 Ableiter. Wie bei einem Wellenbrecher wird die ankommende Energie stark heruntergebrochen, was die nachgeschalteten SPDs deutlich entlastet. Alle Typ 1-Ableiter der Red/Line-Produktfamilie weisen die Wellenbrecherfunktion WBF auf.

Technische Daten

SPD nach EN 61643-11 / ... IEC 61643-11 Typ 1 / Class I
Höchste Dauerspannung AC (UC ) 320 V (50 / 60 Hz)
Blitzstoßstrom (10/350 µs) (Iimp ) 25 kA
Schutzpegel (UP ) ≤ 2,5 kV
Max. Vorsicherung (L) bis IK = 50 kAeff (ta ≤ 0,2 s) 315 A gG
Max. Vorsicherung (L) bis IK = 50 kAeff (ta ≤ 5 s) 315 A gG
Zulassungen UL

Artikel 961135 wurde zum Merkzettel hinzugefügt.

Zum Merkzettel

Artikel 961135 wurde zum Warenkorb hinzugefügt.

Zum Warenkorb

nach oben