Ihre Services im Dashboard..
Registriert nutzen Sie das komplette Angebot.

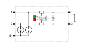
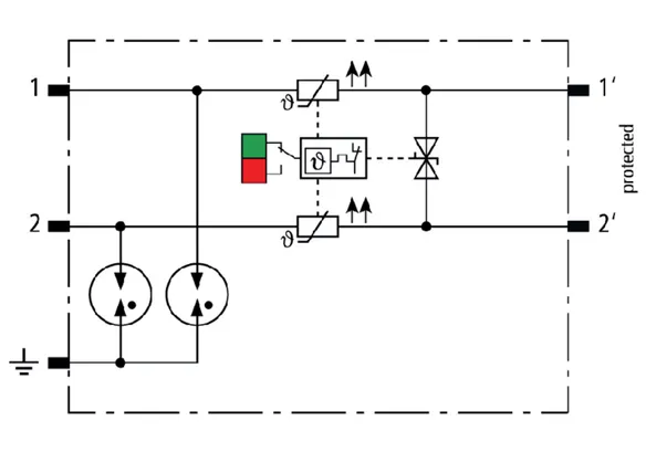
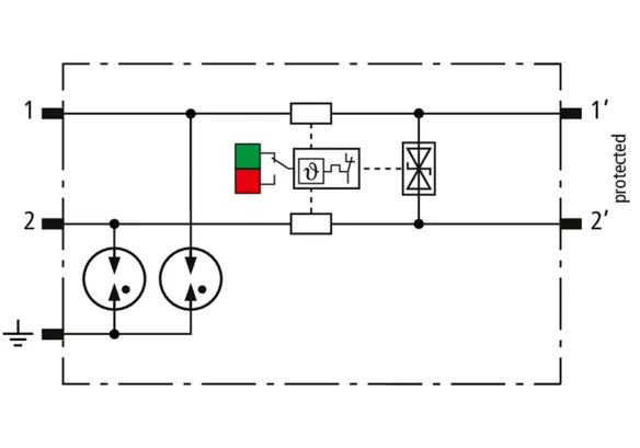
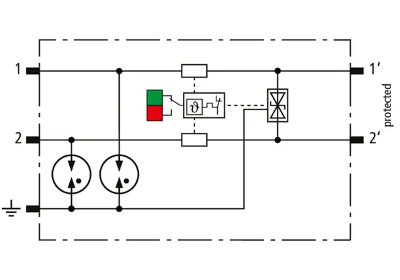
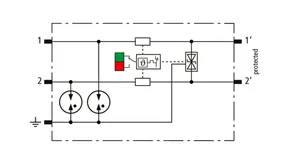
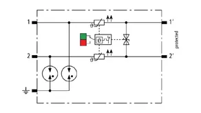
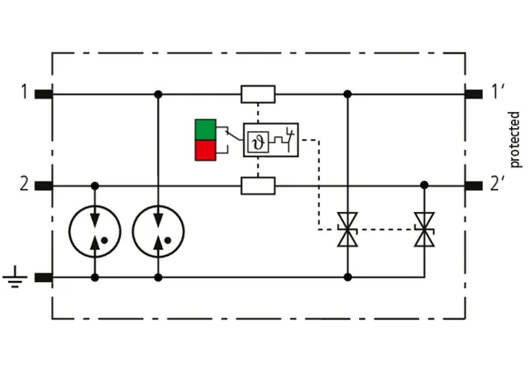
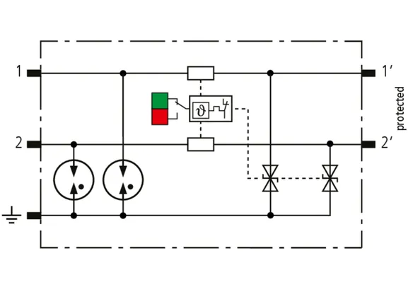
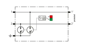
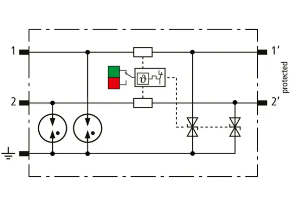
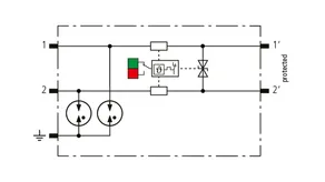
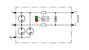
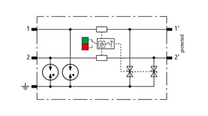
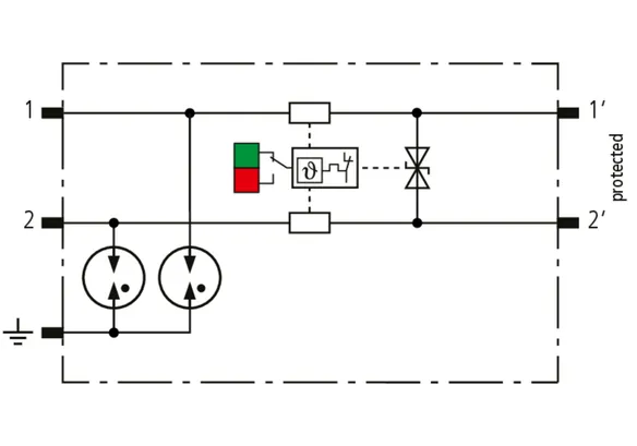
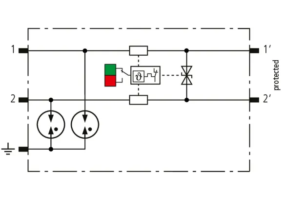
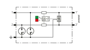
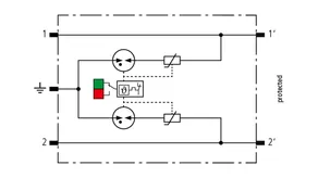
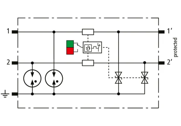
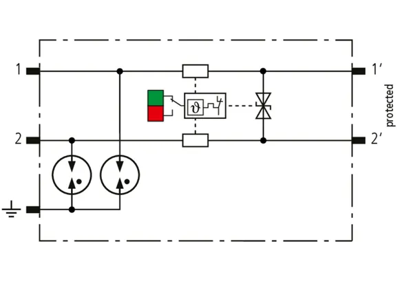
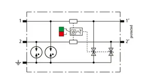
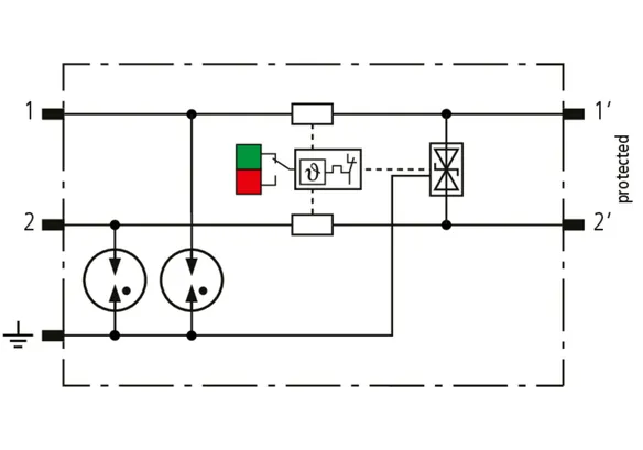
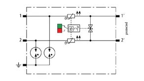
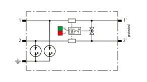
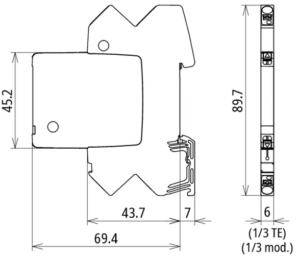
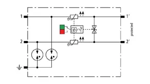
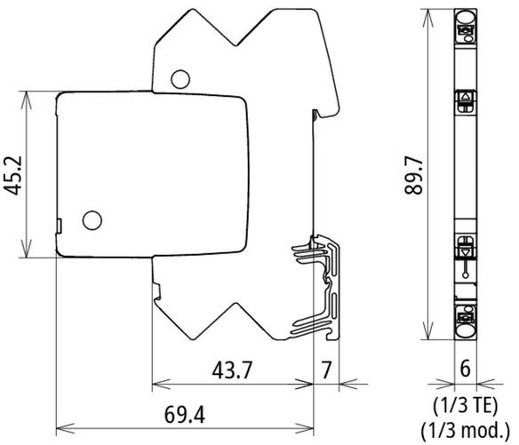
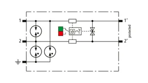
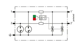
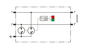
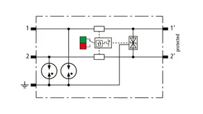
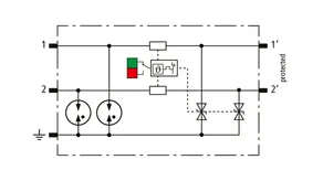
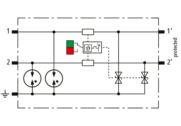
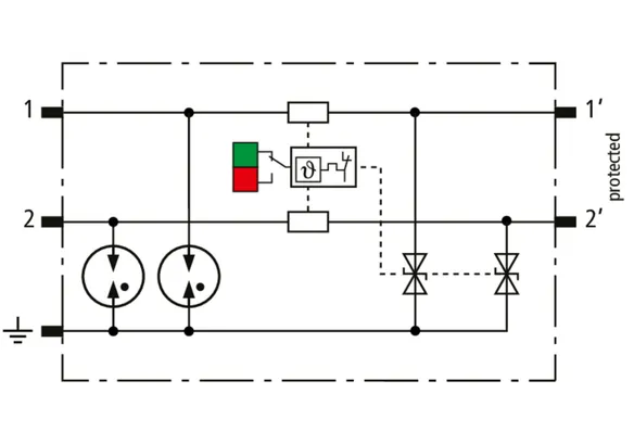
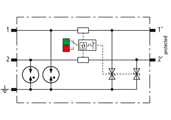
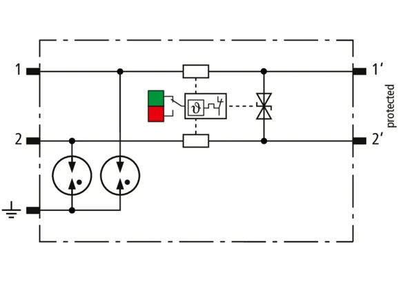
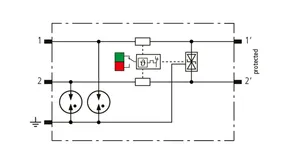
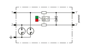
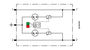
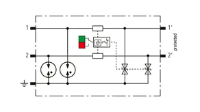
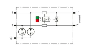
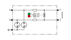
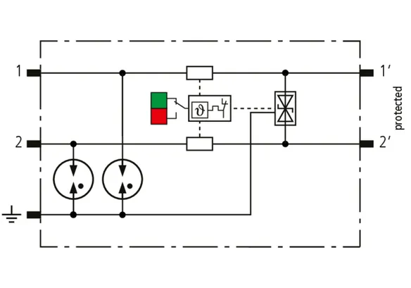
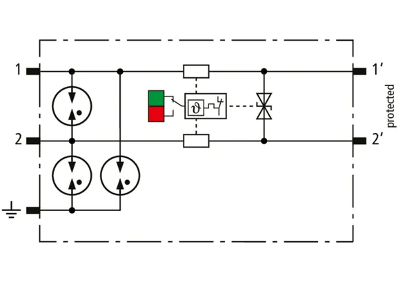
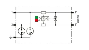
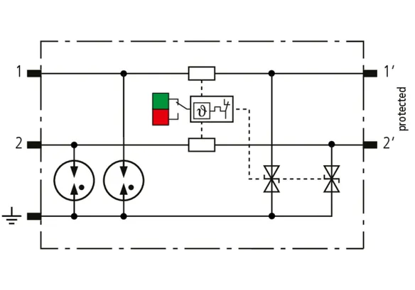
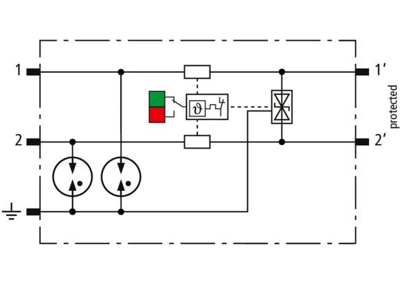
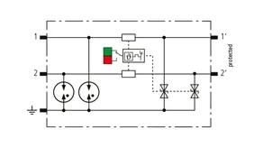
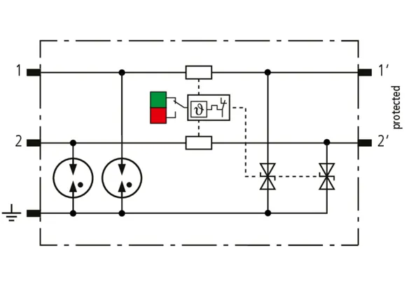
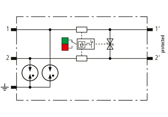
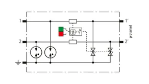
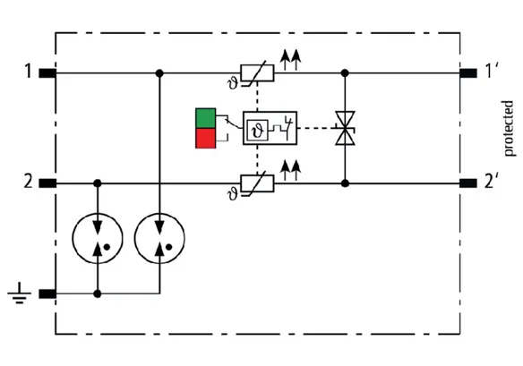
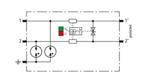
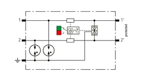
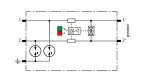
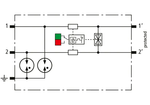
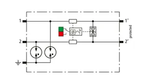
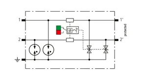
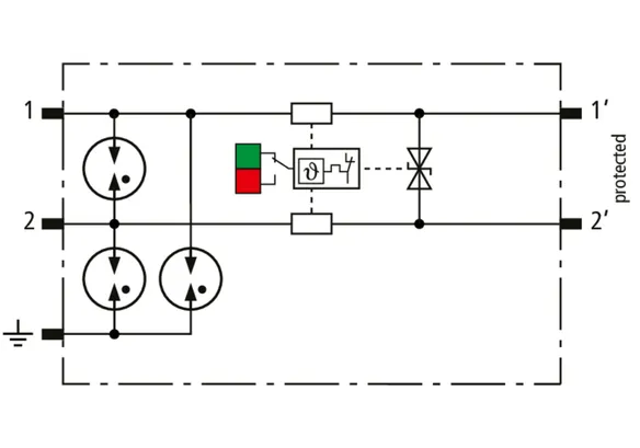
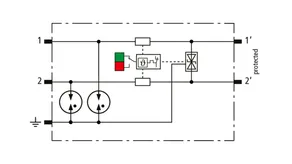
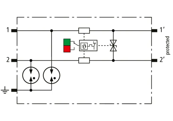
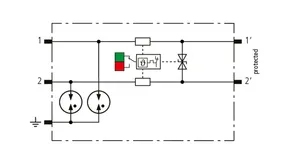
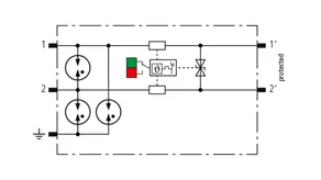
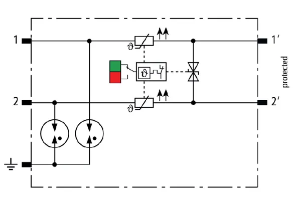
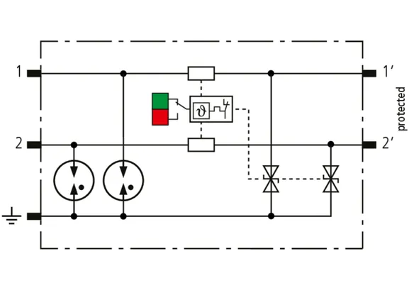
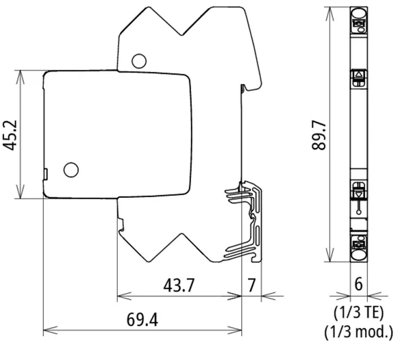
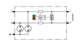
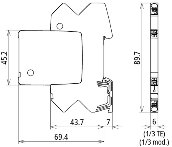
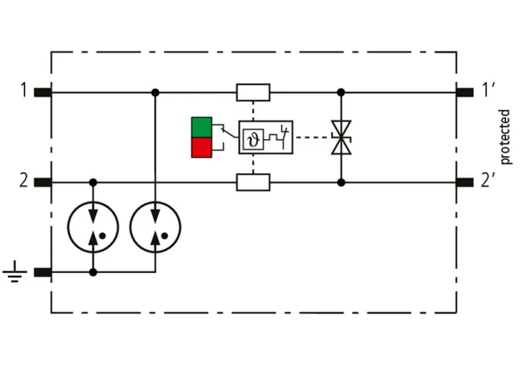
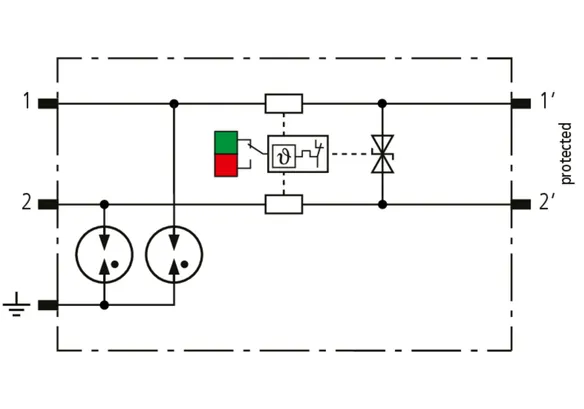
BLITZDUCTORconnect – Modular

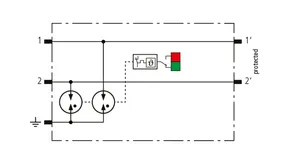
Universell einsetzbarer Blitzstrom- und Überspannungs-Ableiter
  • Zum Schutz von MSR-Kreisen, Bus- und Telekommunikationssystemen
  • Hohes Gesamt-Ableitvermögen 3 kA (10/350 µs), 10 kA (8/20 µs)
  • Maximale Stoßstrombelastbarkeit (8/20µs) Imax bis 20 kA
  • Niedrige Schutzpegel, auch für Endgeräteschutz geeignet
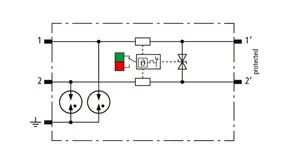
Ableiter teilbar in Modul und Basisteil
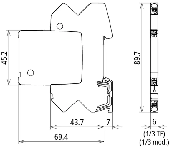
  • Schneller und einfacher Leitungsanschluss durch Push-In-Anschlusstechnik
  • Alle Schutzkomponenten im Modul integriert
  • Beidseitige secR Entriegelungstasten für den sicheren Modulwechsel
  • Hohe Anlagenverfügbarkeit durch Failsafe-Verhalten
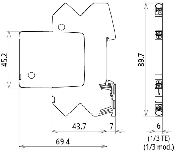
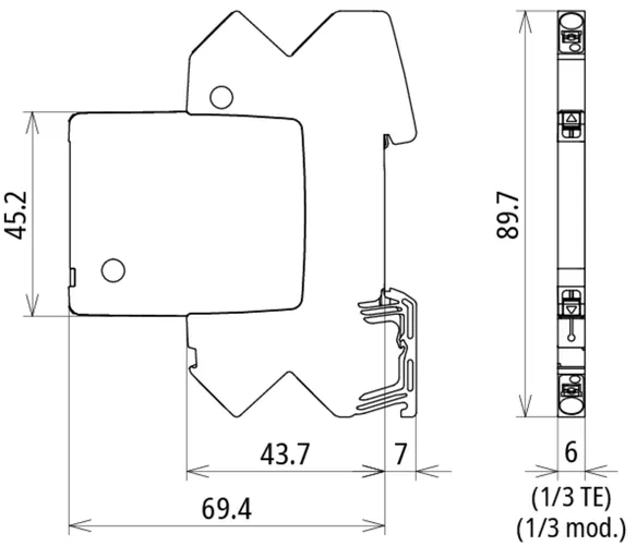
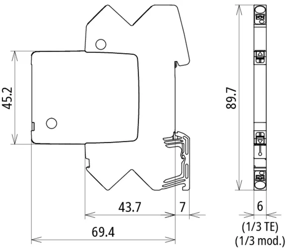
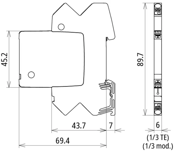
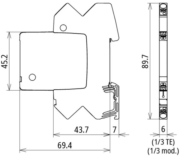
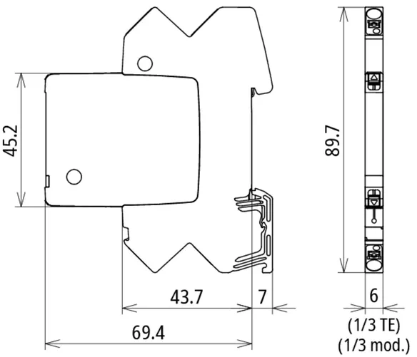
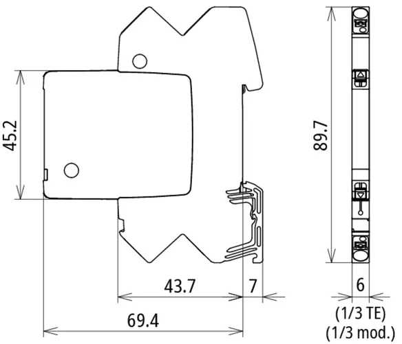
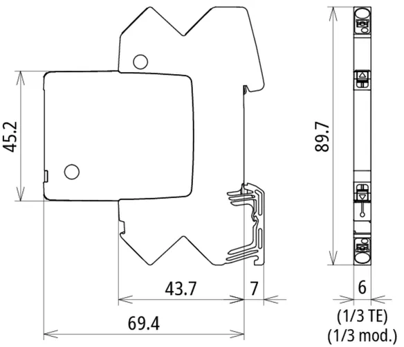
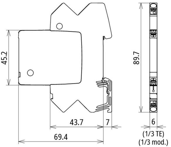
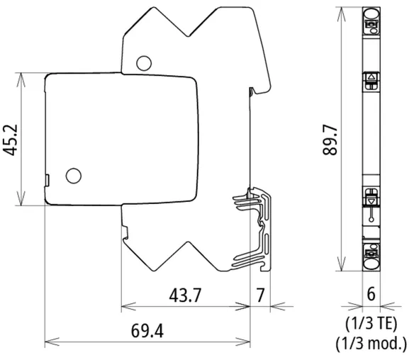
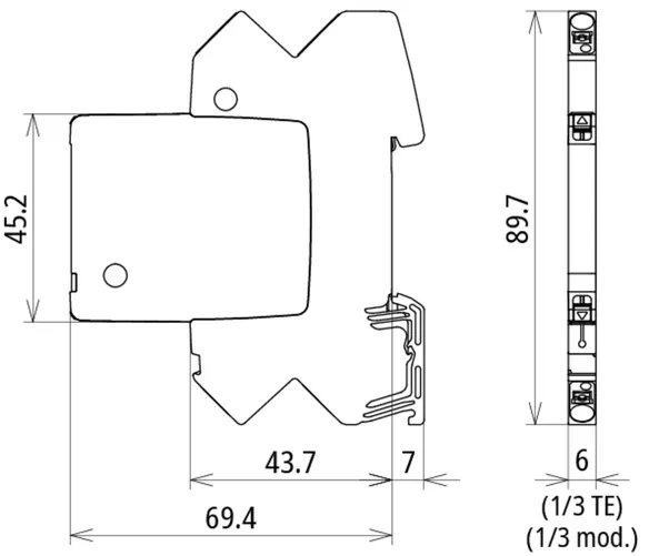
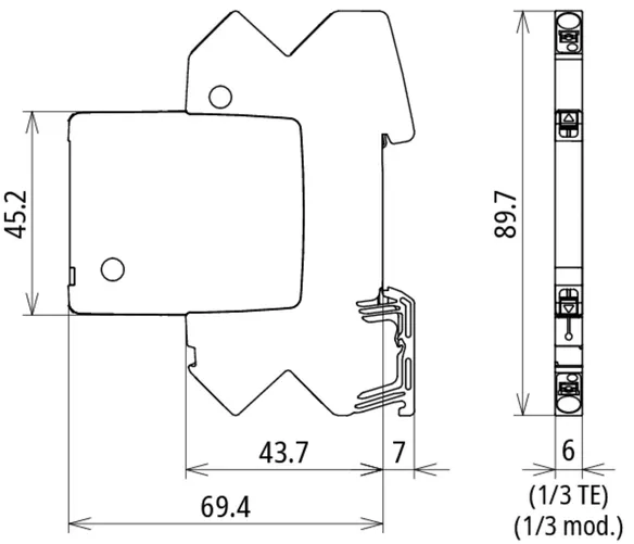
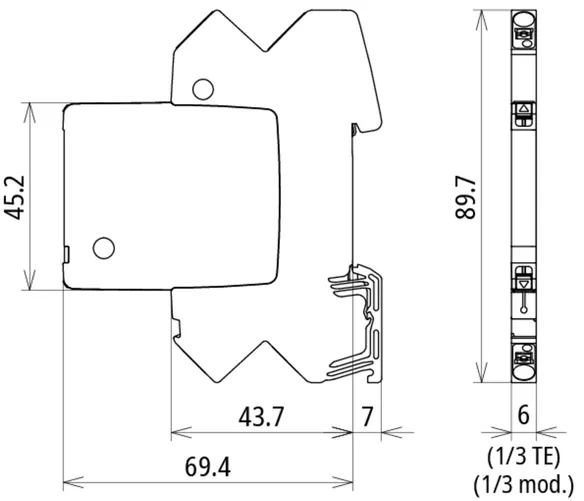
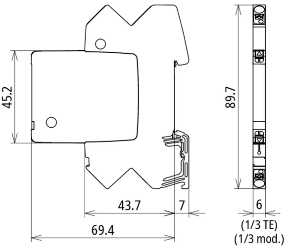
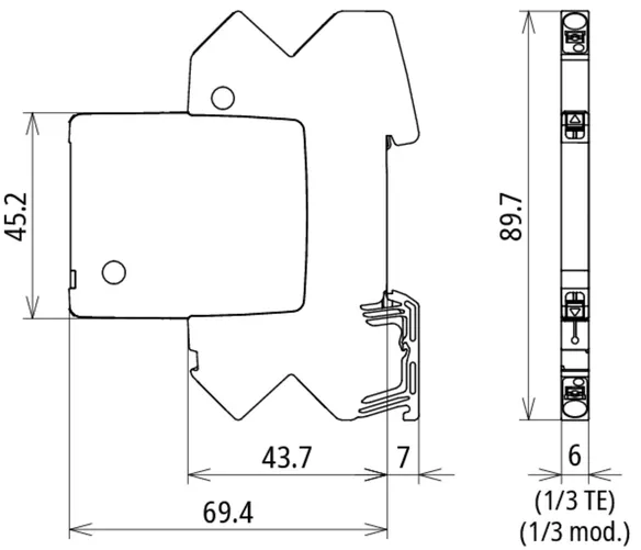
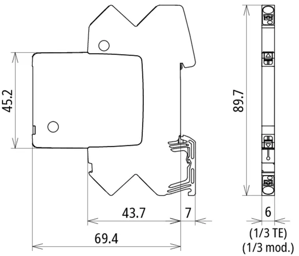
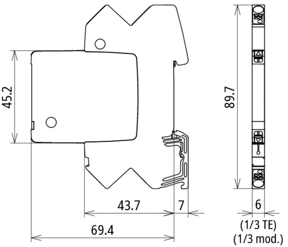
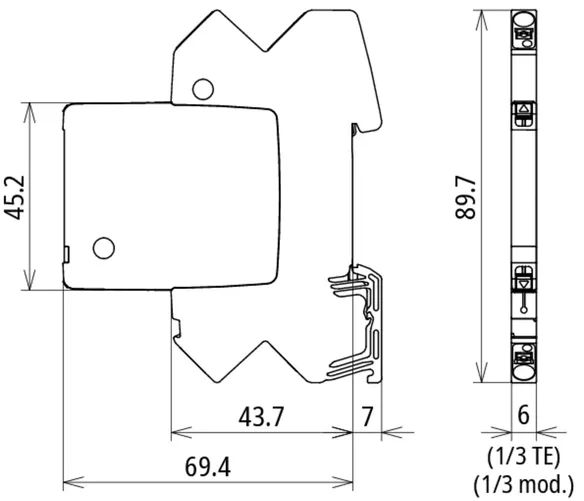
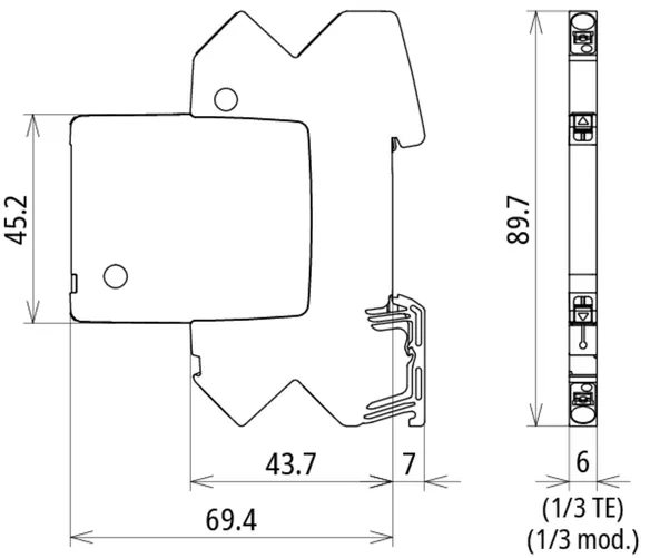
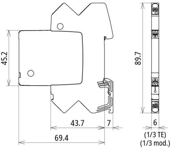
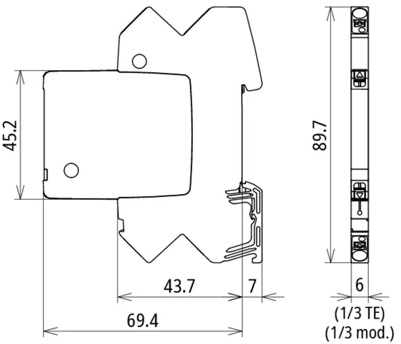
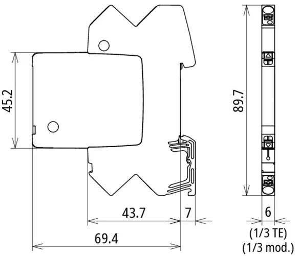
Funktionsoptimiertes Gerätedesign in 6 mm Baubreite
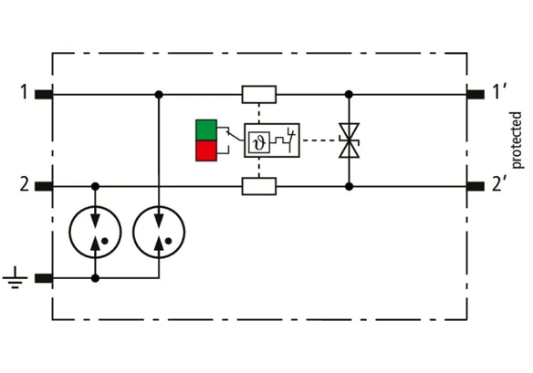
  • Im Modul integrierter LifeCheck und optische Statusanzeige
  • Einfache Status-Fernmeldung mit optionaler FM-Einheit
  • Werkzeugloses Trennen des Signalkreises für Wartungszwecke
  • Vibrations- und schockgeprüft für den sicheren Betrieb

Details

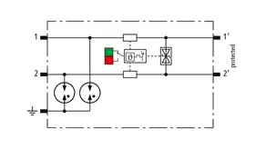
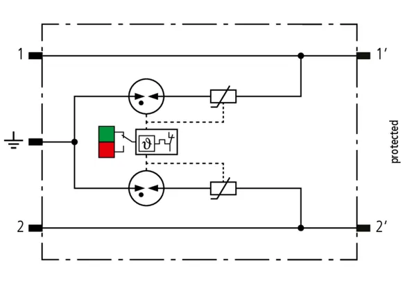
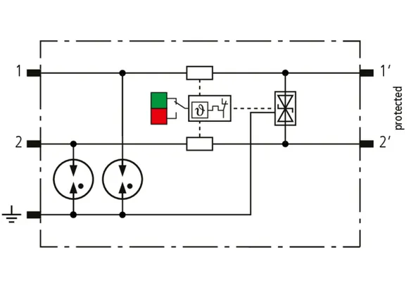
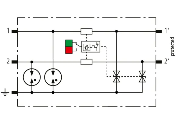
Sicher verriegelt – exakt entfernt
Beidseitige secR Entriegelungstasten für das sichere Handling
lorem ipsum
Höchste Anlagenverfügbarkeit
Zulassungen für den Einsatz in eigensicheren Messkreisen
lorem ipsum
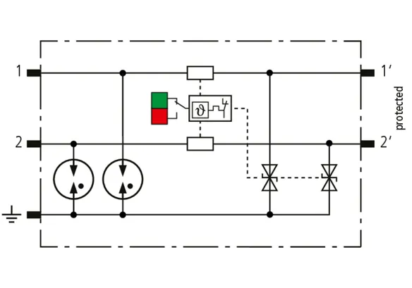
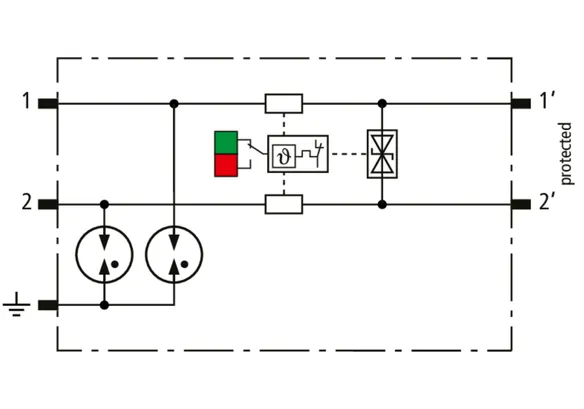
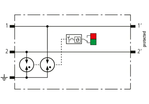
Connect = Protect
Einfache Statusmeldung mit Überwachungseinheit für Ableitergruppen
lorem ipsum
Schnell geprüft – auf einen Blick
Integrierte Anzeige zur einfachen und schnellen Wartung
lorem ipsum


BCO ML2 B 180

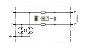
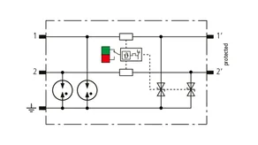
Platzsparender, modularer Blitzstrom-Ableiter in 6 mm Baubreite und Push-in-Anschlusstechnik mit Statusanzeige zum Schutz von 2 Einzeladern für den Blitzschutz-Potentialausgleich sowie die Ausführung einer indirekten Erdung geschirmter Leitungen. Mit Signaltrennung für Wartungszwecke.

1 Produkt

Art.-Nr. 927210 BCO ML2 B 180

GTIN 4013364405585, Zolltarifnr. (EU): 85363010, Bruttogewicht: 57.75 g, VPE: 1.00 Stk.


Abbildungen

Weitere Information

Blitzstrom-Ableiter BLITZDUCTORconnect ML2 B 180
modularer, steckbarer Blitzstrom-Ableiter
zum Schutz von 2 Einzeladern für den
Blitzschutz-Potentialausgleich sowie die Ausführung
einer indirekten Erdung geschirmter Leitungen
geprüft nach EN/IEC 61643-21 und energetisch
koordiniert nach IEC 61643-22
Ableiterklasse Type 1
Impulskategorie: C2, C3, B2, D1
Statusanzeige, Baubreite 6 mm
Höchste Dauerspannung: 180,0 V DC / 127,0 V AC
Nennstrom bei 80°C: 1,2 A
C2 Nennableitstoßstrom pro Ader (8/20): 5 kA
C2 Nennableitstoßstrom gesamt (8/20): 10 kA
D1 Blitzstoßstrom (10/350 µs) pro Ader: 1,5 kA
D1 Blitzstoßstrom (10/350 µs) gesamt: 3 kA
mit Signaltrennung für Wartungszwecke
Leitungsanschluss: Push-in

Fabrikat: DEHN
Typ: BCO ML2 B 180
Art.-Nr.: 927210
oder gleichwertig.

Zertifikate

 

Technische Daten

Ableiterklasse A
Nennspannung (UN ) 180 V
Höchste Dauerspannung DC (UC ) 180 V
D1 Blitzstoßstrom (10/350 µs) pro Ader (Iimp ) 1,5 kA
C2 Nennableitstoßstrom (8/20 µs) gesamt (In ) 10 kA
Serienimpedanz pro Ader 0 Ohm
Zulassungen UL 497B, CSA, ATEX, IECEx, CCC, SIL
*) Details siehe: www.dehn.de

Artikel 927210 wurde zum Merkzettel hinzugefügt.

Zum Merkzettel

Artikel 927210 wurde zum Warenkorb hinzugefügt.

Zum Warenkorb

BCO ML2 BE

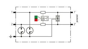
Platzsparender, modularer Kombi-Ableiter in 6 mm Baubreite und Push-in-Anschlusstechnik mit Statusanzeige zum Schutz von 2 Einzeladern mit gemeinsamen Bezugspotential sowie unsymmetrischer Schnittstellen. Mit Signaltrennung für Wartungszwecke.

4 Produkte

Art.-Nr. 927222 BCO ML2 BE 12

GTIN 4013364405592, Zolltarifnr. (EU): 85363010, Bruttogewicht: 59.19 g, VPE: 1.00 Stk.

Vorgänger

Abbildungen

Weitere Information

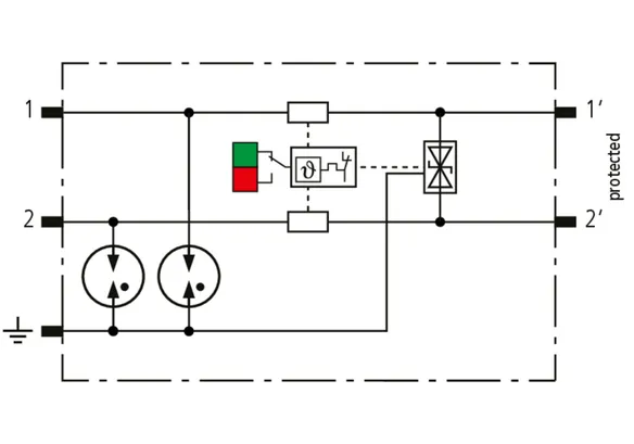
Kombi-Ableiter BLITZDUCTORconnect ML2 BE 12
modularer, steckbarer Kombi-Ableiter
zum Schutz von 2 Einzeladern mit gemeinsamen
Bezugspotential sowie unsymmetrischer Schnittstellen
geprüft nach EN/IEC 61643-21 und energetisch
koordiniert nach IEC 61643-22
Ableiterklasse Type 1 / P1
Impulskategorie: C1, C2, C3, B2, D1
Statusanzeige, Baubreite 6 mm
Höchste Dauerspannung: 15,0 V DC / 10,6 V AC
Nennstrom bei 70°C: 0,75 A
C2 Nennableitstoßstrom pro Ader (8/20): 5 kA
C2 Nennableitstoßstrom gesamt (8/20): 10 kA
D1 Blitzstoßstrom (10/350 µs) pro Ader: 1,5 kA
D1 Blitzstoßstrom (10/350 µs) gesamt: 3 kA
mit Signaltrennung für Wartungszwecke
Leitungsanschluss: Push-in

Fabrikat: DEHN
Typ: BCO ML2 BE 12
Art.-Nr.: 927222
oder gleichwertig.

Zertifikate

 

Technische Daten

Ableiterklasse M
Nennspannung (UN ) 12 V
Höchste Dauerspannung DC (UC ) 15 V
Nennstrom bei 70 °C (IL ) 0,75 A
D1 Blitzstoßstrom (10/350 µs) pro Ader (Iimp ) 1,5 kA
C2 Nennableitstoßstrom (8/20 µs) gesamt (In ) 10 kA
Serienimpedanz pro Ader 1 Ohm
Grenzfrequenz Ad-Ad (fG ) 1,4 MHz
Zulassungen UL 479B, CSA, ATEX, IECEx, CCC, SIL
*) Details siehe: www.dehn.de

Artikel 927222 wurde zum Merkzettel hinzugefügt.

Zum Merkzettel

Artikel 927222 wurde zum Warenkorb hinzugefügt.

Zum Warenkorb

Art.-Nr. 927224 BCO ML2 BE 24

GTIN 4013364405608, Zolltarifnr. (EU): 85363010, Bruttogewicht: 59.68 g, VPE: 1.00 Stk.

Vorgänger

Abbildungen

Weitere Information

Kombi-Ableiter BLITZDUCTORconnect ML2 BE 24
modularer, steckbarer Kombi-Ableiter
zum Schutz von 2 Einzeladern mit gemeinsamen
Bezugspotential sowie unsymmetrischer Schnittstellen
geprüft nach EN/IEC 61643-21 und energetisch
koordiniert nach IEC 61643-22
Ableiterklasse Type 1 / P1
Impulskategorie: C1, C2, C3, B2, D1
Statusanzeige, Baubreite 6 mm
Höchste Dauerspannung: 33,0 V DC / 23,3 V AC
Nennstrom bei 70°C: 0,75 A
C2 Nennableitstoßstrom pro Ader (8/20): 5 kA
C2 Nennableitstoßstrom gesamt (8/20): 10 kA
D1 Blitzstoßstrom (10/350 µs) pro Ader: 1,5 kA
D1 Blitzstoßstrom (10/350 µs) gesamt: 3 kA
mit Signaltrennung für Wartungszwecke
Leitungsanschluss: Push-in

Fabrikat: DEHN
Typ: BCO ML2 BE 24
Art.-Nr.: 927224
oder gleichwertig.

Zertifikate

 

Technische Daten

Ableiterklasse M
Nennspannung (UN ) 24 V
Höchste Dauerspannung DC (UC ) 33 V
Nennstrom bei 70 °C (IL ) 0,75 A
D1 Blitzstoßstrom (10/350 µs) pro Ader (Iimp ) 1,5 kA
C2 Nennableitstoßstrom (8/20 µs) gesamt (In ) 10 kA
Serienimpedanz pro Ader 1 Ohm
Grenzfrequenz Ad-Ad (fG ) 3,4 MHz
Zulassungen UL 497B, CSA, ATEX, IECEx, CCC, SIL
*) Details siehe: www.dehn.de

Artikel 927224 wurde zum Merkzettel hinzugefügt.

Zum Merkzettel

Artikel 927224 wurde zum Warenkorb hinzugefügt.

Zum Warenkorb

Art.-Nr. 927225 BCO ML2 BE 48

GTIN 4013364405615, Zolltarifnr. (EU): 85363010, Bruttogewicht: 58.22 g, VPE: 1.00 Stk.

Vorgänger

Abbildungen

Weitere Information

Kombi-Ableiter BLITZDUCTORconnect ML2 BE 48
modularer, steckbarer Kombi-Ableiter
zum Schutz von 2 Einzeladern mit gemeinsamen
Bezugspotential sowie unsymmetrischer Schnittstellen
geprüft nach EN/IEC 61643-21 und energetisch
koordiniert nach IEC 61643-22
Ableiterklasse Type 1 / P1
Impulskategorie: C1, C2, C3, B2, D1
Statusanzeige, Baubreite 6 mm
Höchste Dauerspannung: 54,0 V DC / 38,1 V AC
Nennstrom bei 70°C: 0,75 A
C2 Nennableitstoßstrom pro Ader (8/20): 5 kA
C2 Nennableitstoßstrom gesamt (8/20): 10 kA
D1 Blitzstoßstrom (10/350 µs) pro Ader: 1,5 kA
D1 Blitzstoßstrom (10/350 µs) gesamt: 3 kA
mit Signaltrennung für Wartungszwecke
Leitungsanschluss: Push-in

Fabrikat: DEHN
Typ: BCO ML2 BE 48
Art.-Nr.: 927225
oder gleichwertig.

Zertifikate

 

Technische Daten

Ableiterklasse M
Nennspannung (UN ) 48 V
Höchste Dauerspannung DC (UC ) 54 V
Nennstrom bei 70 °C (IL ) 0,75 A
D1 Blitzstoßstrom (10/350 µs) pro Ader (Iimp ) 1,5 kA
C2 Nennableitstoßstrom (8/20 µs) gesamt (In ) 10 kA
Serienimpedanz pro Ader 1 Ohm
Grenzfrequenz Ad-Ad (fG ) 5 MHz
Zulassungen UL 497B, CSA, ATEX, IECEx, CCC, SIL
*) Details siehe: www.dehn.de

Artikel 927225 wurde zum Merkzettel hinzugefügt.

Zum Merkzettel

Artikel 927225 wurde zum Warenkorb hinzugefügt.

Zum Warenkorb

Art.-Nr. 927227 BCO ML2 BE 180

GTIN 4013364468658, Zolltarifnr. (EU): 85363010, Bruttogewicht: 58.85 g, VPE: 1.00 Stk.

Vorgänger

Abbildungen

Weitere Information

Kombi-Ableiter BLITZDUCTORconnect ML2 BE 180
modularer, steckbarer Kombi-Ableiter
zum Schutz von 2 Einzeladern mit gemeinsamen
Bezugspotential sowie unsymmetrischer Schnittstellen
geprüft nach EN/IEC 61643-21 und energetisch
koordiniert nach IEC 61643-22
Ableiterklasse Type 1 / P1
Impulskategorie: C1, C2, C3, B2, D1
Statusanzeige, Baubreite 6 mm
Höchste Dauerspannung: 180 V DC / 127 V AC
Nennstrom bei 70°C: 0,5 A
C2 Nennableitstoßstrom pro Ader (8/20): 5 kA
C2 Nennableitstoßstrom gesamt (8/20): 10 kA
D1 Blitzstoßstrom (10/350 µs) pro Ader: 1,5 kA
D1 Blitzstoßstrom (10/350 µs) gesamt: 3 kA
mit Signaltrennung für Wartungszwecke
Leitungsanschluss: Push-in

Fabrikat: DEHN
Typ: BCO ML2 BE 180
Art.-Nr.: 927227
oder gleichwertig.

Zertifikate

 

Technische Daten

Ableiterklasse M
Nennspannung (UN ) 180 V
Höchste Dauerspannung DC (UC ) 180 V
Nennstrom bei 70 °C (IL ) 0,5 A
D1 Blitzstoßstrom (10/350 µs) pro Ader (Iimp ) 1,5 kA
C2 Nennableitstoßstrom (8/20 µs) gesamt (In ) 10 kA
Serienimpedanz pro Ader 1,8 Ohm
Grenzfrequenz Ad-Ad (fG ) 10 MHz
Zulassungen UL 497B, SIL
*) Details siehe: www.dehn.de

Artikel 927227 wurde zum Merkzettel hinzugefügt.

Zum Merkzettel

Artikel 927227 wurde zum Warenkorb hinzugefügt.

Zum Warenkorb

BCO ML2 BD

Platzsparender, modularer Kombi-Ableiter in 6 mm Baubreite und Push-in-Anschlusstechnik mit Statusanzeige zum Schutz von 1 Doppelader erdpotentialfreier symmetrischer Schnittstellen. Mit Signaltrennung für Wartungszwecke.

4 Produkte

Art.-Nr. 927242 BCO ML2 BD 12

GTIN 4013364405622, Zolltarifnr. (EU): 85363010, Bruttogewicht: 58.35 g, VPE: 1.00 Stk.

Vorgänger

Abbildungen

Weitere Information

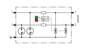
Kombi-Ableiter BLITZDUCTORconnect ML2 BD 12
modularer, steckbarer Kombi-Ableiter
zum Schutz einer Doppelader erdpotentialfreier
symmetrischer Schnittstellen
geprüft nach EN/IEC 61643-21 und
energetisch koordiniert nach IEC 61643-22
Ableiterklasse Type 1 / P2
Impulskategorie: C1, C2, C3, B2, D1
Statusanzeige, Baubreite 6 mm
Höchste Dauerspannung: 15,0 V DC / 10,6 V AC
Nennstrom bei 70°C: 0,75 A
C2 Nennableitstoßstrom pro Ader (8/20): 5 kA
C2 Nennableitstoßstrom gesamt (8/20): 10 kA
D1 Blitzstoßstrom (10/350 µs) pro Ader: 1,5 kA
D1 Blitzstoßstrom (10/350 µs) gesamt: 3 kA
mit Signaltrennung für Wartungszwecke
Leitungsanschluss: Push-in

Fabrikat: DEHN
Typ: BCO ML2 BD 12
Art.-Nr.: 927242
oder gleichwertig.

Zertifikate

 

Technische Daten

Ableiterklasse L
Nennspannung (UN ) 12 V
Höchste Dauerspannung DC (UC ) 15 V
Nennstrom bei 70 °C (IL ) 0,75 A
D1 Blitzstoßstrom (10/350 µs) pro Ader (Iimp ) 1,5 kA
C2 Nennableitstoßstrom (8/20 µs) gesamt (In ) 10 kA
Serienimpedanz pro Ader 1 Ohm
Grenzfrequenz Ad-Ad (fG ) 2,6 MHz
Zulassungen UL 497B, CSA, ATEX, IECEx, CCC, SIL
*) Details siehe: www.dehn.de

Artikel 927242 wurde zum Merkzettel hinzugefügt.

Zum Merkzettel

Artikel 927242 wurde zum Warenkorb hinzugefügt.

Zum Warenkorb

Art.-Nr. 927244 BCO ML2 BD 24

GTIN 4013364405639, Zolltarifnr. (EU): 85363010, Bruttogewicht: 58.64 g, VPE: 1.00 Stk.

Vorgänger

Abbildungen

Weitere Information

Kombi-Ableiter BLITZDUCTORconnect ML2 BD 24
modularer, steckbarer Kombi-Ableiter
zum Schutz einer Doppelader erdpotentialfreier
symmetrischer Schnittstellen
geprüft nach EN/IEC 61643-21 und
energetisch koordiniert nach IEC 61643-22
Ableiterklasse Type 1 / P2
Impulskategorie: C1, C2, C3, B2, D1
Statusanzeige, Baubreite 6 mm
Höchste Dauerspannung: 36,0 V DC / 25,4 V AC
Nennstrom bei 70°C: 0,75 A
C2 Nennableitstoßstrom pro Ader (8/20): 5 kA
C2 Nennableitstoßstrom gesamt (8/20): 10 kA
D1 Blitzstoßstrom (10/350 µs) pro Ader: 1,5 kA
D1 Blitzstoßstrom (10/350 µs) gesamt: 3 kA
mit Signaltrennung für Wartungszwecke
Leitungsanschluss: Push-in

Fabrikat: DEHN
Typ: BCO ML2 BD 24
Art.-Nr.: 927244
oder gleichwertig.

Zertifikate

 

Technische Daten

Ableiterklasse L
Nennspannung (UN ) 24 V
Höchste Dauerspannung DC (UC ) 36 V
Nennstrom bei 70 °C (IL ) 0,75 A
D1 Blitzstoßstrom (10/350 µs) pro Ader (Iimp ) 1,5 kA
C2 Nennableitstoßstrom (8/20 µs) gesamt (In ) 10 kA
Serienimpedanz pro Ader 1 Ohm
Grenzfrequenz Ad-Ad (fG ) 5,8 MHz
Zulassungen UL 497B, CSA, ATEX, IECEx, CCC, SIL
*) Details siehe: www.dehn.de

Artikel 927244 wurde zum Merkzettel hinzugefügt.

Zum Merkzettel

Artikel 927244 wurde zum Warenkorb hinzugefügt.

Zum Warenkorb

Art.-Nr. 927245 BCO ML2 BD 48

GTIN 4013364405646, Zolltarifnr. (EU): 85363010, Bruttogewicht: 58.49 g, VPE: 1.00 Stk.

Vorgänger

Abbildungen

Weitere Information

Kombi-Ableiter BLITZDUCTORconnect ML2 BD 48
modularer, steckbarer Kombi-Ableiter
zum Schutz einer Doppelader erdpotentialfreier
symmetrischer Schnittstellen
geprüft nach EN/IEC 61643-21 und
energetisch koordiniert nach IEC 61643-22
Ableiterklasse Type 1 / P2
Impulskategorie: C1, C2, C3, B2, D1
Statusanzeige, Baubreite 6 mm
Höchste Dauerspannung: 56,0 V DC / 39,6 V AC
Nennstrom bei 70°C: 0,75 A
C2 Nennableitstoßstrom pro Ader (8/20): 5 kA
C2 Nennableitstoßstrom gesamt (8/20): 10 kA
D1 Blitzstoßstrom (10/350 µs) pro Ader: 1,5 kA
D1 Blitzstoßstrom (10/350 µs) gesamt: 3 kA
mit Signaltrennung für Wartungszwecke
Leitungsanschluss: Push-in

Fabrikat: DEHN
Typ: BCO ML2 BD 48
Art.-Nr.: 927245
oder gleichwertig.

Zertifikate

 

Technische Daten

Ableiterklasse L
Nennspannung (UN ) 48 V
Höchste Dauerspannung DC (UC ) 56 V
Nennstrom bei 70 °C (IL ) 0,75 A
D1 Blitzstoßstrom (10/350 µs) pro Ader (Iimp ) 1,5 kA
C2 Nennableitstoßstrom (8/20 µs) gesamt (In ) 10 kA
Serienimpedanz pro Ader 1 Ohm
Grenzfrequenz Ad-Ad (fG ) 7,2 MHz
Zulassungen UL 497B, CSA, ATEX, IECEx, CCC, SIL
*) Details siehe: www.dehn.de

Artikel 927245 wurde zum Merkzettel hinzugefügt.

Zum Merkzettel

Artikel 927245 wurde zum Warenkorb hinzugefügt.

Zum Warenkorb

Art.-Nr. 927247 BCO ML2 BD 180

GTIN 4013364468665, Zolltarifnr. (EU): 85363010, Bruttogewicht: 58.92 g, VPE: 1.00 Stk.

Vorgänger

Abbildungen

Weitere Information

Kombi-Ableiter BLITZDUCTORconnect ML2 BD 180
modularer, steckbarer Kombi-Ableiter
zum Schutz einer Doppelader erdpotentialfreier
symmetrischer Schnittstellen
geprüft nach EN/IEC 61643-21 und
energetisch koordiniert nach IEC 61643-22
Ableiterklasse Type 1 / P2
Impulskategorie: C1, C2, C3, B2, D1
Statusanzeige, Baubreite 6 mm
Höchste Dauerspannung: 180 V DC / 127 V AC
Nennstrom bei 70°C: 0,5 A
C2 Nennableitstoßstrom pro Ader (8/20): 5 kA
C2 Nennableitstoßstrom gesamt (8/20): 10 kA
D1 Blitzstoßstrom (10/350 µs) pro Ader: 1,5 kA
D1 Blitzstoßstrom (10/350 µs) gesamt: 3 kA
mit Signaltrennung für Wartungszwecke
Leitungsanschluss: Push-in

Fabrikat: DEHN
Typ: BCO ML2 BD 180
Art.-Nr.: 927247
oder gleichwertig.

Zertifikate

 

Technische Daten

Ableiterklasse L
Nennspannung (UN ) 180 V
Höchste Dauerspannung DC (UC ) 180 V
Nennstrom bei 70 °C (IL ) 0,5 A
D1 Blitzstoßstrom (10/350 µs) pro Ader (Iimp ) 1,5 kA
C2 Nennableitstoßstrom (8/20 µs) gesamt (In ) 10 kA
Serienimpedanz pro Ader 1,8 Ohm
Grenzfrequenz Ad-Ad (fG ) 10 MHz
Zulassungen UL 497B, SIL
*) Details siehe: www.dehn.de

Artikel 927247 wurde zum Merkzettel hinzugefügt.

Zum Merkzettel

Artikel 927247 wurde zum Warenkorb hinzugefügt.

Zum Warenkorb

BCO ML2 BE HF

Platzsparender, modularer Kombi-Ableiter in 6 mm Baubreite und Push-in-Anschlusstechnik mit Statusanzeige zum Schutz von 2 Einzeladern hochfrequenter Übertragungen mit gemeinsamen Bezugspotential sowie unsymmetrischer Schnittstellen. Mit Signaltrennung für Wartungszwecke.

2 Produkte

Art.-Nr. 927270 BCO ML2 BE HF 5

GTIN 4013364405653, Zolltarifnr. (EU): 85363010, Bruttogewicht: 58.57 g, VPE: 1.00 Stk.

Vorgänger

Abbildungen

Weitere Information

Kombi-Ableiter BLITZDUCTORconnect ML2 BE HF 5
modularer, steckbarer Kombi-Ableiter
zum Schutz von 2 Einzeladern hochfrequenter
Übertragungen mit gemeinsamen Bezugspotential
sowie unsymmetrischer Schnittstellen
geprüft nach EN/IEC 61643-21 und energetisch
koordiniert nach IEC 61643-22
Ableiterklasse Type 1 / P1
Impulskategorie: C1, C2, C3, B2, D1
Statusanzeige, Baubreite 6 mm
Höchste Dauerspannung: 8,5 V DC / 6,0 V AC
Nennstrom bei 70°C: 0,75 A
Grenzfrequenz 100 MHz
C2 Nennableitstoßstrom pro Ader (8/20): 5 kA
C2 Nennableitstoßstrom gesamt (8/20): 10 kA
D1 Blitzstoßstrom (10/350 µs) pro Ader: 1,5 kA
D1 Blitzstoßstrom (10/350 µs) gesamt: 3 kA
mit Signaltrennung für Wartungszwecke
Leitungsanschluss: Push-in

Fabrikat: DEHN
Typ: BCO ML2 BE HF 5
Art.-Nr.: 927270
oder gleichwertig.

Zertifikate

 

Technische Daten

Ableiterklasse M
Nennspannung (UN ) 5 V
Höchste Dauerspannung DC (UC ) 8,5 V
Nennstrom bei 70 °C (IL ) 0,75 A
D1 Blitzstoßstrom (10/350 µs) pro Ader (Iimp ) 1,5 kA
C2 Nennableitstoßstrom (8/20 µs) gesamt (In ) 10 kA
Serienimpedanz pro Ader 1 Ohm
Zulassungen UL 497B, CSA, ATEX, IECEx, CCC, SIL
*) Details siehe: www.dehn.de

Artikel 927270 wurde zum Merkzettel hinzugefügt.

Zum Merkzettel

Artikel 927270 wurde zum Warenkorb hinzugefügt.

Zum Warenkorb

Art.-Nr. 927274 BCO ML2 BE HF 24

GTIN 4013364468559, Zolltarifnr. (EU): 85363010, Bruttogewicht: 58.30 g, VPE: 1.00 Stk.


Abbildungen

Weitere Information

Kombi-Ableiter BLITZDUCTORconnect ML2 BE HF 24
modularer, steckbarer Kombi-Ableiter
zum Schutz von 2 Einzeladern hochfrequenter
Übertragungen mit gemeinsamen Bezugspotential
sowie unsymmetrischer Schnittstellen
geprüft nach EN/IEC 61643-21 und energetisch
koordiniert nach IEC 61643-22
Ableiterklasse Type 1 / P1
Impulskategorie: C1, C2, C3, B2, D1
Statusanzeige, Baubreite 6 mm
Höchste Dauerspannung: 36 V DC / 25,4 V AC
Nennstrom bei 70°C: 0,75 A
Grenzfrequenz 100 MHz
C2 Nennableitstoßstrom pro Ader (8/20): 5 kA
C2 Nennableitstoßstrom gesamt (8/20): 10 kA
D1 Blitzstoßstrom (10/350 µs) pro Ader: 1,5 kA
D1 Blitzstoßstrom (10/350 µs) gesamt: 3 kA
mit Signaltrennung für Wartungszwecke
Leitungsanschluss: Push-in

Fabrikat: DEHN
Typ: BCO ML2 BE HF 24
Art.-Nr.: 927274
oder gleichwertig.

Zertifikate

 

Technische Daten

Ableiterklasse M
Nennspannung (UN ) 24 V
Höchste Dauerspannung DC (UC ) 36 V
Nennstrom bei 70 °C (IL ) 0,75 A
D1 Blitzstoßstrom (10/350 µs) pro Ader (Iimp ) 1,5 kA
C2 Nennableitstoßstrom (8/20 µs) gesamt (In ) 10 kA
Serienimpedanz pro Ader 1 Ohm
Zulassungen UL 497B, SIL
*) Details siehe: www.dehn.de

Artikel 927274 wurde zum Merkzettel hinzugefügt.

Zum Merkzettel

Artikel 927274 wurde zum Warenkorb hinzugefügt.

Zum Warenkorb

BCO ML2 BD HF

Platzsparender, modularer Kombi-Ableiter in 6 mm Baubreite und Push-in-Anschlusstechnik mit Statusanzeige zum Schutz von 1 Doppelader erdpotentialfreier hochfrequenter Bussysteme sowie symmetrischer Schnittstellen. Mit Signaltrennung für Wartungszwecke.

2 Produkte

Art.-Nr. 927271 BCO ML2 BD HF 5

GTIN 4013364405660, Zolltarifnr. (EU): 85363010, Bruttogewicht: 58.42 g, VPE: 1.00 Stk.

Vorgänger

Abbildungen

Weitere Information

Kombi-Ableiter BLITZDUCTORconnect ML2 BD HF 5
modularer, steckbarer Kombi-Ableiter zum Schutz
von 1 Doppelader erdpotentialfreier hochfrequenter
Bussysteme sowie symmetrischer Schnittstellen
geprüft nach EN/IEC 61643-21 und energetisch
koordiniert nach IEC 61643-22
Ableiterklasse Type 1 / P2
Impulskategorie: C1, C2, C3, B2, D1
Statusanzeige, Baubreite 6 mm
Höchste Dauerspannung: 8,5 V DC / 6,0 V AC
Nennstrom bei 70°C: 0,75 A
Grenzfrequenz 100 MHz
C2 Nennableitstoßstrom pro Ader (8/20): 5 kA
C2 Nennableitstoßstrom gesamt (8/20): 10 kA
D1 Blitzstoßstrom (10/350 µs) pro Ader: 1,5 kA
D1 Blitzstoßstrom (10/350 µs) gesamt: 3 kA
mit Signaltrennung für Wartungszwecke
Leitungsanschluss: Push-in

Fabrikat: DEHN
Typ: BCO ML2 BD HF 5
Art.-Nr.: 927271
oder gleichwertig.

Zertifikate

 

Technische Daten

Ableiterklasse L
Nennspannung (UN ) 5 V
Höchste Dauerspannung DC (UC ) 8,5 V
Nennstrom bei 70 °C (IL ) 0,75 A
D1 Blitzstoßstrom (10/350 µs) pro Ader (Iimp ) 1,5 kA
C2 Nennableitstoßstrom (8/20 µs) gesamt (In ) 10 kA
Serienimpedanz pro Ader 1 Ohm
Grenzfrequenz Ad-Ad (fG ) 100 MHz
Zulassungen UL 497B, CSA, ATEX, IECEx, CCC, SIL
*) Details siehe: www.dehn.de

Artikel 927271 wurde zum Merkzettel hinzugefügt.

Zum Merkzettel

Artikel 927271 wurde zum Warenkorb hinzugefügt.

Zum Warenkorb

Art.-Nr. 927275 BCO ML2 BD HF 24

GTIN 4013364468566, Zolltarifnr. (EU): 85363010, Bruttogewicht: 58.60 g, VPE: 1.00 Stk.

Vorgänger

Abbildungen

Weitere Information

Kombi-Ableiter BLITZDUCTORconnect ML2 BD HF 24
modularer, steckbarer Kombi-Ableiter zum Schutz
von 1 Doppelader erdpotentialfreier hochfrequenter
Bussysteme sowie symmetrischer Schnittstellen
geprüft nach EN/IEC 61643-21 und energetisch
koordiniert nach IEC 61643-22
Ableiterklasse Type 1 / P2
Impulskategorie: C1, C2, C3, B2, D1
Statusanzeige, Baubreite 6 mm
Höchste Dauerspannung: 36 V DC / 25,4 V AC
Nennstrom bei 70°C: 0,75 A
Grenzfrequenz 100 MHz
C2 Nennableitstoßstrom pro Ader (8/20): 5 kA
C2 Nennableitstoßstrom gesamt (8/20): 10 kA
D1 Blitzstoßstrom (10/350 µs) pro Ader: 1,5 kA
D1 Blitzstoßstrom (10/350 µs) gesamt: 3 kA
mit Signaltrennung für Wartungszwecke
Leitungsanschluss: Push-in

Fabrikat: DEHN
Typ: BCO ML2 BD HF 24
Art.-Nr.: 927275
oder gleichwertig.

Zertifikate

 

Technische Daten

Ableiterklasse L
Nennspannung (UN ) 24 V
Höchste Dauerspannung DC (UC ) 36 V
Nennstrom bei 70 °C (IL ) 0,75 A
D1 Blitzstoßstrom (10/350 µs) pro Ader (Iimp ) 1,5 kA
C2 Nennableitstoßstrom (8/20 µs) gesamt (In ) 10 kA
Serienimpedanz pro Ader 1 Ohm
Grenzfrequenz Ad-Ad (fG ) 100 MHz
Zulassungen UL 497B, SIL
*) Details siehe: www.dehn.de

Artikel 927275 wurde zum Merkzettel hinzugefügt.

Zum Merkzettel

Artikel 927275 wurde zum Warenkorb hinzugefügt.

Zum Warenkorb

BCO ML2 BD HC5A 24

1 Produkt

Art.-Nr. 927254 BCO ML2 BD HC5A 24

GTIN 4013364513419, Zolltarifnr. (EU): 85363010, Bruttogewicht: 60.63 g, VPE: 1.00 Stk.


Abbildungen

Weitere Information

Kombi-Ableiter BLITZDUCTORconnect ML2 BD HC5A 24
modularer, steckbarer Kombi-Ableiter zum Schutz
von 1 Doppelader erdpotentialfreier Signalkreise
mit hohem Nennstrom in informationstechnischen
Systemen und MSR-Kreisen
geprüft nach EN/IEC 61643-21 und energetisch
koordiniert nach IEC 61643-22
Ableiterklasse Type 1 / P2
Impulskategorie: C1, C2, C3, B2, D1
Statusanzeige, Baubreite 6 mm
Höchste Dauerspannung: 36 V DC / 25,4 V AC
Nennstrom bei 80°C: 5 A
C2 Nennableitstoßstrom pro Ader (8/20): 5 kA
C2 Nennableitstoßstrom gesamt (8/20): 10 kA
D1 Blitzstoßstrom (10/350 µs) pro Ader: 1,5 kA
D1 Blitzstoßstrom (10/350 µs) gesamt: 3 kA
mit Signaltrennung für Wartungszwecke
Leitungsanschluss: Push-in

Fabrikat: DEHN
Typ: BCO ML2 BD HC5A 24
Art.-Nr.: 927254
oder gleichwertig.

Zertifikate

 

Technische Daten

Ableiterklasse L
Nennspannung (UN ) 24 V
Höchste Dauerspannung DC (UC ) 36 V
Nennstrom bei 80 °C (IL ) 5 A
D1 Blitzstoßstrom (10/350 µs) pro Ader (Iimp ) 1,5 kA
C2 Nennableitstoßstrom (8/20 µs) gesamt (In ) 10 kA
Serienimpedanz pro Ader 0 Ohm
Zulassungen UL 497B, SIL
*) Details siehe: www.dehn.de

Artikel 927254 wurde zum Merkzettel hinzugefügt.

Zum Merkzettel

Artikel 927254 wurde zum Warenkorb hinzugefügt.

Zum Warenkorb

BCO ML2 BPD 24

Platzsparender, modularer Kombi-Ableiter in 6 mm Baubreite und Push-In Anschlusstechnik mit Statusanzeige zum Schutz von 1 Doppelader in 24 V DC Systemen. Einsatz geeignet auch bei geerdetem Minuspol, integrierte PTC-Widerstände ermöglichen ein sicheres Rücksetzen des Ableiters nach Störbeeinflussung im Anlagenkreis mit Kurzschlussströmen bis 40 A. Mit Signaltrennung für Wartungszwecke.

1 Produkt

Art.-Nr. 927214 BCO ML2 BPD 24

GTIN 4013364473003, Zolltarifnr. (EU): 85363010, Bruttogewicht: 58.00 g, VPE: 1.00 Stk.


Abbildungen

Weitere Information

Kombi-Ableiter BLITZDUCTORconnect ML2 BPD 24
modularer steckbarer Kombi-Ableiter zum Schutz
einer Doppelader in 24 V DC Systemen,
Einsatz geeignet auch bei geerdetem Minuspol,
mit integrierten PTC Widerständen für einen
Überstromschutz bis 40 A
geprüft nach EN/IEC 61643-21 und energetisch
koordiniert nach IEC 61643-22
Ableiterklasse Type 1 / P2
Impulskategorie: C1, C2, C3, B2, D1
Statusanzeige, Baubreite 6 mm
Höchste Dauerspannung: 33,0 V DC / 23,3 V AC
Nennstrom bei 70°C: 0,1 A
C2 Nennableitstoßstrom pro Ader (8/20): 5 kA
C2 Nennableitstoßstrom gesamt (8/20): 10 kA
D1 Blitzstoßstrom (10/350 µs) pro Ader: 1,5 kA
D1 Blitzstoßstrom (10/350 µs) gesamt: 3 kA
mit Signaltrennung für Wartungszwecke
Leitungsanschluss: Push-In

Fabrikat: DEHN
Typ: BCO ML2 BPD 24
Art.-Nr.: 927214
oder gleichwertig.

Zertifikate

 

Technische Daten

Ableiterklasse L
Nennspannung (UN ) 24 V
Höchste Dauerspannung DC (UC ) 33 V
Nennstrom bei 70 °C (IL ) 0,1 A
D1 Blitzstoßstrom (10/350 µs) pro Ader (Iimp ) 1,5 kA
C2 Nennableitstoßstrom (8/20 µs) gesamt (In ) 10 kA
Serienimpedanz pro Ader 10 Ohm
Grenzfrequenz Ad-Ad (fG ) 4,5 MHz
Zulassungen UL 497B, SIL
*) Details siehe: www.dehn.de

Artikel 927214 wurde zum Merkzettel hinzugefügt.

Zum Merkzettel

Artikel 927214 wurde zum Warenkorb hinzugefügt.

Zum Warenkorb

BCO ML2 MVG 230

Platzsparender, modularer Überspannungs-Ableiter in 6 mm Baubreite und Push-in-Anschlusstechnik mit Statusanzeige zum Schutz von 2 Adern mehradriger, erdpotentialfreier Signalschnittstellen mit Nennspannung 230 V. Mit Signaltrennung für Wartungszwecke.
Erfüllt u.a. die Anforderungen für signaltechnische Anlagen in der Bahnindustrie (DB RIL 819.0808 konform).

1 Produkt

Art.-Nr. 927290 BCO ML2 MVG 230

GTIN 4013364466524, Zolltarifnr. (EU): 85363010, Bruttogewicht: 60.12 g, VPE: 1.00 Stk.


Abbildungen

Weitere Information

Überspannungs-Ableiter BLITZDUCTORconnect ML2 MVG 230
modularer, steckbarer Überspannungs-Ableiter
zum Schutz von 2 Adern mehradriger
Signalschnitttellen mit Nennspannung 230 V AC.
geprüft nach EN/IEC 61643-21 und energetisch
koordiniert nach IEC 61643-22
Ableiterklasse Type 2 / P3
Impulskategorie: C1, C2, C3
Statusanzeige, Baubreite 6 mm
Höchste Dauerspannung: 320 V DC / 250 V AC
Nennstrom bei 80°C: 3 A
C2 Nennableitstoßstrom pro Ader (8/20): 3 kA
C2 Nennableitstoßstrom gesamt (8/20): 6 kA
mit Signaltrennung für Wartungszwecke
Leitungsanschluss: Push-In
DB RIL 819.0808 konform

Fabrikat: DEHN
Typ: BCO ML2 MVG 230
Art.-Nr.: 927290
oder gleichwertig.

Zertifikate

 

Technische Daten

Ableiterklasse V
Nennspannung (UN ) 230 V
Nennstrom bei 80 °C (IL ) 3 A
C2 Nennableitstoßstrom (8/20 µs) gesamt (In ) 6 kA
Serienimpedanz pro Ader 0 Ohm
Zulassungen SIL
*) Details siehe: www.dehn.de

Artikel 927290 wurde zum Merkzettel hinzugefügt.

Zum Merkzettel

Artikel 927290 wurde zum Warenkorb hinzugefügt.

Zum Warenkorb

BCO ML2 BD EX 24

Platzsparender, modularer Überspannungs-Ableiter in 6 mm Baubreite und Push-in-Anschlusstechnik mit Statusanzeige zum Schutz von 1 Doppelader eigensicherer Messkreise und Bussysteme. Erfüllt Anforderungen nach FISCO. Isolationsfestigkeit >500 V Ader-Erde. Mit Signaltrennung für Wartungszwecke.

1 Produkt

Art.-Nr. 927284 BCO ML2 BD EX 24

GTIN 4013364405677, Zolltarifnr. (EU): 85363010, Bruttogewicht: 65.18 g, VPE: 1.00 Stk.

Vorgänger

Abbildungen

Weitere Information

Kombi-Ableiter BLITZDUCTORconnect ML2 BD EX 24
modularer steckbarer Kombi-Ableiter
zum Schutz einer Doppelader eigensicherer,
potentialfreier symmetrischer Schnittstellen
geprüft nach EN/IEC 61643-21 und
energetisch koordiniert nach IEC 61643-22
Ableiterklasse Type 1 / P2
Impulskategorie: C1, C2, C3, B2, D1
Statusanzeige, Baubreite 6 mm
Höchste Dauerspannung: 36,0 V DC / 25,4 V AC
Nennstrom bei 70°C: 0,75 A
Max. Eingangsspannung nach EN 60079-11: 30 V
Max. Eingangsstrom nach EN 60079-11: 0,5 A
C2 Nennableitstoßstrom pro Ader (8/20): 5 kA
C2 Nennableitstoßstrom gesamt (8/20): 10 kA
D1 Blitzstoßstrom (10/350 µs) pro Ader: 1,5 kA
D1 Blitzstoßstrom (10/350 µs) gesamt: 3 kA
mit Signaltrennung für Wartungszwecke
Leitungsanschluss: Push-in

Fabrikat: DEHN
Typ: BCO ML2 BD EX 24
Art.-Nr.: 927284
oder gleichwertig.

Zertifikate

 

Technische Daten

Ableiterklasse L
Nennspannung (UN ) 24 V
Höchste Dauerspannung DC (UC ) 36 V
Nennstrom bei 80 °C (IL ) 0,5 A
D1 Blitzstoßstrom (10/350 µs) pro Ader (Iimp ) 1,5 kA
C2 Nennableitstoßstrom (8/20 µs) gesamt (In ) 10 kA
Serienimpedanz pro Ader 1 Ohm
Grenzfrequenz Ad-Ad (fG ) 3,5 MHz
Zulassungen ATEX, IECEx, CCC, SIL
*) Details siehe: www.dehn.de

Artikel 927284 wurde zum Merkzettel hinzugefügt.

Zum Merkzettel

Artikel 927284 wurde zum Warenkorb hinzugefügt.

Zum Warenkorb

BCO MOD ML2 B

Blitzstrom-Ableiter-Schutzmodul in 6 mm Baubreite für BLITZDUCTORconnect mit Statusanzeige zum Schutz von 2 Einzeladern für den Blitzschutz-Potentialausgleich sowie die Ausführung einer indirekten Erdung geschirmter Leitungen.

1 Produkt

Art.-Nr. 927010 BCO MOD ML2 B 180

GTIN 4013364410114, Zolltarifnr. (EU): 85363010, Bruttogewicht: 39.00 g, VPE: 1.00 Stk.


Abbildungen

Weitere Information

Blitzstrom-Ableiter Schutzmodul
BLITZDUCTORconnect MOD ML2 B 180
steckbares Blitzstrom-Ableiter-Modul
zum Schutz von 2 Einzeladern
für den Blitzschutz-Potentialausgleich
sowie die Ausführung einer indirekten
Erdung geschirmter Leitungen
geprüft nach EN/IEC 61643-21 und energetisch
koordiniert nach IEC 61643-22
Ableiterklasse Type 1
Impulskategorie: C2, C3, B2, D1
Statusanzeige, Baubreite 6 mm
Höchste Dauerspannung: 180,0 V DC / 127,0 V AC
Nennstrom bei 80°C: 1,2 A
C2 Nennableitstoßstrom pro Ader (8/20): 5 kA
C2 Nennableitstoßstrom gesamt (8/20): 10 kA
D1 Blitzstoßstrom (10/350 µs) pro Ader: 1,5 kA
D1 Blitzstoßstrom (10/350 µs) gesamt: 3 kA
Austauschmodul

Fabrikat: DEHN
Typ: BCO MOD ML2 B 180
Art.-Nr.: 927010
oder gleichwertig.

Zertifikate

 

Technische Daten

Ableiterklasse A
Nennspannung (UN ) 180 V
Höchste Dauerspannung DC (UC ) 180 V
D1 Blitzstoßstrom (10/350 µs) pro Ader (Iimp ) 1,5 kA
C2 Nennableitstoßstrom (8/20 µs) gesamt (In ) 10 kA
Serienimpedanz pro Ader 0 Ohm
Zulassungen UL 497B, CSA, ATEX, IECEx, CCC, SIL
*) Details siehe: www.dehn.de

Artikel 927010 wurde zum Merkzettel hinzugefügt.

Zum Merkzettel

Artikel 927010 wurde zum Warenkorb hinzugefügt.

Zum Warenkorb

BCO MOD ML2 BE

Kombi-Ableiter-Schutzmodul in 6 mm Baubreite für BLITZDUCTORconnect mit Statusanzeige zum Schutz von 2 Einzeladern mit gemeinsamen Bezugspotential sowie unsymmetrischer Schnittstellen.

4 Produkte

Art.-Nr. 927022 BCO MOD ML2 BE 12

GTIN 4013364410121, Zolltarifnr. (EU): 85363010, Bruttogewicht: 39.00 g, VPE: 1.00 Stk.


Abbildungen

Weitere Information

Kombi-Ableiter Schutzmodul
BLITZDUCTORconnect MOD ML2 BE 12
steckbares Kombi-Ableiter
zum Schutz von 2 Einzeladern
mit gemeinsamen Bezugspotential
sowie unsymmetrischer Schnittstellen
geprüft nach EN/IEC 61643-21 und energetisch
koordiniert nach IEC 61643-22
Ableiterklasse Type 1 / P1
Impulskategorie: C1, C2, C3, B2, D1
Statusanzeige, Baubreite 6 mm
Höchste Dauerspannung: 15,0 V DC / 10,6 V AC
Nennstrom bei 70°C: 0,75 A
C2 Nennableitstoßstrom pro Ader (8/20): 5 kA
C2 Nennableitstoßstrom gesamt (8/20): 10 kA
D1 Blitzstoßstrom (10/350 µs) pro Ader: 1,5 kA
D1 Blitzstoßstrom (10/350 µs) gesamt: 3 kA
Austauschmodul

Fabrikat: DEHN
Typ: BCO MOD ML2 BE 12
Art.-Nr.: 927022
oder gleichwertig.

Zertifikate

 

Technische Daten

Ableiterklasse M
Nennspannung (UN ) 12 V
Höchste Dauerspannung DC (UC ) 15 V
Nennstrom bei 70 °C (IL ) 0,75 A
D1 Blitzstoßstrom (10/350 µs) pro Ader (Iimp ) 1,5 kA
C2 Nennableitstoßstrom (8/20 µs) gesamt (In ) 10 kA
Serienimpedanz pro Ader 1 Ohm
Grenzfrequenz Ad-Ad (fG ) 1,4 MHz
Zulassungen UL 497B, CSA, ATEX, IECEx, CCC, SIL
*) Details siehe: www.dehn.de

Artikel 927022 wurde zum Merkzettel hinzugefügt.

Zum Merkzettel

Artikel 927022 wurde zum Warenkorb hinzugefügt.

Zum Warenkorb

Art.-Nr. 927024 BCO MOD ML2 BE 24

GTIN 4013364410138, Zolltarifnr. (EU): 85363010, Bruttogewicht: 39.27 g, VPE: 1.00 Stk.


Abbildungen

Weitere Information

Kombi-Ableiter Schutzmodul
BLITZDUCTORconnect MOD ML2 BE 24
steckbares Kombi-Ableiter-Modul
zum Schutz von 2 Einzeladern
mit gemeinsamen Bezugspotential
sowie unsymmetrischer Schnittstellen
geprüft nach EN/IEC 61643-21 und energetisch
koordiniert nach IEC 61643-22
Ableiterklasse Type 1 / P1
Impulskategorie: C1, C2, C3, B2, D1
Statusanzeige, Baubreite 6 mm
Höchste Dauerspannung: 33,0 V DC / 23,3 V AC
Nennstrom bei 70°C: 0,75 A
C2 Nennableitstoßstrom pro Ader (8/20): 5 kA
C2 Nennableitstoßstrom gesamt (8/20): 10 kA
D1 Blitzstoßstrom (10/350 µs) pro Ader: 1,5 kA
D1 Blitzstoßstrom (10/350 µs) gesamt: 3 kA
Austauschmodul

Fabrikat: DEHN
Typ: BCO MOD ML2 BE 24
Art.-Nr.: 927024
oder gleichwertig.

Zertifikate

 

Technische Daten

Ableiterklasse M
Nennspannung (UN ) 24 V
Höchste Dauerspannung DC (UC ) 33 V
Nennstrom bei 70 °C (IL ) 0,75 A
D1 Blitzstoßstrom (10/350 µs) pro Ader (Iimp ) 1,5 kA
C2 Nennableitstoßstrom (8/20 µs) gesamt (In ) 10 kA
Serienimpedanz pro Ader 1 Ohm
Grenzfrequenz Ad-Ad (fG ) 3,4 MHz
Zulassungen UL 497B, CSA, ATEX, IECEx, CCC, SIL
*) Details siehe: www.dehn.de

Artikel 927024 wurde zum Merkzettel hinzugefügt.

Zum Merkzettel

Artikel 927024 wurde zum Warenkorb hinzugefügt.

Zum Warenkorb

Art.-Nr. 927025 BCO MOD ML2 BE 48

GTIN 4013364410145, Zolltarifnr. (EU): 85363010, Bruttogewicht: 39.00 g, VPE: 1.00 Stk.


Abbildungen

Weitere Information

Kombi-Ableiter Schutzmodul
BLITZDUCTORconnect MOD ML2 BE 48
steckbares Kombi-Ableiter-Modul
zum Schutz von 2 Einzeladern
mit gemeinsamen Bezugspotential
sowie unsymmetrischer Schnittstellen
geprüft nach EN/IEC 61643-21 und
energetisch koordiniert nach IEC 61643-22
Ableiterklasse Type 1 / P1
Impulskategorie: C1, C2, C3, B2, D1
Statusanzeige, Baubreite 6 mm
Höchste Dauerspannung: 54,0 V DC / 38,1 V AC
Nennstrom bei 70°C: 0,75 A
C2 Nennableitstoßstrom pro Ader (8/20): 5 kA
C2 Nennableitstoßstrom gesamt (8/20): 10 kA
D1 Blitzstoßstrom (10/350 µs) pro Ader: 1,5 kA
D1 Blitzstoßstrom (10/350 µs) gesamt: 3 kA
Austauschmodul

Fabrikat: DEHN
Typ: BCO MOD ML2 BE 48
Art.-Nr.: 927025
oder gleichwertig.

Zertifikate

 

Technische Daten

Ableiterklasse M
Nennspannung (UN ) 48 V
Höchste Dauerspannung DC (UC ) 54 V
Nennstrom bei 70 °C (IL ) 0,75 A
D1 Blitzstoßstrom (10/350 µs) pro Ader (Iimp ) 1,5 kA
C2 Nennableitstoßstrom (8/20 µs) gesamt (In ) 10 kA
Serienimpedanz pro Ader 1 Ohm
Grenzfrequenz Ad-Ad (fG ) 5 MHz
Zulassungen UL 497B, CSA, ATEX, IECEx, CCC, SIL
*) Details siehe: www.dehn.de

Artikel 927025 wurde zum Merkzettel hinzugefügt.

Zum Merkzettel

Artikel 927025 wurde zum Warenkorb hinzugefügt.

Zum Warenkorb

Art.-Nr. 927027 BCO MOD ML2 BE 180

GTIN 4013364468689, Zolltarifnr. (EU): 85363010, Bruttogewicht: 39.00 g, VPE: 1.00 Stk.


Abbildungen

Weitere Information

Kombi-Ableiter Schutzmodul
BLITZDUCTORconnect MOD ML2 BE 180
steckbares Kombi-Ableiter-Modul
zum Schutz von 2 Einzeladern
mit gemeinsamen Bezugspotential
sowie unsymmetrischer Schnittstellen
geprüft nach EN/IEC 61643-21 und
energetisch koordiniert nach IEC 61643-22
Ableiterklasse Type 1 / P1
Impulskategorie: C1, C2, C3, B2, D1
Statusanzeige, Baubreite 6 mm
Höchste Dauerspannung: 180 V DC / 127 V AC
Nennstrom bei 70°C: 0,5 A
C2 Nennableitstoßstrom pro Ader (8/20): 5 kA
C2 Nennableitstoßstrom gesamt (8/20): 10 kA
D1 Blitzstoßstrom (10/350 µs) pro Ader: 1,5 kA
D1 Blitzstoßstrom (10/350 µs) gesamt: 3 kA
Austauschmodul

Fabrikat: DEHN
Typ: BCO MOD ML2 BE 180
Art.-Nr.: 927027
oder gleichwertig.

Zertifikate

 

Technische Daten

Ableiterklasse M
Nennspannung (UN ) 180 V
Höchste Dauerspannung DC (UC ) 180 V
Nennstrom bei 70 °C (IL ) 0,5 A
D1 Blitzstoßstrom (10/350 µs) pro Ader (Iimp ) 1,5 kA
C2 Nennableitstoßstrom (8/20 µs) gesamt (In ) 10 kA
Serienimpedanz pro Ader 1,8 Ohm
Grenzfrequenz Ad-Ad (fG ) 10 MHz
Zulassungen UL 497B, SIL
*) Details siehe: www.dehn.de

Artikel 927027 wurde zum Merkzettel hinzugefügt.

Zum Merkzettel

Artikel 927027 wurde zum Warenkorb hinzugefügt.

Zum Warenkorb

BCO MOD ML2 BD

Kombi-Ableiter-Schutzmodul in 6 mm Baubreite für BLITZDUCTORconnect mit Statusanzeige zum Schutz von 1 Doppelader erdpotentialfreier symmetrischer Schnittstellen.

4 Produkte

Art.-Nr. 927042 BCO MOD ML2 BD 12

GTIN 4013364410152, Zolltarifnr. (EU): 85363010, Bruttogewicht: 39.00 g, VPE: 1.00 Stk.


Abbildungen

Weitere Information

Kombi-Ableiter Schutzmodul
BLITZDUCTORconnect MOD ML2 BD 12
steckbares Kombi-Ableiter-Modul
zum Schutz einer Doppelader
erdpotentialfreier symmetrischer Schnittstellen
geprüft nach EN/IEC 61643-21 und energetisch
koordiniert nach IEC 61643-22
Ableiterklasse Type 1 / P2
Impulskategorie: C1, C2, C3, B2, D1
Statusanzeige, Baubreite 6 mm
Höchste Dauerspannung: 15,0 V DC / 10,6 V AC
Nennstrom bei 70°C: 0,75 A
C2 Nennableitstoßstrom pro Ader (8/20): 5 kA
C2 Nennableitstoßstrom gesamt (8/20): 10 kA
D1 Blitzstoßstrom (10/350 µs) pro Ader: 1,5 kA
D1 Blitzstoßstrom (10/350 µs) gesamt: 3 kA
Austauschmodul

Fabrikat: DEHN
Typ: BCO MOD ML2 BD 12
Art.-Nr.: 927042
oder gleichwertig.

Zertifikate

 

Technische Daten

Ableiterklasse L
Nennspannung (UN ) 12 V
Höchste Dauerspannung DC (UC ) 15 V
Nennstrom bei 70 °C (IL ) 0,75 A
D1 Blitzstoßstrom (10/350 µs) pro Ader (Iimp ) 1,5 kA
C2 Nennableitstoßstrom (8/20 µs) gesamt (In ) 10 kA
Serienimpedanz pro Ader 1 Ohm
Grenzfrequenz Ad-Ad (fG ) 2,6 MHz
Zulassungen UL 497B, CSA, ATEX, IECEx, CCC, SIL
*) Details siehe: www.dehn.de

Artikel 927042 wurde zum Merkzettel hinzugefügt.

Zum Merkzettel

Artikel 927042 wurde zum Warenkorb hinzugefügt.

Zum Warenkorb

Art.-Nr. 927044 BCO MOD ML2 BD 24

GTIN 4013364410169, Zolltarifnr. (EU): 85363010, Bruttogewicht: 39.00 g, VPE: 1.00 Stk.


Abbildungen

Weitere Information

Kombi-Ableiter Schutzmodul
BLITZDUCTORconnect MOD ML2 BD 24
steckbares Kombi-Ableiter-Modul
zum Schutz einer Doppelader
erdpotentialfreier symmetrischer Schnittstellen
geprüft nach EN/IEC 61643-21 und energetisch
koordiniert nach IEC 61643-22
Ableiterklasse Type 1 / P2
Impulskategorie: C1, C2, C3, B2, D1
Statusanzeige, Baubreite 6 mm
Höchste Dauerspannung: 36,0 V DC / 25,4 V AC
Nennstrom bei 70°C: 0,75 A
C2 Nennableitstoßstrom pro Ader (8/20): 5 kA
C2 Nennableitstoßstrom gesamt (8/20): 10 kA
D1 Blitzstoßstrom (10/350 µs) pro Ader: 1,5 kA
D1 Blitzstoßstrom (10/350 µs) gesamt: 3 kA
Austauschmodul

Fabrikat: DEHN
Typ: BCO MOD ML2 BD 24
Art.-Nr.: 927044
oder gleichwertig.

Zertifikate

 

Technische Daten

Ableiterklasse L
Nennspannung (UN ) 24 V
Höchste Dauerspannung DC (UC ) 36 V
Nennstrom bei 70 °C (IL ) 0,75 A
D1 Blitzstoßstrom (10/350 µs) pro Ader (Iimp ) 1,5 kA
C2 Nennableitstoßstrom (8/20 µs) gesamt (In ) 10 kA
Serienimpedanz pro Ader 1 Ohm
Grenzfrequenz Ad-Ad (fG ) 5,8 MHz
Zulassungen UL 497B, CSA, ATEX, IECEx, CCC, SIL
*) Details siehe: www.dehn.de

Artikel 927044 wurde zum Merkzettel hinzugefügt.

Zum Merkzettel

Artikel 927044 wurde zum Warenkorb hinzugefügt.

Zum Warenkorb

Art.-Nr. 927045 BCO MOD ML2 BD 48

GTIN 4013364410176, Zolltarifnr. (EU): 85363010, Bruttogewicht: 39.00 g, VPE: 1.00 Stk.


Abbildungen

Weitere Information

Kombi-Ableiter Schutzmodul
BLITZDUCTORconnect MOD ML2 BD 48
steckbares Kombi-Ableiter-Modul
zum Schutz einer Doppelader
erdpotentialfreier symmetrischer Schnittstellen
geprüft nach EN/IEC 61643-21 und
energetisch koordiniert nach IEC 61643-22
Ableiterklasse Type 1 / P2
Impulskategorie: C1, C2, C3, B2, D1
Statusanzeige, Baubreite 6 mm
Höchste Dauerspannung: 54,0 V DC / 38,1 V AC
Nennstrom bei 70°C: 0,75 A
C2 Nennableitstoßstrom pro Ader (8/20): 5 kA
C2 Nennableitstoßstrom gesamt (8/20): 10 kA
D1 Blitzstoßstrom (10/350 µs) pro Ader: 1,5 kA
D1 Blitzstoßstrom (10/350 µs) gesamt: 3 kA
Austauschmodul

Fabrikat: DEHN
Typ: BCO MOD ML2 BD 48
Art.-Nr.: 927045
oder gleichwertig.

Zertifikate

 

Technische Daten

Ableiterklasse L
Nennspannung (UN ) 48 V
Höchste Dauerspannung DC (UC ) 56 V
Nennstrom bei 70 °C (IL ) 0,75 A
D1 Blitzstoßstrom (10/350 µs) pro Ader (Iimp ) 1,5 kA
C2 Nennableitstoßstrom (8/20 µs) gesamt (In ) 10 kA
Serienimpedanz pro Ader 1 Ohm
Grenzfrequenz Ad-Ad (fG ) 7,2 MHz
Zulassungen UL 497B, CSA, ATEX, IECEx, CCC, SIL
*) Details siehe: www.dehn.de

Artikel 927045 wurde zum Merkzettel hinzugefügt.

Zum Merkzettel

Artikel 927045 wurde zum Warenkorb hinzugefügt.

Zum Warenkorb

Art.-Nr. 927047 BCO MOD ML2 BD 180

GTIN 4013364468672, Zolltarifnr. (EU): 85363010, Bruttogewicht: 39.00 g, VPE: 1.00 Stk.


Abbildungen

Weitere Information

Kombi-Ableiter Schutzmodul
BLITZDUCTORconnect MOD ML2 BD 180
steckbares Kombi-Ableiter-Modul
zum Schutz einer Doppelader
erdpotentialfreier symmetrischer Schnittstellen
geprüft nach EN/IEC 61643-21 und
energetisch koordiniert nach IEC 61643-22
Ableiterklasse Type 1 / P2
Impulskategorie: C1, C2, C3, B2, D1
Statusanzeige, Baubreite 6 mm
Höchste Dauerspannung: 180 V DC / 127 V AC
Nennstrom bei 70°C: 0,5 A
C2 Nennableitstoßstrom pro Ader (8/20): 5 kA
C2 Nennableitstoßstrom gesamt (8/20): 10 kA
D1 Blitzstoßstrom (10/350 µs) pro Ader: 1,5 kA
D1 Blitzstoßstrom (10/350 µs) gesamt: 3 kA
Austauschmodul

Fabrikat: DEHN
Typ: BCO MOD ML2 BD 180
Art.-Nr.: 927047
oder gleichwertig.

Zertifikate

 

Technische Daten

Ableiterklasse L
Nennspannung (UN ) 180 V
Höchste Dauerspannung DC (UC ) 180 V
Nennstrom bei 70 °C (IL ) 0,5 A
D1 Blitzstoßstrom (10/350 µs) pro Ader (Iimp ) 1,5 kA
C2 Nennableitstoßstrom (8/20 µs) gesamt (In ) 10 kA
Serienimpedanz pro Ader 1,8 Ohm
Grenzfrequenz Ad-Ad (fG ) 10 MHz
Zulassungen UL 497B, SIL
*) Details siehe: www.dehn.de

Artikel 927047 wurde zum Merkzettel hinzugefügt.

Zum Merkzettel

Artikel 927047 wurde zum Warenkorb hinzugefügt.

Zum Warenkorb

BCO MOD ML2 BE HF

Kombi-Ableiter-Schutzmodul in 6 mm Baubreite für BLITZDUCTORconnect mit Statusanzeige zum Schutz von 2 Einzeladern hochfrequenter Übertragungen mit gemeinsamen Bezugspotential sowie unsymmetrischer Schnittstellen.

2 Produkte

Art.-Nr. 927070 BCO MOD ML2 BE HF 5

GTIN 4013364410183, Zolltarifnr. (EU): 85363010, Bruttogewicht: 39.00 g, VPE: 1.00 Stk.


Abbildungen

Weitere Information

Kombi-Ableiter Schutzmodul
BLITZDUCTORconnect MOD ML2 BE HF 5
steckbares Kombi-Ableiter-Modul
zum Schutz von 2 Einzeladern hochfrequenter
Übertragungen mit gemeinsamen Bezugspotential
sowie unsymmetrischer Schnittstellen
geprüft nach EN/IEC 61643-21 und energetisch
koordiniert nach IEC 61643-22
Ableiterklasse Type 1 / P1
Impulskategorie: C1, C2, C3, B2, D1
Statusanzeige, Baubreite 6 mm
Höchste Dauerspannung: 8,5 V DC / 6,0 V AC
Nennstrom bei 70°C: 0,75 A
Grenzfrequenz 100 MHz
C2 Nennableitstoßstrom pro Ader (8/20): 5 kA
C2 Nennableitstoßstrom gesamt (8/20): 10 kA
D1 Blitzstoßstrom (10/350 µs) pro Ader: 1,5 kA
D1 Blitzstoßstrom (10/350 µs) gesamt: 3 kA
Austauschmodul

Fabrikat: DEHN
Typ: BCO MOD ML2 BE HF 5
Art.-Nr.: 927070
oder gleichwertig.

Zertifikate

 

Technische Daten

Ableiterklasse M
Nennspannung (UN ) 5 V
Höchste Dauerspannung DC (UC ) 8,5 V
Nennstrom bei 70 °C (IL ) 0,75 A
D1 Blitzstoßstrom (10/350 µs) pro Ader (Iimp ) 1,5 kA
C2 Nennableitstoßstrom (8/20 µs) gesamt (In ) 10 kA
Serienimpedanz pro Ader 1 Ohm
Zulassungen UL 497B, CSA, ATEX, IECEx, CCC, SIL
*) Details siehe: www.dehn.de

Artikel 927070 wurde zum Merkzettel hinzugefügt.

Zum Merkzettel

Artikel 927070 wurde zum Warenkorb hinzugefügt.

Zum Warenkorb

Art.-Nr. 927074 BCO MOD ML2 BE HF 24

GTIN 4013364468573, Zolltarifnr. (EU): 85363010, Bruttogewicht: 39.00 g, VPE: 1.00 Stk.


Abbildungen

Weitere Information

Kombi-Ableiter Schutzmodul
BLITZDUCTORconnect MOD ML2 BE HF 24
steckbares Kombi-Ableiter-Modul
zum Schutz von 2 Einzeladern hochfrequenter
Übertragungen mit gemeinsamen Bezugspotential
sowie unsymmetrischer Schnittstellen
geprüft nach EN/IEC 61643-21 und energetisch
koordiniert nach IEC 61643-22
Ableiterklasse Type 1 / P1
Impulskategorie: C1, C2, C3, B2, D1
Statusanzeige, Baubreite 6 mm
Höchste Dauerspannung: 36 V DC / 25,4 V AC
Nennstrom bei 70°C: 0,75 A
Grenzfrequenz 100 MHz
C2 Nennableitstoßstrom pro Ader (8/20): 5 kA
C2 Nennableitstoßstrom gesamt (8/20): 10 kA
D1 Blitzstoßstrom (10/350 µs) pro Ader: 1,5 kA
D1 Blitzstoßstrom (10/350 µs) gesamt: 3 kA
Austauschmodul

Fabrikat: DEHN
Typ: BCO MOD ML2 BE HF 24
Art.-Nr.: 927074
oder gleichwertig.

Zertifikate

 

Technische Daten

Ableiterklasse M
Nennspannung (UN ) 24 V
Höchste Dauerspannung DC (UC ) 36 V
Nennstrom bei 70 °C (IL ) 0,75 A
D1 Blitzstoßstrom (10/350 µs) pro Ader (Iimp ) 1,5 kA
C2 Nennableitstoßstrom (8/20 µs) gesamt (In ) 10 kA
Serienimpedanz pro Ader 1 Ohm
Zulassungen UL 497B, SIL
*) Details siehe: www.dehn.de

Artikel 927074 wurde zum Merkzettel hinzugefügt.

Zum Merkzettel

Artikel 927074 wurde zum Warenkorb hinzugefügt.

Zum Warenkorb

BCO MOD ML2 BD HF

Kombi-Ableiter-Schutzmodul in 6 mm Baubreite für BLITZDUCTORconnect mit Statusanzeige zum Schutz von 1 Doppelader erdpotentialfreier hochfrequenter Bussysteme sowie symmetrischer Schnittstellen.

2 Produkte

Art.-Nr. 927071 BCO MOD ML2 BD HF 5

GTIN 4013364410190, Zolltarifnr. (EU): 85363010, Bruttogewicht: 39.00 g, VPE: 1.00 Stk.


Abbildungen

Weitere Information

Kombi-Ableiter Schutzmodul
BLITZDUCTORconnect MOD ML2 BD HF 5
steckbares Kombi-Ableiter-Modul
zum Schutz von 1 Doppelader erdpotentialfreier
hochfrequenter Bussysteme
sowie symmetrischer Schnittstellen
geprüft nach EN/IEC 61643-21 und energetisch
koordiniert nach IEC 61643-22
Ableiterklasse Type 1 / P2
Impulskategorie: C1, C2, C3, B2, D1
Statusanzeige, Baubreite 6 mm
Höchste Dauerspannung: 8,5 V DC / 6,0 V AC
Nennstrom bei 70°C: 0,75 A
Grenzfrequenz 100 MHz
C2 Nennableitstoßstrom pro Ader (8/20): 5 kA
C2 Nennableitstoßstrom gesamt (8/20): 10 kA
D1 Blitzstoßstrom (10/350 µs) pro Ader: 1,5 kA
D1 Blitzstoßstrom (10/350 µs) gesamt: 3 kA
Austauschmodul

Fabrikat: DEHN
Typ: BCO MOD ML2 BD HF 5
Art.-Nr.: 927071
oder gleichwertig.

Zertifikate

 

Technische Daten

Ableiterklasse L
Nennspannung (UN ) 5 V
Höchste Dauerspannung DC (UC ) 8,5 V
Nennstrom bei 70 °C (IL ) 0,75 A
D1 Blitzstoßstrom (10/350 µs) pro Ader (Iimp ) 1,5 kA
C2 Nennableitstoßstrom (8/20 µs) gesamt (In ) 10 kA
Serienimpedanz pro Ader 1 Ohm
Grenzfrequenz Ad-Ad (fG ) 100 MHz
Zulassungen UL 497B, CSA, ATEX, IECEx, CCC, SIL
*) Details siehe: www.dehn.de

Artikel 927071 wurde zum Merkzettel hinzugefügt.

Zum Merkzettel

Artikel 927071 wurde zum Warenkorb hinzugefügt.

Zum Warenkorb

Art.-Nr. 927075 BCO MOD ML2 BD HF 24

GTIN 4013364468580, Zolltarifnr. (EU): 85363010, Bruttogewicht: 39.00 g, VPE: 1.00 Stk.


Abbildungen

Weitere Information

Kombi-Ableiter Schutzmodul
BLITZDUCTORconnect MOD ML2 BD HF 24
steckbares Kombi-Ableiter-Modul
zum Schutz von 1 Doppelader erdpotentialfreier
hochfrequenter Bussysteme
sowie symmetrischer Schnittstellen
geprüft nach EN/IEC 61643-21 und energetisch
koordiniert nach IEC 61643-22
Ableiterklasse Type 1 / P2
Impulskategorie: C1, C2, C3, B2, D1
Statusanzeige, Baubreite 6 mm
Höchste Dauerspannung: 36 V DC / 25,4 V AC
Nennstrom bei 70°C: 0,75 A
Grenzfrequenz 100 MHz
C2 Nennableitstoßstrom pro Ader (8/20): 5 kA
C2 Nennableitstoßstrom gesamt (8/20): 10 kA
D1 Blitzstoßstrom (10/350 µs) pro Ader: 1,5 kA
D1 Blitzstoßstrom (10/350 µs) gesamt: 3 kA
Austauschmodul

Fabrikat: DEHN
Typ: BCO MOD ML2 BD HF 24
Art.-Nr.: 927075
oder gleichwertig.

Zertifikate

 

Technische Daten

Ableiterklasse L
Nennspannung (UN ) 24 V
Höchste Dauerspannung DC (UC ) 36 V
Nennstrom bei 70 °C (IL ) 0,75 A
D1 Blitzstoßstrom (10/350 µs) pro Ader (Iimp ) 1,5 kA
C2 Nennableitstoßstrom (8/20 µs) gesamt (In ) 10 kA
Serienimpedanz pro Ader 1 Ohm
Grenzfrequenz Ad-Ad (fG ) 100 MHz
Zulassungen UL 497B, SIL
*) Details siehe: www.dehn.de

Artikel 927075 wurde zum Merkzettel hinzugefügt.

Zum Merkzettel

Artikel 927075 wurde zum Warenkorb hinzugefügt.

Zum Warenkorb

BCO MOD ML2 BD HC5A 24

1 Produkt

Art.-Nr. 927054 BCO MOD ML2 BD HC5A 24

GTIN 4013364513426, Zolltarifnr. (EU): 85363010, Bruttogewicht: 41.00 g, VPE: 1.00 Stk.


Abbildungen

Weitere Information

Kombi-Ableiter Schutzmodul
BLITZDUCTORconnect MOD ML2 BD HC5A 24
steckbares Kombi-Ableiter-Modul
zum Schutz von 1 Doppelader erdpotentialfreier
Signalkreise mit hohem Nennstrom in
informationstechnischen Systemen und MSR-Kreisen.
geprüft nach EN/IEC 61643-21 und energetisch
koordiniert nach IEC 61643-22
Ableiterklasse Type 1 / P2
Impulskategorie: C1, C2, C3, B2, D1
Statusanzeige, Baubreite 6 mm
Höchste Dauerspannung: 36 V DC / 25,4 V AC
Nennstrom bei 80°C: 5 A
C2 Nennableitstoßstrom pro Ader (8/20): 5 kA
C2 Nennableitstoßstrom gesamt (8/20): 10 kA
D1 Blitzstoßstrom (10/350 µs) pro Ader: 1,5 kA
D1 Blitzstoßstrom (10/350 µs) gesamt: 3 kA
Austauschmodul

Fabrikat: DEHN
Typ: BCO MOD ML2 BD HC5A 24
Art.-Nr.: 927054
oder gleichwertig.

Zertifikate

 

Technische Daten

Ableiterklasse L
Nennspannung (UN ) 24 V
Höchste Dauerspannung DC (UC ) 36 V
Nennstrom bei 80 °C (IL ) 5 A
D1 Blitzstoßstrom (10/350 µs) pro Ader (Iimp ) 1,5 kA
C2 Nennableitstoßstrom (8/20 µs) gesamt (In ) 10 kA
Serienimpedanz pro Ader 0 Ohm
Zulassungen UL 497B, SIL
*) Details siehe: www.dehn.de

Artikel 927054 wurde zum Merkzettel hinzugefügt.

Zum Merkzettel

Artikel 927054 wurde zum Warenkorb hinzugefügt.

Zum Warenkorb

BCO MOD ML2 BPD

Kombi-Ableiter Schutzmodul in 6 mm Baubreite für BLITZDUCTORconnect mit Statusanzeige zum Schutz von 1 Doppelader in 24 V DC Systemen. Einsatz geeignet auch bei geerdetem Minuspol. Integrierte PTC-Widerstände ermöglichen ein sicheres Rücksetzen des Ableiters nach Störbeeinflussung im Anlagenkreis mit Kurzschlussströmen bis 40 A.

1 Produkt

Art.-Nr. 927014 BCO MOD ML2 BPD 24

GTIN 4013364473010, Zolltarifnr. (EU): 85363010, Bruttogewicht: 39.00 g, VPE: 1.00 Stk.


Abbildungen

Weitere Information

Kombi-Ableiter Schutzmodul BLITZDUCTORconnect MOD ML2 BPD 24
steckbares Kombi-Ableiter-Modul zum Schutz
einer Doppelader in 24 V DC Systemen, Einsatz
geeignet auch bei geerdetem Minuspol,
mit integrierten PTC Widerständen für
einen Überstromschutz bis 40 A
geprüft nach EN/IEC 61643-21 und energetisch
koordiniert nach IEC 61643-22
Ableiterklasse Type 1 / P2
Impulskategorie: C1, C2, C3, B2, D1
Statusanzeige, Baubreite 6 mm
Höchste Dauerspannung: 33,0 V DC / 23,3 V AC
Nennstrom bei 70°C: 0,1 A
C2 Nennableitstoßstrom pro Ader (8/20): 5 kA
C2 Nennableitstoßstrom gesamt (8/20): 10 kA
D1 Blitzstoßstrom (10/350 µs) pro Ader: 1,5 kA
D1 Blitzstoßstrom (10/350 µs) gesamt: 3 kA
Austauschmodul

Fabrikat: DEHN
Typ: BCO MOD ML2 BPD 24
Art.-Nr.: 927014
oder gleichwertig.

Zertifikate

 

Technische Daten

Ableiterklasse L
Nennspannung (UN ) 24 V
Höchste Dauerspannung DC (UC ) 33 V
Nennstrom bei 70 °C (IL ) 0,1 A
D1 Blitzstoßstrom (10/350 µs) pro Ader (Iimp ) 1,5 kA
C2 Nennableitstoßstrom (8/20 µs) gesamt (In ) 10 kA
Serienimpedanz pro Ader 10 Ohm
Grenzfrequenz Ad-Ad (fG ) 4,5 MHz
Zulassungen UL 497B, SIL
*) Details siehe: www.dehn.de

Artikel 927014 wurde zum Merkzettel hinzugefügt.

Zum Merkzettel

Artikel 927014 wurde zum Warenkorb hinzugefügt.

Zum Warenkorb

BCO MOD ML2 MVG 230

Überspannungs-Ableiter-Schutzmodul in 6 mm Baubreite für BLITZDUCTORconnect mit Statusanzeige zum Schutz von 2 Adern mehradriger, erdpotentialfreier Signalschnittstellen mit Nennspannung 230 V.
Erfüllt u. a. die Anforderungen für signaltechnische Anlagen in der Bahnindustrie (DB RIL 819.0808 konform).

1 Produkt

Art.-Nr. 927090 BCO MOD ML2 MVG 230

GTIN 4013364466531, Zolltarifnr. (EU): 85363010, Bruttogewicht: 39.00 g, VPE: 1.00 Stk.


Abbildungen

Weitere Information

Überspannungs-Ableiter Schutzmodul
BLITZDUCTORconnect MOD ML2 MVG 230
steckbares Überspannungs-Ableiter Modul
zum Schutz von 2 Adern mehradriger
Signalschnittstellen mit Nennspannung 230 V AC.
geprüft nach EN/IEC 61643-21 und energetisch
koordiniert nach IEC 61643-22
Ableiterklasse Type 2 / P3
Impulskategorie: C1, C2, C3
Statusanzeige, Baubreite 6 mm
Höchste Dauerspannung: 320 V DC / 250 V AC
Nennstrom bei 80°C: 3 A
C2 Nennableitstoßstrom pro Ader (8/20): 3 kA
C2 Nennableitstoßstrom gesamt (8/20): 6 kA
Austauschmodul
DB RIL 819.0808 konform

Fabrikat: DEHN
Typ: BCO MOD ML2 MVG 230
Art.-Nr.: 927090
oder gleichwertig.

Zertifikate

 

Technische Daten

Ableiterklasse V
Nennspannung (UN ) 230 V
Nennstrom bei 80 °C (IL ) 3 A
C2 Nennableitstoßstrom (8/20 µs) gesamt (In ) 6 kA
Serienimpedanz pro Ader 0 Ohm
Zulassungen SIL
*) Details siehe: www.dehn.de

Artikel 927090 wurde zum Merkzettel hinzugefügt.

Zum Merkzettel

Artikel 927090 wurde zum Warenkorb hinzugefügt.

Zum Warenkorb

BCO MOD ML2 BD EX 24

Kombi-Ableiter-Schutzmodul in 6 mm Baubreite BLITZDUCTORconnect mit Statusanzeige zum Schutz von 1 Doppelader eigensicherer Messkreise und Bussysteme. Erfüllt Anforderungen nach FISCO. Isolationsfestigkeit >500 V Ader-Erde.

1 Produkt

Art.-Nr. 927084 BCO MOD ML2 BD EX 24

GTIN 4013364410206, Zolltarifnr. (EU): 85363010, Bruttogewicht: 39.00 g, VPE: 1.00 Stk.


Abbildungen

Weitere Information

Kombi-Ableiter Schutzmodul
BLITZDUCTORconnect MOD ML2 BD EX 24
steckbares Kombi-Ableiter-Modul
zum Schutz einer Doppelader eigensicherer,
potentialfreier symmetrischer Schnittstellen
geprüft nach EN/IEC 61643-21 und energetisch
koordiniert nach IEC 61643-22
Ableiterklasse Type 1 / P2
Impulskategorie: C1, C2, C3, B2, D1
Statusanzeige, Baubreite 6 mm
Höchste Dauerspannung: 36,0 V DC / 25,4 V AC
Nennstrom bei 70°C: 0,75 A
Max. Eingangsspannung nach EN 60079-11: 30 V
Max. Eingangsstrom nach EN 60079-11: 0,5 A
C2 Nennableitstoßstrom pro Ader (8/20): 5 kA
C2 Nennableitstoßstrom gesamt (8/20): 10 kA
D1 Blitzstoßstrom (10/350 µs) pro Ader: 1,5 kA
D1 Blitzstoßstrom (10/350 µs) gesamt: 3 kA
Austauschmodul

Fabrikat: DEHN
Typ: BCO MOD ML2 BD EX 24
Art.-Nr.: 927084
oder gleichwertig.

Zertifikate

 

Technische Daten

Ableiterklasse L
Nennspannung (UN ) 24 V
Höchste Dauerspannung DC (UC ) 36 V
Nennstrom bei 80 °C (IL ) 0,5 A
D1 Blitzstoßstrom (10/350 µs) pro Ader (Iimp ) 1,5 kA
C2 Nennableitstoßstrom (8/20 µs) gesamt (In ) 10 kA
Serienimpedanz pro Ader 1 Ohm
Grenzfrequenz Ad-Ad (fG ) 3,5 MHz
Zulassungen ATEX, IECEx, CCC, SIL
*) Details siehe: www.dehn.de

Artikel 927084 wurde zum Merkzettel hinzugefügt.

Zum Merkzettel

Artikel 927084 wurde zum Warenkorb hinzugefügt.

Zum Warenkorb

nach oben