Ihre Services im Dashboard..
Registriert nutzen Sie das komplette Angebot.

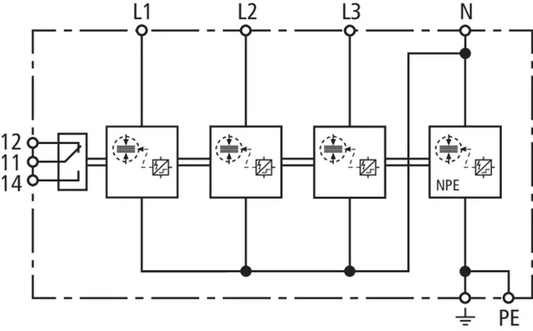
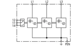
DEHNshield

  • Anschlussfertiger, anwendungsoptimierter Kombi-Ableiter Typ 1 + Typ 2 auf Funkenstreckenbasis
  • Platzsparende Funkenstreckentechnologie mit nur 1 TE / Pol ermöglicht kompakte Ausführung
  • Erfüllt Mindestanforderungen an das Blitzstromableitvermögen nach VDE 0100-534
  • Ermöglicht kompakten Blitzschutzpotentialausgleich inklusive Endgeräteschutz
  • Ableitvermögen bis 50 kA (10/350 µs)
  • Funktions- / Defektanzeige durch grün-rote Markierung im Sichtfenster
  • Hohes Folgestromlöschvermögen (Ifi = 25 kAeff)

Details

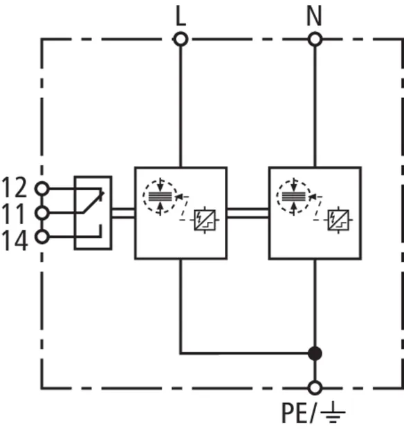
V-Verdrahtung mit blitzstromgeprüfter Stiftanschlussklemme STAK 25.
lorem ipsum


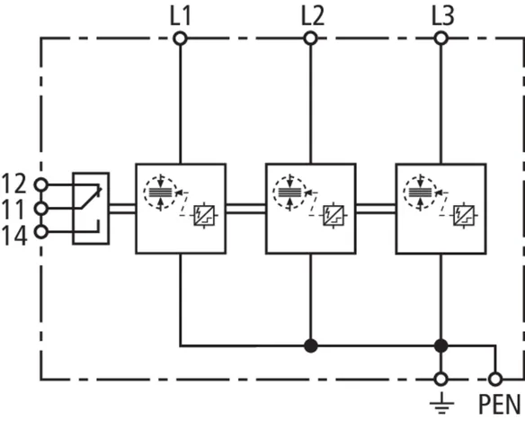
DEHNshield TNC

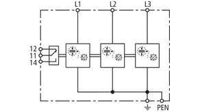
Anschlussfertiger, anwendungsoptimierter Kombi-Ableiter für TN-C-Systeme mit 230 / 400 V Nennspannung (3+0-Schaltung).

1 Produkt

Art.-Nr. 941300 DSH TNC 255

GTIN 4013364133556, Zolltarifnr. (EU): 85363090, Bruttogewicht: 415.80 g, VPE: 1.00 Stk.


Abbildungen

Weitere Information

Kombi-Ableiter DEHNshield TNC 255
3-poliger Kombi-Ableiter für 230/400 V- TN C-Systeme
Ableiter Typ 1 + Typ 2 nach EN 61643-11, Breite 4TE
Anwendungsoptimierter Einsatz im kompakten Elektroinstallationen
Funkenstrecken-Technologie mit Folgestrombegrenzung
Defektanzeige
Höchste Dauerspannung: 255 V AC
Schutzpegel: <= 1,5 kV
Blitzstoßstrom (10/350): 37,5 kA
Energetische Koordination nach DIN EN 62305-4
Ableiter der Red/Line-Familie, sowie direkt zum Endgerät

Fabrikat: DEHN
Typ: DSH TNC 255
Art.-Nr.: 941300
oder gleichwertig.

Zertifikate

 

Wellenbrecher-Funktion

Während des Ableitvorgangs fließt bei funkenstreckenbasierten Typ 1-Ableitern der gesamte Strom über den Typ-1 Ableiter. Wie bei einem Wellenbrecher wird die ankommende Energie stark heruntergebrochen, was die nachgeschalteten SPDs deutlich entlastet. Alle Typ 1-Ableiter der Red/Line-Produktfamilie weisen die Wellenbrecherfunktion WBF auf.

Technische Daten

SPD nach EN 61643-11 / ... IEC 61643-11 Typ 1 + Typ 2 / Class I + Class II
Höchste Dauerspannung AC (UC ) 255 V (50 / 60 Hz)
Blitzstoßstrom (10/350 µs) [L1+L2+L3-PEN] (Itotal ) 37,5 kA
Blitzstoßstrom (10/350 µs) [L-PEN] (Iimp ) 12,5 kA
Schutzpegel (UP ) ≤ 1,5 kV
Max. netzseitiger Überstromschutz 160 A gG
Zulassungen KEMA, VDE, UL

Artikel 941300 wurde zum Merkzettel hinzugefügt.

Zum Merkzettel

Artikel 941300 wurde zum Warenkorb hinzugefügt.

Zum Warenkorb

DEHNshield TNC FM

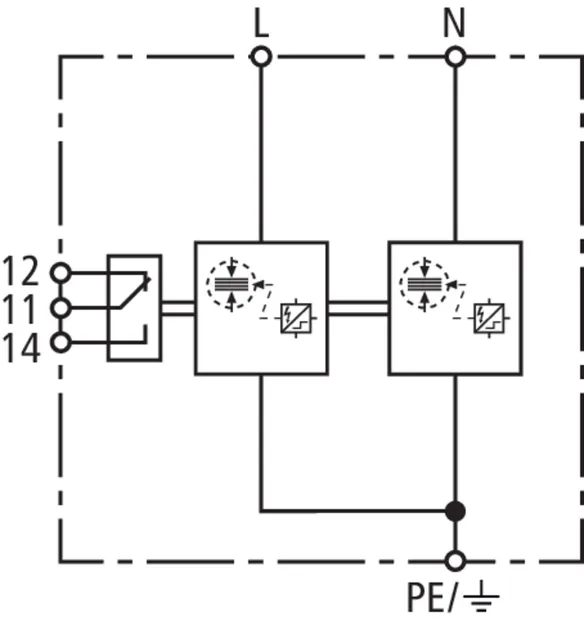
Anschlussfertiger, anwendungsoptimierter Kombi-Ableiter für TN-C-Systeme mit 230 / 400 V Nennspannung (3+0-Schaltung); mit potentialfreiem Fernmeldekontakt.

1 Produkt

Art.-Nr. 941305 DSH TNC 255 FM

GTIN 4013364275317, Zolltarifnr. (EU): 85363090, Bruttogewicht: 420.60 g, VPE: 1.00 Stk.


Abbildungen

Weitere Information

Kombi-Ableiter DEHNshield TNC 255 FM
3-poliger Kombi-Ableiter für 230/400 V- TN C-Systeme
mit Fernmeldekontakt, Breite 4TE
Ableiter Typ 1 + Typ 2 nach EN 61643-11
Anwendungsoptimierter Einsatz in kompakten Elektroinstallationen
Funkenstrecken-Technologie mit Folgestrombegrenzung
Defektanzeige
Höchste Dauerspannung: 255 V AC
Schutzpegel: <= 1,5 kV
Blitzstoßstrom (10/350): 37,5 kA
Energetische Koordination nach DIN EN 62305-4
Ableiter der Red/Line-Familie, sowie direkt zum Endgerät

Fabrikat: DEHN
Typ: DSH TNC 255 FM
Art.-Nr.: 941305
oder gleichwertig.

Zertifikate

 

Wellenbrecher-Funktion

Während des Ableitvorgangs fließt bei funkenstreckenbasierten Typ 1-Ableitern der gesamte Strom über den Typ-1 Ableiter. Wie bei einem Wellenbrecher wird die ankommende Energie stark heruntergebrochen, was die nachgeschalteten SPDs deutlich entlastet. Alle Typ 1-Ableiter der Red/Line-Produktfamilie weisen die Wellenbrecherfunktion WBF auf.

Technische Daten

SPD nach EN 61643-11 / ... IEC 61643-11 Typ 1 + Typ 2 / Class I + Class II
Höchste Dauerspannung AC (UC ) 255 V (50 / 60 Hz)
Blitzstoßstrom (10/350 µs) [L1+L2+L3-PEN] (Itotal ) 37,5 kA
Blitzstoßstrom (10/350 µs) [L-PEN] (Iimp ) 12,5 kA
Schutzpegel (UP ) ≤ 1,5 kV
Max. netzseitiger Überstromschutz 160 A gG
Zulassungen KEMA, VDE
FM-Kontakte / Kontaktform Wechsler

Artikel 941305 wurde zum Merkzettel hinzugefügt.

Zum Merkzettel

Artikel 941305 wurde zum Warenkorb hinzugefügt.

Zum Warenkorb

DEHNshield TNC Basic FM

Anschlussfertiger, anwendungsoptimierter Kombi-Ableiter für TN-C-Systeme zum Einsatz im Hauptstromversorgungssystem (3+0-Schaltung) bei Wohngebäuden ohne äußeren Blitzschutz (auch mit Freileitungseinspeisung).; mit potentialfreien Fernmeldekontakt.

1 Produkt

Art.-Nr. 941306 DSH B TNC 255 FM

GTIN 4013364328068, Zolltarifnr. (EU): 85363090, Bruttogewicht: 422.00 g, VPE: 1.00 Stk.


Abbildungen

Weitere Information

Kombi-Ableiter DEHNshield B TNC 255 FM
3-poliger Kombi-Ableiter für 230/400 V- TN C-Systeme
mit Fernmeldekontakt, Breite 4TE
Ableiter Typ 1 + Typ 2 nach EN 61643-11
Erfüllt alle Anforderungen der DIN VDE 0100-534 und DIN VDE 0100-443
Funkenstrecken-Technologie mit Folgestrombegrenzung
Defektanzeige
Höchste Dauerspannung: 255 V AC
Schutzpegel: <= 1,5 kV
Blitzstoßstrom (10/350): 22,5 kA
Energetische Koordination nach DIN EN 62305-4
Ableiter der Red/Line-Familie, sowie direkt zum Endgerät

Fabrikat: DEHN
Typ: DSH B TNC 255 FM
Art.-Nr.: 941306
oder gleichwertig.

Zertifikate

 

Wellenbrecher-Funktion

Während des Ableitvorgangs fließt bei funkenstreckenbasierten Typ 1-Ableitern der gesamte Strom über den Typ-1 Ableiter. Wie bei einem Wellenbrecher wird die ankommende Energie stark heruntergebrochen, was die nachgeschalteten SPDs deutlich entlastet. Alle Typ 1-Ableiter der Red/Line-Produktfamilie weisen die Wellenbrecherfunktion WBF auf.

Technische Daten

SPD nach EN 61643-11 / ... IEC 61643-11 Typ 1 + Typ 2 / Class I + Class II
Höchste Dauerspannung AC (UC ) 255 V (50 / 60 Hz)
Blitzstoßstrom (10/350 µs) [L1+L2+L3-PEN] (Itotal ) 22,5 kA
Blitzstoßstrom (10/350 µs) [L-PEN] (Iimp ) 7,5 kA
Schutzpegel (UP ) ≤ 1,5 kV
Max. netzseitiger Überstromschutz 160 A gG
Zulassungen VDE
FM-Kontakte / Kontaktform Wechsler

Artikel 941306 wurde zum Merkzettel hinzugefügt.

Zum Merkzettel

Artikel 941306 wurde zum Warenkorb hinzugefügt.

Zum Warenkorb

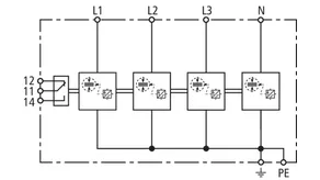
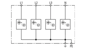
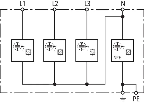
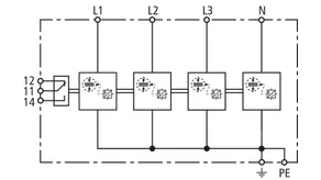
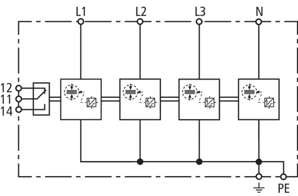
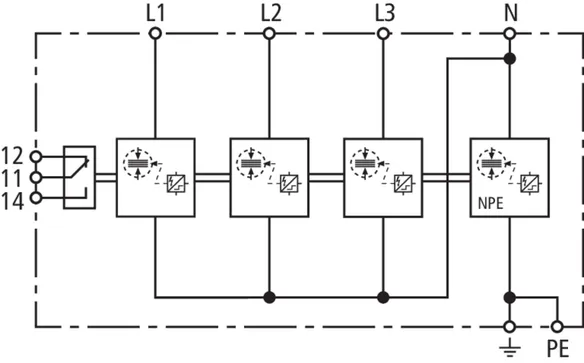
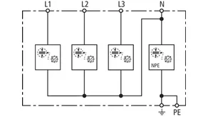
DEHNshield TNS

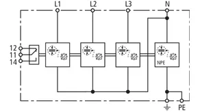
Anschlussfertiger, anwendungsoptimierter Kombi-Ableiter für TN-S-Systeme mit 230 / 400 V Nennspannung (4+0-Schaltung).

1 Produkt

Art.-Nr. 941400 DSH TNS 255

GTIN 4013364133563, Zolltarifnr. (EU): 85363090, Bruttogewicht: 555.00 g, VPE: 1.00 Stk.


Abbildungen

Weitere Information

Kombi-Ableiter DEHNshield TNS 255
4-poliger Kombi-Ableiter für 230/400 V- TN(C)-S-Systeme, Breite 4TE
Ableiter Typ 1 + Typ 2 nach EN 61643-11
Anwendungsoptimier Einsatz in kompakten Elektroinstallationen
Funkenstrecken-Technologie mit Folgestrombegrenzung
Defektanzeige
Höchste Dauerspannung: 255 V AC
Schutzpegel: <= 1,5 kV
Blitzstoßstrom (10/350): 50 kA
Energetische Koordination nach DIN EN 62305-4
Ableiter der Red/Line-Familie, sowie direkt zum Endgerät

Fabrikat: DEHN
Typ: DSH TNS 255
Art.-Nr.: 941400
oder gleichwertig.

Zertifikate

 

Wellenbrecher-Funktion

Während des Ableitvorgangs fließt bei funkenstreckenbasierten Typ 1-Ableitern der gesamte Strom über den Typ-1 Ableiter. Wie bei einem Wellenbrecher wird die ankommende Energie stark heruntergebrochen, was die nachgeschalteten SPDs deutlich entlastet. Alle Typ 1-Ableiter der Red/Line-Produktfamilie weisen die Wellenbrecherfunktion WBF auf.

Technische Daten

SPD nach EN 61643-11 / ... IEC 61643-11 Typ 1 + Typ 2 / Class I + Class II
Höchste Dauerspannung AC (UC ) 255 V (50 / 60 Hz)
Blitzstoßstrom (10/350 µs) [L1+L2+L3+N-PE] (Itotal ) 50 kA
Blitzstoßstrom (10/350 µs) [L, N-PE] (Iimp ) 12,5 kA
Schutzpegel [L-PE]/[N-PE] (UP ) ≤ 1,5 / ≤ 1,5 kV
Max. netzseitiger Überstromschutz 160 A gG
Zulassungen KEMA, VDE, UL

Artikel 941400 wurde zum Merkzettel hinzugefügt.

Zum Merkzettel

Artikel 941400 wurde zum Warenkorb hinzugefügt.

Zum Warenkorb

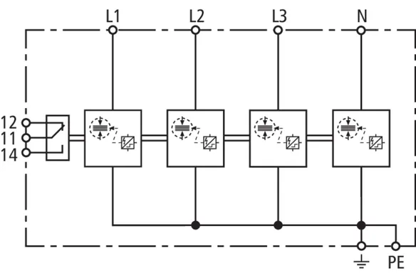
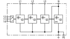
DEHNshield TNS FM

Anschlussfertiger, anwendungsoptimierter Kombi-Ableiter für TN-S-Systeme mit 230 / 400 V Nennspannung (4+0-Schaltung); mit potentialfreiem Fernmeldekontakt.

1 Produkt

Art.-Nr. 941405 DSH TNS 255 FM

GTIN 4013364275331, Zolltarifnr. (EU): 85363090, Bruttogewicht: 488.30 g, VPE: 1.00 Stk.


Abbildungen

Weitere Information

Kombi-Ableiter DEHNshield TNS 255 FM
4-poliger Kombi-Ableiter für 230/400 V- TN(C)-S-Systeme,
Breite 4TE, mit Fernmeldekontakt
Ableiter Typ 1 + Typ 2 nach EN 61643-11
Anwendungsoptimierter Einsatz in kompakten Elektroinstallationen
Funkenstrecken-Technologie mit Folgestrombegrenzung
Defektanzeige
Höchste Dauerspannung: 255 V AC
Schutzpegel: <= 1,5 kV
Blitzstoßstrom (10/350): 50 kA
Energetische Koordination nach DIN EN 62305-4
Ableiter der Red/Line-Familie, sowie direkt zum Endgerät

Fabrikat: DEHN
Typ: DSH TNS 255 FM
Art.-Nr.: 941405
oder gleichwertig.

Zertifikate

 

Wellenbrecher-Funktion

Während des Ableitvorgangs fließt bei funkenstreckenbasierten Typ 1-Ableitern der gesamte Strom über den Typ-1 Ableiter. Wie bei einem Wellenbrecher wird die ankommende Energie stark heruntergebrochen, was die nachgeschalteten SPDs deutlich entlastet. Alle Typ 1-Ableiter der Red/Line-Produktfamilie weisen die Wellenbrecherfunktion WBF auf.

Technische Daten

SPD nach EN 61643-11 / ... IEC 61643-11 Typ 1 + Typ 2 / Class I + Class II
Höchste Dauerspannung AC (UC ) 255 V (50 / 60 Hz)
Blitzstoßstrom (10/350 µs) [L1+L2+L3+N-PE] (Itotal ) 50 kA
Blitzstoßstrom (10/350 µs) [L, N-PE] (Iimp ) 12,5 kA
Schutzpegel [L-PE]/[N-PE] (UP ) ≤ 1,5 / ≤ 1,5 kV
Max. netzseitiger Überstromschutz 160 A gG
Zulassungen KEMA, VDE
FM-Kontakte / Kontaktform Wechsler

Artikel 941405 wurde zum Merkzettel hinzugefügt.

Zum Merkzettel

Artikel 941405 wurde zum Warenkorb hinzugefügt.

Zum Warenkorb

DEHNshield TNS Basic FM

Anschlussfertiger, anwendungsoptimierter Kombi-Ableiter für TN-S-Systeme zum Einsatz im Hauptstromversorgungssystem (4+0-Schaltung) bei Wohngebäuden ohne äußeren Blitzschutz (auch mit Freileitungseinspeisung); mit potentialfreien Fernmeldekontakt.

1 Produkt

Art.-Nr. 941406 DSH B TNS 255 FM

GTIN 4013364328082, Zolltarifnr. (EU): 85363090, Bruttogewicht: 489.00 g, VPE: 1.00 Stk.


Abbildungen

Weitere Information

Kombi-Ableiter DEHNshield B TNS 255 FM
4-poliger Kombi-Ableiter für 230/400 V- TN(C)-S-Systeme,
Breite 4TE, mit Fernmeldekontakt
Ableiter Typ 1 + Typ 2 nach EN 61643-11
Erfüllt alle Anforderungen der DIN VDE 0100-534 und DIN VDE 0100-443
Funkenstrecken-Technologie mit Folgestrombegrenzung
Defektanzeige
Höchste Dauerspannung: 255 V AC
Schutzpegel: <= 1,5 kV
Blitzstoßstrom (10/350): 30 kA
Energetische Koordination nach DIN EN 62305-4
Ableiter der Red/Line-Familie, sowie direkt zum Endgerät

Fabrikat: DEHN
Typ: DSH B TNS 255 FM
Art.-Nr.: 941406
oder gleichwertig.

Zertifikate

 

Wellenbrecher-Funktion

Während des Ableitvorgangs fließt bei funkenstreckenbasierten Typ 1-Ableitern der gesamte Strom über den Typ-1 Ableiter. Wie bei einem Wellenbrecher wird die ankommende Energie stark heruntergebrochen, was die nachgeschalteten SPDs deutlich entlastet. Alle Typ 1-Ableiter der Red/Line-Produktfamilie weisen die Wellenbrecherfunktion WBF auf.

Technische Daten

SPD nach EN 61643-11 / ... IEC 61643-11 Typ 1 + Typ 2 / Class I + Class II
Höchste Dauerspannung AC (UC ) 255 V (50 / 60 Hz)
Blitzstoßstrom (10/350 µs) [L1+L2+L3+N-PE] (Itotal ) 30 kA
Blitzstoßstrom (10/350 µs) [L, N-PE] (Iimp ) 7,5 kA
Schutzpegel [L-PE]/[N-PE] (UP ) ≤ 1,5 / ≤ 1,5 kV
Max. netzseitiger Überstromschutz 160 A gG
Zulassungen VDE
FM-Kontakte / Kontaktform Wechsler

Artikel 941406 wurde zum Merkzettel hinzugefügt.

Zum Merkzettel

Artikel 941406 wurde zum Warenkorb hinzugefügt.

Zum Warenkorb

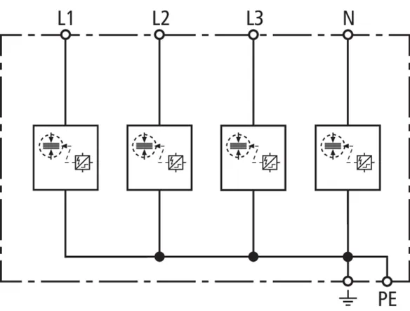
DEHNshield TT

Anschlussfertiger, anwendungsoptimierter Kombi-Ableiter für TT- und TN-S-Systeme mit 230 / 400 V Nennspannung (3+1-Schaltung).

1 Produkt

Art.-Nr. 941310 DSH TT 255

GTIN 4013364131798, Zolltarifnr. (EU): 85363090, Bruttogewicht: 509.90 g, VPE: 1.00 Stk.


Abbildungen

Weitere Information

Kombi-Ableiter DEHNshield TT 255
4-poliger Kombi-Ableiter für 230/400 V- TT- und TN (C) -S-Systeme,
Breite 4TE
Ableiter Typ 1 + Typ 2 nach EN 61643-11
Anwendungsoptimierter Einsatz in kompakten Elektroinstallationen
Funkenstrecken-Technologie mit Folgestrombegrenzung
Defektanzeige
Höchste Dauerspannung: 255 V AC
Schutzpegel: <= 1,5 kV
Blitzstoßstrom (10/350): 50 kA
Energetische Koordination nach DIN EN 62305-4
Ableiter der Red/Line-Familie, sowie direkt zum Endgerät

Fabrikat: DEHN
Typ: DSH TT 255
Art.-Nr.: 941310
oder gleichwertig.

Zertifikate

 

Wellenbrecher-Funktion

Während des Ableitvorgangs fließt bei funkenstreckenbasierten Typ 1-Ableitern der gesamte Strom über den Typ-1 Ableiter. Wie bei einem Wellenbrecher wird die ankommende Energie stark heruntergebrochen, was die nachgeschalteten SPDs deutlich entlastet. Alle Typ 1-Ableiter der Red/Line-Produktfamilie weisen die Wellenbrecherfunktion WBF auf.

Technische Daten

SPD nach EN 61643-11 / ... IEC 61643-11 Typ 1 + Typ 2 / Class I + Class II
Höchste Dauerspannung AC (UC ) 255 V (50 / 60 Hz)
Blitzstoßstrom (10/350 µs) [L1+L2+L3+N-PE] (Itotal ) 50 kA
Blitzstoßstrom (10/350 µs) [L-N]/[N-PE] (Iimp ) 12,5 / 50 kA
Schutzpegel [L-N]/[N-PE] (UP ) ≤ 1,5 / ≤ 1,5 kV
Max. netzseitiger Überstromschutz 160 A gG
Zulassungen KEMA, VDE, UL
Erweiterte technische Daten: ---------------------------------
Schutzpegel [L-PE] (UP ) 2,0 kV

Artikel 941310 wurde zum Merkzettel hinzugefügt.

Zum Merkzettel

Artikel 941310 wurde zum Warenkorb hinzugefügt.

Zum Warenkorb

DEHNshield TT FM

Anschlussfertiger, anwendungsoptimierter Kombi-Ableiter für TT- und TN-S-Systeme mit 230 / 400 V Nennspannung (3+1-Schaltung); mit potentialfreiem Fernmeldekontakt.

1 Produkt

Art.-Nr. 941315 DSH TT 255 FM

GTIN 4013364275324, Zolltarifnr. (EU): 85363090, Bruttogewicht: 508.80 g, VPE: 1.00 Stk.


Abbildungen

Weitere Information

Kombi-Ableiter DEHNshield TT 255 FM
4-poliger Kombi-Ableiter für 230/400 V- TT- und TN (C) -S-Systeme,
Breite 4 TE, mit Fernmeldekontakt
Ableiter Typ 1 + Typ 2 nach EN 61643-11
Anwendungsoptimierter Einsatz in kompakten Elektroinstallationen
Funkenstrecken-Technologie mit Folgestrombegrenzung
Defektanzeige
Höchste Dauerspannung: 255 V AC
Schutzpegel: <= 1,5 kV
Blitzstoßstrom (10/350): 50 kA
Energetische Koordination nach DIN EN 62305-4
Ableiter der Red/Line-Familie, sowie direkt zum Endgerät

Fabrikat: DEHN
Typ: DSH TT 255 FM
Art.-Nr.: 941315
oder gleichwertig.

Zertifikate

 

Wellenbrecher-Funktion

Während des Ableitvorgangs fließt bei funkenstreckenbasierten Typ 1-Ableitern der gesamte Strom über den Typ-1 Ableiter. Wie bei einem Wellenbrecher wird die ankommende Energie stark heruntergebrochen, was die nachgeschalteten SPDs deutlich entlastet. Alle Typ 1-Ableiter der Red/Line-Produktfamilie weisen die Wellenbrecherfunktion WBF auf.

Technische Daten

SPD nach EN 61643-11 / ... IEC 61643-11 Typ 1 + Typ 2 / Class I + Class II
Höchste Dauerspannung AC (UC ) 255 V (50 / 60 Hz)
Blitzstoßstrom (10/350 µs) [L1+L2+L3+N-PE] (Itotal ) 50 kA
Blitzstoßstrom (10/350 µs) [L-N]/[N-PE] (Iimp ) 12,5 / 50 kA
Schutzpegel [L-N]/[N-PE] (UP ) ≤ 1,5 / ≤ 1,5 kV
Max. netzseitiger Überstromschutz 160 A gG
Zulassungen KEMA, VDE
FM-Kontakte / Kontaktform Wechsler
Erweiterte technische Daten: ---------------------------------
Schutzpegel [L-PE] (UP ) 2,0 kV

Artikel 941315 wurde zum Merkzettel hinzugefügt.

Zum Merkzettel

Artikel 941315 wurde zum Warenkorb hinzugefügt.

Zum Warenkorb

DEHNshield TT Basic FM

Anschlussfertiger, anwendungsoptimierter Kombi-Ableiter für TT- und TN-S-Systeme zum Einsatz im Hauptstromversorgungssystem (3+1-Schaltung) bei Wohngebäuden ohne äußeren Blitzschutz (auch mit Freileitungseinspeisung); mit potentialfreien Fernmeldekontakt.

1 Produkt

Art.-Nr. 941316 DSH B TT 255 FM

GTIN 4013364328075, Zolltarifnr. (EU): 85363090, Bruttogewicht: 510.00 g, VPE: 1.00 Stk.


Abbildungen

Weitere Information

Kombi-Ableiter DEHNshield B TT 255 FM
4-poliger Kombi-Ableiter für 230/400 V- TT-
und TN (C) -S-Systeme,
Breite 4 TE, mit Fernmeldekontakt
Ableiter Typ 1 + Typ 2 nach EN 61643-11
Erfüllt alle Anforderungen der DIN VDE 0100-534 und DIN VDE 0100-443
Funkenstrecken-Technologie mit Folgestrombegrenzung
Defektanzeige
Höchste Dauerspannung: 255 V AC
Schutzpegel: <= 1,5 kV
Blitzstoßstrom (10/350): 30 kA
Energetische Koordination nach DIN EN 62305-4
Ableiter der Red/Line-Familie, sowie direkt zum Endgerät

Fabrikat: DEHN
Typ: DSH B TT 255 FM
Art.-Nr.: 941316
oder gleichwertig.

Zertifikate

 

Wellenbrecher-Funktion

Während des Ableitvorgangs fließt bei funkenstreckenbasierten Typ 1-Ableitern der gesamte Strom über den Typ-1 Ableiter. Wie bei einem Wellenbrecher wird die ankommende Energie stark heruntergebrochen, was die nachgeschalteten SPDs deutlich entlastet. Alle Typ 1-Ableiter der Red/Line-Produktfamilie weisen die Wellenbrecherfunktion WBF auf.

Technische Daten

SPD nach EN 61643-11 / ... IEC 61643-11 Typ 1 + Typ 2 / Class I + Class II
Höchste Dauerspannung AC (UC ) 255 V (50 / 60 Hz)
Blitzstoßstrom (10/350 µs) [L1+L2+L3+N-PE] (Itotal ) 30 kA
Blitzstoßstrom (10/350 µs) [L-N]/[N-PE] (Iimp ) 7,5 / 30 kA
Schutzpegel [L-N]/[N-PE] (UP ) ≤ 1,5 / ≤ 1,5 kV
Max. netzseitiger Überstromschutz 160 A gG
Zulassungen VDE
FM-Kontakte / Kontaktform Wechsler
Erweiterte technische Daten: ---------------------------------
Schutzpegel [L-PE] (UP ) 2,0 kV

Artikel 941316 wurde zum Merkzettel hinzugefügt.

Zum Merkzettel

Artikel 941316 wurde zum Warenkorb hinzugefügt.

Zum Warenkorb

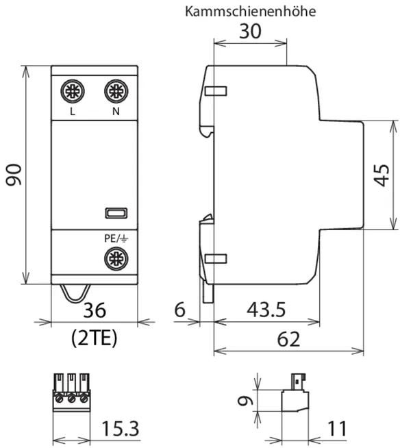
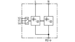
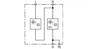
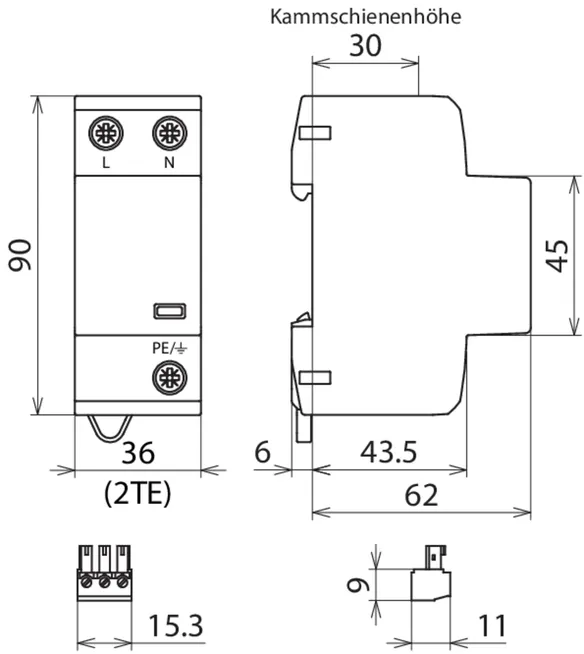
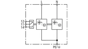
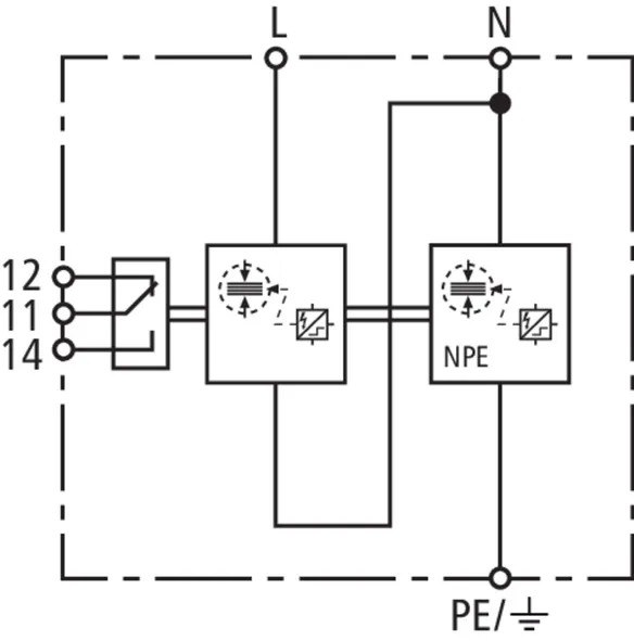
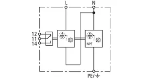
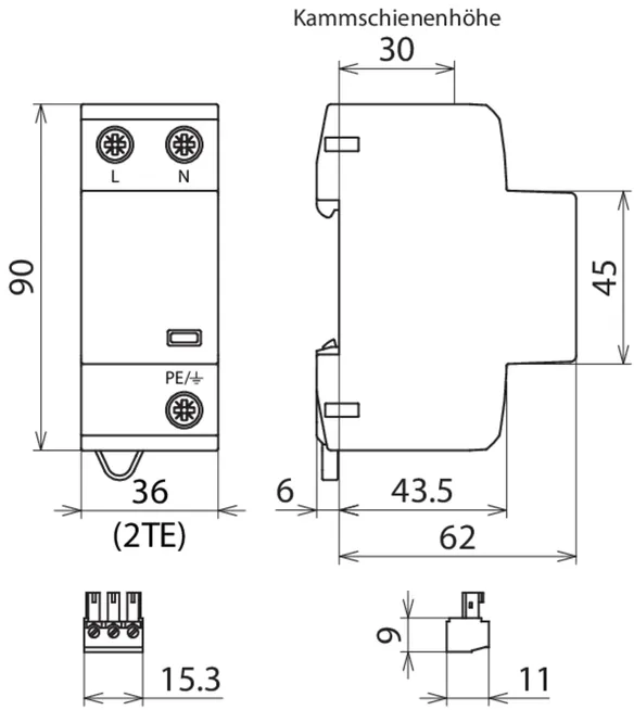
DEHNshield TN

Anschlussfertiger, anwendungsoptimierter Kombi-Ableiter für einphasige TN-Systeme mit 230 V Nennspannung (2+0-Schaltung).

1 Produkt

Art.-Nr. 941200 DSH TN 255

GTIN 4013364138209, Zolltarifnr. (EU): 85363090, Bruttogewicht: 266.00 g, VPE: 1.00 Stk.


Abbildungen

Weitere Information

Kombi-Ableiter DEHNshield TN 255
2-poliger Kombi-Ableiter für 230/400 V- TN-Systeme, Breite 2TE
Ableiter Typ 1 + Typ 2 nach EN 61643-11
Anwendungsoptimierter Einsatz in kompakten Elektroinstallationen
Funkenstrecken-Technologie mit Folgestrombegrenzung
Defektanzeige
Höchste Dauerspannung: 255 V AC
Schutzpegel: <= 1,5 kV
Blitzstoßstrom (10/350): 25 kA
Energetische Koordination nach DIN EN 62305-4
Ableiter der Red/Line-Familie, sowie direkt zum Endgerät

Fabrikat: DEHN
Typ: DSH TN 255
Art.-Nr.: 941200
oder gleichwertig.

Zertifikate

 

Wellenbrecher-Funktion

Während des Ableitvorgangs fließt bei funkenstreckenbasierten Typ 1-Ableitern der gesamte Strom über den Typ-1 Ableiter. Wie bei einem Wellenbrecher wird die ankommende Energie stark heruntergebrochen, was die nachgeschalteten SPDs deutlich entlastet. Alle Typ 1-Ableiter der Red/Line-Produktfamilie weisen die Wellenbrecherfunktion WBF auf.

Technische Daten

SPD nach EN 61643-11 / ... IEC 61643-11 Typ 1 + Typ 2 / Class I + Class II
Höchste Dauerspannung AC (UC ) 255 V (50 / 60 Hz)
Blitzstoßstrom (10/350 µs) [L+N-PE] (Itotal ) 25 kA
Blitzstoßstrom (10/350 µs) [L, N-PE] (Iimp ) 12,5 kA
Schutzpegel [L-PE]/[N-PE] (UP ) ≤ 1,5 / ≤ 1,5 kV
Max. netzseitiger Überstromschutz 160 A gG
Zulassungen KEMA, VDE, UL

Artikel 941200 wurde zum Merkzettel hinzugefügt.

Zum Merkzettel

Artikel 941200 wurde zum Warenkorb hinzugefügt.

Zum Warenkorb

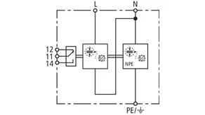
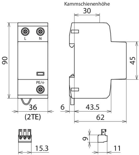
DEHNshield TN FM

Anschlussfertiger, anwendungsoptimierter Kombi-Ableiter für einphasige TN-Systeme mit 230 V Nennspannung (2+0-Schaltung); mit potentialfreiem Fernmeldekontakt.

1 Produkt

Art.-Nr. 941205 DSH TN 255 FM

GTIN 4013364289185, Zolltarifnr. (EU): 85363090, Bruttogewicht: 276.00 g, VPE: 1.00 Stk.


Abbildungen

Weitere Information

Kombi-Ableiter DEHNshield TN 255 FM
2-poliger Kombi-Ableiter für 230/400 V- TN-Systeme,
Breite 2TE, mit Fernmeldekontakt
Ableiter Typ 1 + Typ 2 nach EN 61643-11
Anwendungsoptimierter Einsatz in kompakten Elektroinstallationen
Funkenstrecken-Technologie mit Folgestrombegrenzung
Defektanzeige
Höchste Dauerspannung: 255 V AC
Schutzpegel: <= 1,5 kV
Blitzstoßstrom (10/350): 25 kA
Energetische Koordination nach DIN EN 62305-4
Ableiter der Red/Line-Familie, sowie direkt zum Endgerät

Fabrikat: DEHN
Typ: DSH TN 255 FM
Art.-Nr.: 941205
oder gleichwertig.

Zertifikate

 

Wellenbrecher-Funktion

Während des Ableitvorgangs fließt bei funkenstreckenbasierten Typ 1-Ableitern der gesamte Strom über den Typ-1 Ableiter. Wie bei einem Wellenbrecher wird die ankommende Energie stark heruntergebrochen, was die nachgeschalteten SPDs deutlich entlastet. Alle Typ 1-Ableiter der Red/Line-Produktfamilie weisen die Wellenbrecherfunktion WBF auf.

Technische Daten

SPD nach EN 61643-11 / ... IEC 61643-11 Typ 1 + Typ 2 / Class I + Class II
Höchste Dauerspannung AC (UC ) 255 V (50 / 60 Hz)
Blitzstoßstrom (10/350 µs) [L+N-PE] (Itotal ) 25 kA
Blitzstoßstrom (10/350 µs) [L, N-PE] (Iimp ) 12,5 kA
Schutzpegel [L-PE]/[N-PE] (UP ) ≤ 1,5 / ≤ 1,5 kV
Max. netzseitiger Überstromschutz 160 A gG
Zulassungen KEMA, VDE
FM-Kontakte / Kontaktform Wechsler

Artikel 941205 wurde zum Merkzettel hinzugefügt.

Zum Merkzettel

Artikel 941205 wurde zum Warenkorb hinzugefügt.

Zum Warenkorb

DEHNshield TN Basic FM

Anschlussfertiger, anwendungsoptimierter Kombi-Ableiter für einphasige TN-Systeme zum Einsatz im Hauptstromversorgungssystem (2+0-Schaltung) bei Wohngebäuden ohne äußeren Blitzschutz (auch mit Freileitungseinspeisung); mit potentialfreien Fernmeldekontakt.

1 Produkt

Art.-Nr. 941206 DSH B TN 255 FM

GTIN 4013364373839, Zolltarifnr. (EU): 85363090, Bruttogewicht: 276.00 g, VPE: 1.00 Stk.


Abbildungen

Weitere Information

Kombi-Ableiter DEHNshield B TN 255 FM
2-poliger Kombi-Ableiter für 230/400 V- TN-Systeme
Breite 2TE, mit Fernmeldekontakt
Ableiter Typ 1 + Typ 2 nach EN 61643-11
Erfüllt alle Anforderungen der DIN VDE 0100-534 und DIN VDE 0100-443
Funkenstrecken-Technologie mit Folgestrombegrenzung
Defektanzeige
Höchste Dauerspannung: 255 V AC
Schutzpegel: <= 1,5 kV
Blitzstoßstrom (10/350): 15 kA
Energetische Koordination nach DIN EN 62305-4
Ableiter der Red/Line-Familie, sowie direkt zum Endgerät

Fabrikat: DEHN
Typ: DSH B TN 255 FM
Art.-Nr.: 941206
oder gleichwertig.

Zertifikate

 

Wellenbrecher-Funktion

Während des Ableitvorgangs fließt bei funkenstreckenbasierten Typ 1-Ableitern der gesamte Strom über den Typ-1 Ableiter. Wie bei einem Wellenbrecher wird die ankommende Energie stark heruntergebrochen, was die nachgeschalteten SPDs deutlich entlastet. Alle Typ 1-Ableiter der Red/Line-Produktfamilie weisen die Wellenbrecherfunktion WBF auf.

Technische Daten

SPD nach EN 61643-11 / ... IEC 61643-11 Typ 1 + Typ 2 / Class I + Class II
Höchste Dauerspannung AC (UC ) 255 V (50 / 60 Hz)
Blitzstoßstrom (10/350 µs) [L+N-PE] (Itotal ) 15 kA
Blitzstoßstrom (10/350 µs) [L, N-PE] (Iimp ) 7,5 kA
Schutzpegel [L-PE]/[N-PE] (UP ) ≤ 1,5 / ≤ 1,5 kV
Max. netzseitiger Überstromschutz 160 A gG
FM-Kontakte / Kontaktform Wechsler

Artikel 941206 wurde zum Merkzettel hinzugefügt.

Zum Merkzettel

Artikel 941206 wurde zum Warenkorb hinzugefügt.

Zum Warenkorb

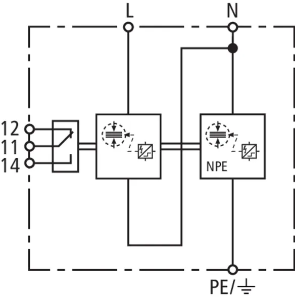
DEHNshield TT 2P

Anschlussfertiger, anwendungsoptimierter Kombi-Ableiter für einphasige TT- und TN-Systeme mit 230 V Nennspannung (1+1-Schaltung).

1 Produkt

Art.-Nr. 941110 DSH TT 2P 255

GTIN 4013364137899, Zolltarifnr. (EU): 85363090, Bruttogewicht: 291.00 g, VPE: 1.00 Stk.


Abbildungen

Weitere Information

Kombi-Ableiter DEHNshield TT 2P 255
2-poliger Kombi-Ableiter für 230/400 V- TT-Systeme, Breite 2TE
Ableiter Typ 1 + Typ 2 nach EN 61643-11
Anwendungsoptimierter Einsatz in kompakten Elektroinstallationen
Funkenstrecken-Technologie mit Folgestrombegrenzung
Defektanzeige
Höchste Dauerspannung: 255 V AC
Schutzpegel: <= 1,5 kV
Blitzstoßstrom (10/350): 25 kA
Energetische Koordination nach DIN EN 62305-4
Ableiter der Red/Line-Familie, sowie direkt zum Endgerät

Fabrikat: DEHN
Typ: DSH TT 2P 255
Art.-Nr.: 941110
oder gleichwertig.

Zertifikate

 

Wellenbrecher-Funktion

Während des Ableitvorgangs fließt bei funkenstreckenbasierten Typ 1-Ableitern der gesamte Strom über den Typ-1 Ableiter. Wie bei einem Wellenbrecher wird die ankommende Energie stark heruntergebrochen, was die nachgeschalteten SPDs deutlich entlastet. Alle Typ 1-Ableiter der Red/Line-Produktfamilie weisen die Wellenbrecherfunktion WBF auf.

Technische Daten

SPD nach EN 61643-11 / ... IEC 61643-11 Typ 1 + Typ 2 / Class I + Class II
Höchste Dauerspannung AC (UC ) 255 V (50 / 60 Hz)
Blitzstoßstrom (10/350 µs) [L+N-PE] (Itotal ) 25 kA
Blitzstoßstrom (10/350 µs) [L-N]/[N-PE] (Iimp ) 12,5 / 25 kA
Schutzpegel [L-N]/[N-PE] (UP ) ≤ 1,5 / ≤ 1,5 kV
Max. netzseitiger Überstromschutz 160 A gG
Zulassungen KEMA, VDE, UL
Erweiterte technische Daten: ---------------------------------
Schutzpegel [L-PE] (UP ) 2,0 kV

Artikel 941110 wurde zum Merkzettel hinzugefügt.

Zum Merkzettel

Artikel 941110 wurde zum Warenkorb hinzugefügt.

Zum Warenkorb

DEHNshield TT 2P FM

Anschlussfertiger, anwendungsoptimierter Kombi-Ableiter für einphasige TT- und TN-Systeme mit 230 V Nennspannung (1+1-Schaltung); mit potentialfreiem Fernmeldekontakt.

1 Produkt

Art.-Nr. 941115 DSH TT 2P 255 FM

GTIN 4013364289208, Zolltarifnr. (EU): 85363090, Bruttogewicht: 301.00 g, VPE: 1.00 Stk.


Abbildungen

Weitere Information

Kombi-Ableiter DEHNshield TT 2P 255 FM
2-poliger Kombi-Ableiter für 230/400 V- TT-Systeme
Ableiter Typ 1 + Typ 2 nach EN 61643-11
Breite 2 TE, mit Fernmeldekontakt
Anwendungsoptimierter Einsatz in kompakten Elektroinstallationen
Funkenstrecken-Technologie mit Folgestrombegrenzung
Defektanzeige
Höchste Dauerspannung: 255 V AC
Schutzpegel: <= 1,5 kV
Blitzstoßstrom (10/350): 25 kA
Energetische Koordination nach DIN EN 62305-4
Ableiter der Red/Line-Familie, sowie direkt zum Endgerät

Fabrikat: DEHN
Typ: DSH TT 2P 255 FM
Art.-Nr.: 941115
oder gleichwertig.

Zertifikate

 

Wellenbrecher-Funktion

Während des Ableitvorgangs fließt bei funkenstreckenbasierten Typ 1-Ableitern der gesamte Strom über den Typ-1 Ableiter. Wie bei einem Wellenbrecher wird die ankommende Energie stark heruntergebrochen, was die nachgeschalteten SPDs deutlich entlastet. Alle Typ 1-Ableiter der Red/Line-Produktfamilie weisen die Wellenbrecherfunktion WBF auf.

Technische Daten

SPD nach EN 61643-11 / ... IEC 61643-11 Typ 1 + Typ 2 / Class I + Class II
Höchste Dauerspannung AC (UC ) 255 V (50 / 60 Hz)
Blitzstoßstrom (10/350 µs) [L+N-PE] (Itotal ) 25 kA
Blitzstoßstrom (10/350 µs) [L-N]/[N-PE] (Iimp ) 12,5 / 25 kA
Schutzpegel [L-N]/[N-PE] (UP ) ≤ 1,5 / ≤ 1,5 kV
Max. netzseitiger Überstromschutz 160 A gG
Zulassungen KEMA, VDE
FM-Kontakte / Kontaktform Wechsler
Erweiterte technische Daten: ---------------------------------
Schutzpegel [L-PE] (UP ) 2,0 kV

Artikel 941115 wurde zum Merkzettel hinzugefügt.

Zum Merkzettel

Artikel 941115 wurde zum Warenkorb hinzugefügt.

Zum Warenkorb

DEHNshield TT 2P Basic FM

Anschlussfertiger, anwendungsoptimierter Kombi-Ableiter für einphasige TT- und TN-Systeme zum Einsatz im Hauptstromversorgungssystem (1+1-Schaltung) bei Wohngebäuden ohne äußeren Blitzschutz (auch mit Freileitungseinspeisung); mit potentialfreien Fernmeldekontakt.

1 Produkt

Art.-Nr. 941116 DSH B TT 2P 255 FM

GTIN 4013364373235, Zolltarifnr. (EU): 85363090, Bruttogewicht: 301.00 g, VPE: 1.00 Stk.


Abbildungen

Weitere Information

Kombi-Ableiter DEHNshield B TT 2P 255 FM
2-poliger Kombi-Ableiter für 230/400 V- TT-Systeme
Breite 2 TE, mit Fernmeldekontakt
Ableiter Typ 1 + Typ 2 nach EN 61643-11
Erfüllt alle Anforderungen der DIN VDE 0100-534 und DIN VDE 0100-443
Funkenstrecken-Technologie mit Folgestrombegrenzung
Defektanzeige
Höchste Dauerspannung: 255 V AC
Schutzpegel: <= 1,5 kV
Blitzstoßstrom (10/350): 15 kA
Energetische Koordination nach DIN EN 62305-4
Ableiter der Red/Line-Familie, sowie direkt zum Endgerät

Fabrikat: DEHN
Typ: DSH B TT 2P 255 FM
Art.-Nr.: 941116
oder gleichwertig.

Zertifikate

 

Wellenbrecher-Funktion

Während des Ableitvorgangs fließt bei funkenstreckenbasierten Typ 1-Ableitern der gesamte Strom über den Typ-1 Ableiter. Wie bei einem Wellenbrecher wird die ankommende Energie stark heruntergebrochen, was die nachgeschalteten SPDs deutlich entlastet. Alle Typ 1-Ableiter der Red/Line-Produktfamilie weisen die Wellenbrecherfunktion WBF auf.

Technische Daten

SPD nach EN 61643-11 / ... IEC 61643-11 Typ 1 + Typ 2 / Class I + Class II
Höchste Dauerspannung AC (UC ) 255 V (50 / 60 Hz)
Blitzstoßstrom (10/350 µs) [L+N-PE] (Itotal ) 15 kA
Blitzstoßstrom (10/350 µs) [L-N]/[N-PE] (Iimp ) 7,5 / 15 kA
Schutzpegel [L-N]/[N-PE] (UP ) ≤ 1,5 / ≤ 1,5 kV
Max. netzseitiger Überstromschutz 160 A gG
FM-Kontakte / Kontaktform Wechsler
Erweiterte technische Daten: ---------------------------------
Schutzpegel [L-PE] (UP ) 2,0 kV

Artikel 941116 wurde zum Merkzettel hinzugefügt.

Zum Merkzettel

Artikel 941116 wurde zum Warenkorb hinzugefügt.

Zum Warenkorb

nach oben