DEHNventil modular
:quality(98)/www.dehn.at/store/f/63850515/HDVORSCHAU/956315a0001_16-9.jpg) 
                        
                        :quality(98)/www.dehn.at/store/f/63850515/HDVORSCHAU/956315a0001_16-9.jpg) 
                            
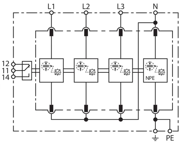
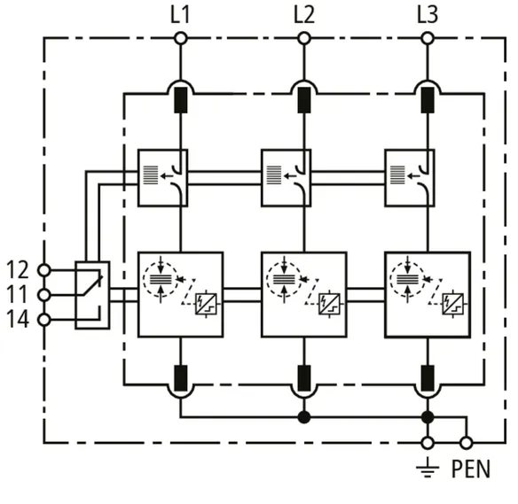
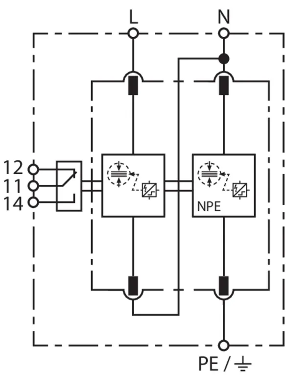
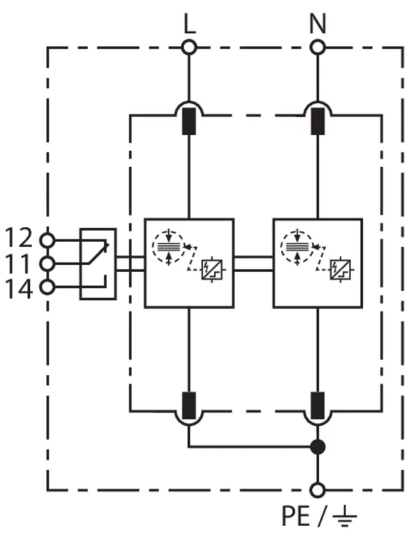
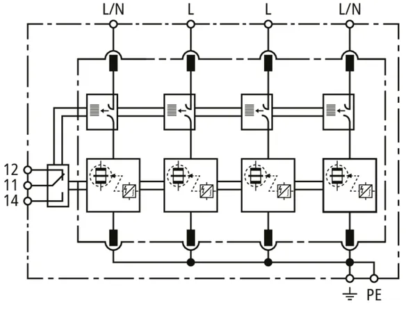
                        - Anschlussfertiger Kombi-Ableiter Typ 1 + Typ 2 + Typ 3 auf Funkenstreckenbasis, bestehend aus Basisteil und einem einzelnen gesteckten Schutzmodul
- Leistungsstarke und endgeräteschonende RAC-Funkenstreckentechnologie
- Ausschaltselektiv zu 20 A gG-Sicherungen bis 50 kAeff Kurzschlussstrom
- Ableitvermögen bis 100 kA (10/350 μs)
- Ermöglicht Endgeräteschutz
- Funktions- / Defektanzeige durch grün-rote Markierung im Sichtfenster und Überwachung aller Schutzpfade
- Einfacher, werkzeugloser Schutzmodulwechsel durch Modulverriegelungssystem mit Modulentriegelungstasten
Details
:quality(98)/www.dehn.at/store/f/63850516/HDVORSCHAU/954315a0004.jpg) 
                                :quality(98)/www.dehn.at/store/f/63850516/HDVORSCHAU/954315a0004.jpg) 
                                    
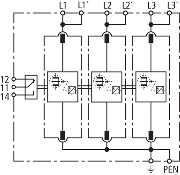
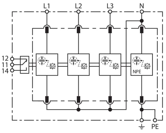
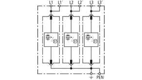
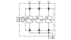
                                Art.-Nr. 956305 DV M2 TNC 255 FM
GTIN 4013364510586, Zolltarifnr. (EU): 85363090, Bruttogewicht: 519.19 g, VPE: 1.00 Stk.
VorgängerTechnische Daten
| SPD nach EN 61643-11 / ... IEC 61643-11 | Typ 1 + Typ 2 + Typ 3 / Class I + Class II + Class III | 
| Blitzstoßstrom (10/350 µs) [L1+L2+L3-PEN] (Itotal ) | 75 kA | 
| Blitzstoßstrom (10/350 µs) [L-PEN] (Iimp ) | 25 kA | 
| Schutzpegel (UP ) | ≤ 1,5 kV | 
| Max. Vorsicherung (L) bis IK = 50 kAeff | 250 A gG | 
| Zulassungen | VDE, KEMA, UL | 
| FM-Kontakte / Kontaktform | ja / Wechsler | 
| Erweiterte technische Daten: | Verwendung in Schaltanlagen mit prospektiven Kurzschlussströmen größer 50 kAeff | 
| – Max. prospektiver Kurzschlussstrom | 100 kAeff (220 kApeak) | 
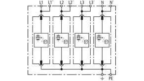
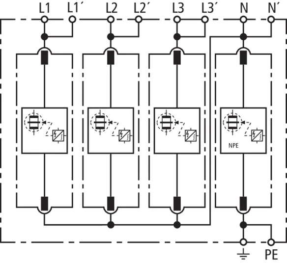
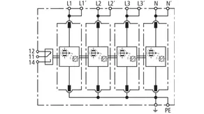
Art.-Nr. 956405 DV M2 TNS 255 FM
GTIN 4013364510562, Zolltarifnr. (EU): 85363090, Bruttogewicht: 583.68 g, VPE: 1.00 Stk.
VorgängerTechnische Daten
| SPD nach EN 61643-11 / ... IEC 61643-11 | Typ 1 + Typ 2 + Typ 3 / Class I + Class II + Class III | 
| Blitzstoßstrom (10/350 µs) [L1+L2+L3+N-PE] (Itotal ) | 100 kA | 
| Blitzstoßstrom (10/350 µs) [L, N-PE] (Iimp ) | 25 kA | 
| Schutzpegel [L-PE]/[N-PE] (UP ) | ≤ 1,5 / ≤ 1,5 kV | 
| Max. Vorsicherung (L) bis IK = 50 kAeff | 250 A gG | 
| Zulassungen | VDE, KEMA, UL | 
| FM-Kontakte / Kontaktform | ja / Wechsler | 
| Erweiterte technische Daten: | Verwendung in Schaltanlagen mit prospektiven Kurzschlussströmen größer 50 kAeff | 
| – Max. prospektiver Kurzschlussstrom | 100 kAeff (220 kApeak) | 
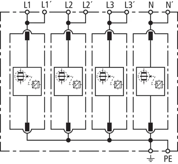
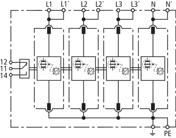
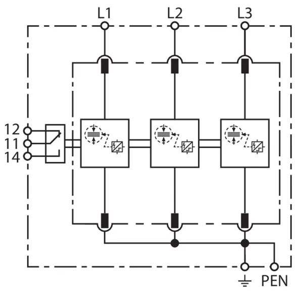
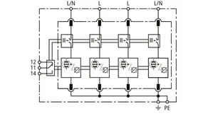
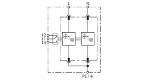
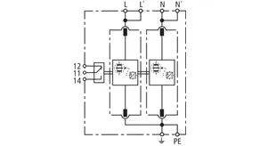
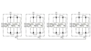
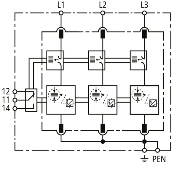
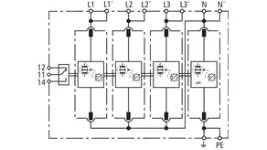
Art.-Nr. 956315 DV M2 TT 255 FM
GTIN 4013364528963, Zolltarifnr. (EU): 85363090, Bruttogewicht: 616.00 g, VPE: 1.00 Stk.
Technische Daten
| SPD nach EN 61643-11 / ... IEC 61643-11 | Typ 1 + Typ 2 + Typ 3 / Class I + Class II + Class III | 
| Blitzstoßstrom (10/350 µs) [L1+L2+L3+N-PE] (Itotal ) | 100 kA | 
| Blitzstoßstrom (10/350 µs) [L-N]/[N-PE] (Iimp ) | 25 / 100 kA | 
| Schutzpegel [L-N]/[N-PE] (UP ) | ≤ 1,5 / ≤ 1,5 kV | 
| Max. Vorsicherung (L) bis IK = 50 kAeff | 250 A gG | 
| Zulassungen | VDE, KEMA, UL | 
| FM-Kontakte / Kontaktform | ja / Wechsler | 
| Erweiterte technische Daten: | Verwendung in Schaltanlagen mit prospektiven Kurzschlussströmen größer 50 kAeff | 
| – Max. prospektiver Kurzschlussstrom | 100 kAeff (220 kApeak) | 
| Ergänzende Angaben: | --------------------------------- | 
| – Schutzpegel [L-PE] (UP ) | 1,8 kV | 
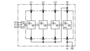
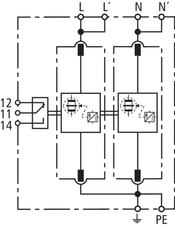
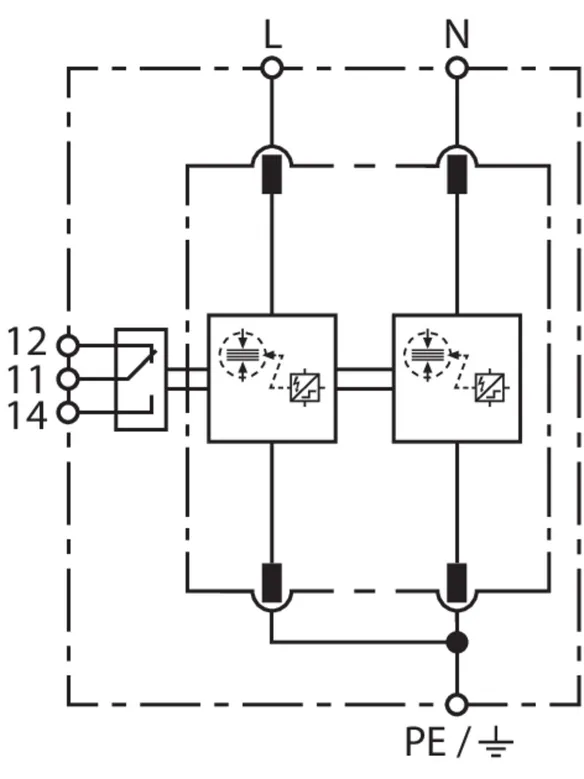
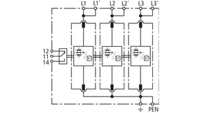
Art.-Nr. 956205 DV M2 TN 255 FM
GTIN 4013364510579, Zolltarifnr. (EU): 85363090, Bruttogewicht: 311.29 g, VPE: 1.00 Stk.
VorgängerTechnische Daten
| SPD nach EN 61643-11 / ... IEC 61643-11 | Typ 1 + Typ 2 + Typ 3 / Class I + Class II + Class III | 
| Blitzstoßstrom (10/350 µs) [L+N-PE] (Itotal ) | 50 kA | 
| Blitzstoßstrom (10/350 µs) [L, N-PE] (Iimp ) | 25 kA | 
| Schutzpegel [L-PE]/[N-PE] (UP ) | ≤ 1,5 / ≤ 1,5 kV | 
| Max. Vorsicherung (L) bis IK = 50 kAeff | 250 A gG | 
| Zulassungen | VDE, KEMA, UL | 
| FM-Kontakte / Kontaktform | ja / Wechsler | 
| Erweiterte technische Daten: | Verwendung in Schaltanlagen mit prospektiven Kurzschlussströmen größer 50 kAeff | 
| – Max. prospektiver Kurzschlussstrom | 100 kAeff (220 kApeak) | 
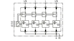
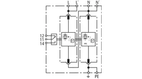
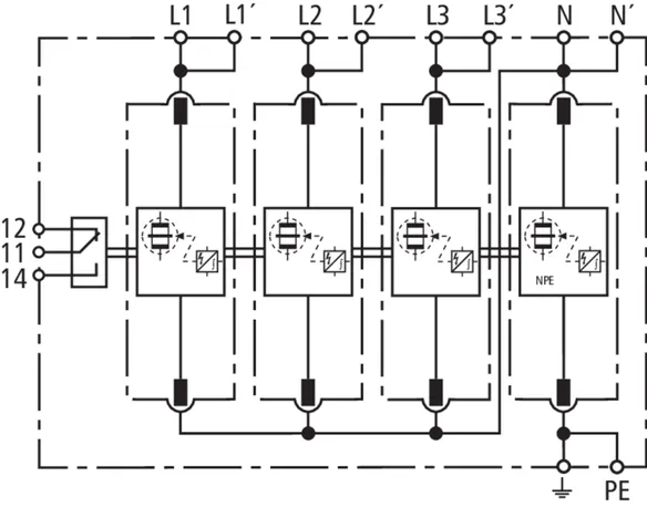
Art.-Nr. 956115 DV M2 TT 2P 255 FM
GTIN 4013364546929, Zolltarifnr. (EU): 85363090, Bruttogewicht: 327.00 g, VPE: 1.00 Stk.
Technische Daten
| SPD nach EN 61643-11 / ... IEC 61643-11 | Typ 1 + Typ 2 + Typ 3 / Class I + Class II + Class III | 
| Blitzstoßstrom (10/350 µs) [L+N-PE] (Itotal ) | 50 kA | 
| Blitzstoßstrom (10/350 µs) [L-N]/[N-PE] (Iimp ) | 25 / 50 kA | 
| Schutzpegel [L-N]/[N-PE] (UP ) | ≤ 1,5 / ≤ 1,5 kV | 
| Max. Vorsicherung (L) bis IK = 50 kAeff | 250 A gG | 
| Zulassungen | VDE, KEMA, UL | 
| FM-Kontakte / Kontaktform | ja / Wechsler | 
| Erweiterte technische Daten: | Verwendung in Schaltanlagen mit prospektiven Kurzschlussströmen größer 50 kAeff | 
| – Max. prospektiver Kurzschlussstrom | 100 kAeff (220 kApeak) | 
| Ergänzende Angaben: | --------------------------------- | 
| – Schutzpegel [L-PE] (UP ) | 1,8 kV | 
Art.-Nr. 951300 DV M TNC 255
GTIN 4013364108134, Zolltarifnr. (EU): 85363090, Bruttogewicht: 1004.00 g, VPE: 1.00 Stk.
VorgängerTechnische Daten
| SPD nach EN 61643-11 / ... IEC 61643-11 | Typ 1 + Typ 2 / Class I + Class II | 
| Blitzstoßstrom (10/350 µs) [L1+L2+L3-PEN] (Itotal ) | 75 kA | 
| Blitzstoßstrom (10/350 µs) [L-PEN] (Iimp ) | 25 kA | 
| Schutzpegel (UP ) | ≤ 1,5 kV | 
| Max. Vorsicherung (L) bis IK = 50 kAeff | 315 A gG | 
| Zulassungen | KEMA, VDE, UL | 
| Erweiterte technische Daten: | Verwendung in Schaltanlagen mit prospektiven Kurzschlussströmen größer 50 kAeff | 
| – Max. prospektiver Kurzschlussstrom | 100 kAeff (220 kApeak) | 
Art.-Nr. 951305 DV M TNC 255 FM
GTIN 4013364108141, Zolltarifnr. (EU): 85363090, Bruttogewicht: 1020.00 g, VPE: 1.00 Stk.
VorgängerTechnische Daten
| SPD nach EN 61643-11 / ... IEC 61643-11 | Typ 1 + Typ 2 / Class I + Class II | 
| Blitzstoßstrom (10/350 µs) [L1+L2+L3-PEN] (Itotal ) | 75 kA | 
| Blitzstoßstrom (10/350 µs) [L-PEN] (Iimp ) | 25 kA | 
| Schutzpegel (UP ) | ≤ 1,5 kV | 
| Max. Vorsicherung (L) bis IK = 50 kAeff | 315 A gG | 
| Zulassungen | KEMA, VDE, UL | 
| FM-Kontakte / Kontaktform | Wechsler | 
| Erweiterte technische Daten: | Verwendung in Schaltanlagen mit prospektiven Kurzschlussströmen größer 50 kAeff | 
| – Max. prospektiver Kurzschlussstrom | 100 kAeff (220 kApeak) | 
Art.-Nr. 951400 DV M TNS 255
GTIN 4013364108158, Zolltarifnr. (EU): 85363090, Bruttogewicht: 1.40 kg, VPE: 1.00 Stk.
VorgängerTechnische Daten
| SPD nach EN 61643-11 / ... IEC 61643-11 | Typ 1 + Typ 2 / Class I + Class II | 
| Blitzstoßstrom (10/350 µs) [L1+L2+L3+N-PE] (Itotal ) | 100 kA | 
| Blitzstoßstrom (10/350 µs) [L, N-PE] (Iimp ) | 25 kA | 
| Schutzpegel [L-PE]/[N-PE] (UP ) | ≤ 1,5 / ≤ 1,5 kV | 
| Max. Vorsicherung (L) bis IK = 50 kAeff | 315 A gG | 
| Zulassungen | KEMA, VDE, UL | 
| Erweiterte technische Daten: | Verwendung in Schaltanlagen mit prospektiven Kurzschlussströmen größer 50 kAeff | 
| – Max. prospektiver Kurzschlussstrom | 100 kAeff (220 kApeak) | 
Art.-Nr. 951405 DV M TNS 255 FM
GTIN 4013364108165, Zolltarifnr. (EU): 85363090, Bruttogewicht: 1.40 kg, VPE: 1.00 Stk.
VorgängerTechnische Daten
| SPD nach EN 61643-11 / ... IEC 61643-11 | Typ 1 + Typ 2 / Class I + Class II | 
| Blitzstoßstrom (10/350 µs) [L1+L2+L3+N-PE] (Itotal ) | 100 kA | 
| Blitzstoßstrom (10/350 µs) [L, N-PE] (Iimp ) | 25 kA | 
| Schutzpegel [L-PE]/[N-PE] (UP ) | ≤ 1,5 / ≤ 1,5 kV | 
| Max. Vorsicherung (L) bis IK = 50 kAeff | 315 A gG | 
| Zulassungen | KEMA, VDE, UL | 
| FM-Kontakte / Kontaktform | Wechsler | 
| Erweiterte technische Daten: | Verwendung in Schaltanlagen mit prospektiven Kurzschlussströmen größer 50 kAeff | 
| – Max. prospektiver Kurzschlussstrom | 100 kAeff (220 kApeak) | 
Art.-Nr. 951310 DV M TT 255
GTIN 4013364108172, Zolltarifnr. (EU): 85363090, Bruttogewicht: 1.31 kg, VPE: 1.00 Stk.
VorgängerTechnische Daten
| SPD nach EN 61643-11 / ... IEC 61643-11 | Typ 1 + Typ 2 / Class I + Class II | 
| Blitzstoßstrom (10/350 µs) [L1+L2+L3+N-PE] (Itotal ) | 100 kA | 
| Blitzstoßstrom (10/350 µs) [L-N]/[N-PE] (Iimp ) | 25 / 100 kA | 
| Schutzpegel [L-N]/[N-PE] (UP ) | ≤ 1,5 / ≤ 1,5 kV | 
| Max. Vorsicherung (L) bis IK = 50 kAeff | 315 A gG | 
| Zulassungen | KEMA, VDE, UL | 
| Erweiterte technische Daten: | Verwendung in Schaltanlagen mit prospektiven Kurzschlussströmen größer 50 kAeff | 
| – Max. prospektiver Kurzschlussstrom | 100 kAeff (220 kApeak) | 
| Ergänzende Angaben: | --------------------------------- | 
| – Schutzpegel [L-PE] (UP ) | 2,2 kV | 
Art.-Nr. 951315 DV M TT 255 FM
GTIN 4013364108189, Zolltarifnr. (EU): 85363090, Bruttogewicht: 1.32 kg, VPE: 1.00 Stk.
VorgängerTechnische Daten
| SPD nach EN 61643-11 / ... IEC 61643-11 | Typ 1 + Typ 2 / Class I + Class II | 
| Blitzstoßstrom (10/350 µs) [L1+L2+L3+N-PE] (Itotal ) | 100 kA | 
| Blitzstoßstrom (10/350 µs) [L-N]/[N-PE] (Iimp ) | 25 / 100 kA | 
| Schutzpegel [L-N]/[N-PE] (UP ) | ≤ 1,5 / ≤ 1,5 kV | 
| Max. Vorsicherung (L) bis IK = 50 kAeff | 315 A gG | 
| Zulassungen | KEMA, VDE, UL | 
| FM-Kontakte / Kontaktform | Wechsler | 
| Erweiterte technische Daten: | Verwendung in Schaltanlagen mit prospektiven Kurzschlussströmen größer 50 kAeff | 
| – Max. prospektiver Kurzschlussstrom | 100 kAeff (220 kApeak) | 
| Ergänzende Angaben: | --------------------------------- | 
| – Schutzpegel [L-PE] (UP ) | 2,2 kV | 
Art.-Nr. 951200 DV M TN 255
GTIN 4013364108097, Zolltarifnr. (EU): 85363090, Bruttogewicht: 754.00 g, VPE: 1.00 Stk.
VorgängerTechnische Daten
| SPD nach EN 61643-11 / ... IEC 61643-11 | Typ 1 + Typ 2 / Class I + Class II | 
| Blitzstoßstrom (10/350 µs) [L+N-PE] (Itotal ) | 50 kA | 
| Blitzstoßstrom (10/350 µs) [L, N-PE] (Iimp ) | 25 kA | 
| Schutzpegel [L-PE]/[N-PE] (UP ) | ≤ 1,5 / ≤ 1,5 kV | 
| Max. Vorsicherung (L) bis IK = 50 kAeff | 315 A gG | 
| Zulassungen | KEMA, VDE, UL | 
| Erweiterte technische Daten: | Verwendung in Schaltanlagen mit prospektiven Kurzschlussströmen größer 50 kAeff | 
| – Max. prospektiver Kurzschlussstrom | 100 kAeff (220 kApeak) | 
Art.-Nr. 951205 DV M TN 255 FM
GTIN 4013364108103, Zolltarifnr. (EU): 85363090, Bruttogewicht: 698.50 g, VPE: 1.00 Stk.
VorgängerTechnische Daten
| SPD nach EN 61643-11 / ... IEC 61643-11 | Typ 1 + Typ 2 / Class I + Class II | 
| Blitzstoßstrom (10/350 µs) [L+N-PE] (Itotal ) | 50 kA | 
| Blitzstoßstrom (10/350 µs) [L, N-PE] (Iimp ) | 25 kA | 
| Schutzpegel [L-PE]/[N-PE] (UP ) | ≤ 1,5 / ≤ 1,5 kV | 
| Max. Vorsicherung (L) bis IK = 50 kAeff | 315 A gG | 
| Zulassungen | KEMA, VDE, UL | 
| FM-Kontakte / Kontaktform | Wechsler | 
| Erweiterte technische Daten: | Verwendung in Schaltanlagen mit prospektiven Kurzschlussströmen größer 50 kAeff | 
| – Max. prospektiver Kurzschlussstrom | 100 kAeff (220 kApeak) | 
Art.-Nr. 951110 DV M TT 2P 255
GTIN 4013364108110, Zolltarifnr. (EU): 85363090, Bruttogewicht: 688.59 g, VPE: 1.00 Stk.
VorgängerTechnische Daten
| SPD nach EN 61643-11 / ... IEC 61643-11 | Typ 1 + Typ 2 / Class I + Class II | 
| Blitzstoßstrom (10/350 µs) [L+N-PE] (Itotal ) | 50 kA | 
| Blitzstoßstrom (10/350 µs) [L-N]/[N-PE] (Iimp ) | 25 / 50 kA | 
| Schutzpegel [L-N]/[N-PE] (UP ) | ≤ 1,5 / ≤ 1,5 kV | 
| Max. Vorsicherung (L) bis IK = 50 kAeff | 315 A gG | 
| Zulassungen | KEMA, VDE, UL | 
| Erweiterte technische Daten: | Verwendung in Schaltanlagen mit prospektiven Kurzschlussströmen größer 50 kAeff | 
| – Max. prospektiver Kurzschlussstrom | 100 kAeff (220 kApeak) | 
| Ergänzende Angaben: | --------------------------------- | 
| – Schutzpegel [L-PE] (UP ) | 2,2 kV | 
Art.-Nr. 951115 DV M TT 2P 255 FM
GTIN 4013364108127, Zolltarifnr. (EU): 85363090, Bruttogewicht: 694.38 g, VPE: 1.00 Stk.
VorgängerTechnische Daten
| SPD nach EN 61643-11 / ... IEC 61643-11 | Typ 1 + Typ 2 / Class I + Class II | 
| Blitzstoßstrom (10/350 µs) [L+N-PE] (Itotal ) | 50 kA | 
| Blitzstoßstrom (10/350 µs) [L-N]/[N-PE] (Iimp ) | 25 / 50 kA | 
| Schutzpegel [L-N]/[N-PE] (UP ) | ≤ 1,5 / ≤ 1,5 kV | 
| Max. Vorsicherung (L) bis IK = 50 kAeff | 315 A gG | 
| Zulassungen | KEMA, VDE, UL | 
| FM-Kontakte / Kontaktform | Wechsler | 
| Erweiterte technische Daten: | Verwendung in Schaltanlagen mit prospektiven Kurzschlussströmen größer 50 kAeff | 
| – Max. prospektiver Kurzschlussstrom | 100 kAeff (220 kApeak) | 
| Ergänzende Angaben: | --------------------------------- | 
| – Schutzpegel [L-PE] (UP ) | 2,2 kV | 
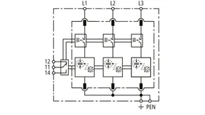
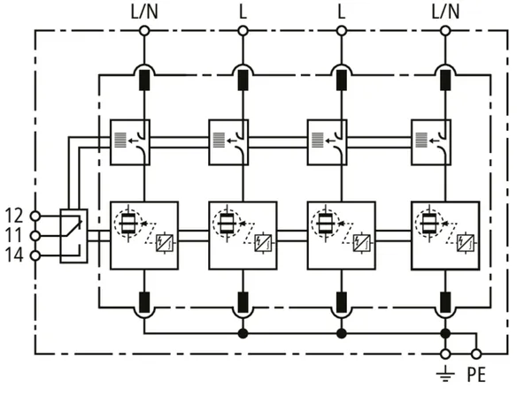
Art.-Nr. 961305 DV ACI M TNC 264 FM
GTIN 4013364513440, Zolltarifnr. (EU): 85363090, Bruttogewicht: 2.42 kg, VPE: 1.00 Stk.
Technische Daten
| SPD nach EN 61673-11 / IEC 61643-11 | Typ 1 + Typ 2 + Typ 3 / Class I + Class II + Class III | 
| Blitzstoßstrom (10/350 µs) [L1+L2+L3-PEN] (Itotal ) | 75 kA | 
| Blitzstoßstrom (10/350 µs) [L-PEN] (Iimp ) | 25 kA | 
| Schutzpegel (UP ) | ≤ 1,5 kV | 
| Erweiterte technische Daten: | Verwendung in Schaltanlagen mit prospektiven Kurzschlussströmen größer 50 kAeff | 
| – Max. prospektiver Kurzschlussstrom | 100 kAeff (220 kApeak) | 
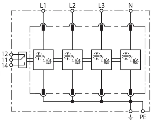
Art.-Nr. 961405 DV ACI M TNS 264 FM
GTIN 4013364513365, Zolltarifnr. (EU): 85363090, Bruttogewicht: 2.42 kg, VPE: 1.00 Stk.
Technische Daten
| SPD nach EN 61673-11 / IEC 61643-11 | Typ 1 + Typ 2 + Typ 3 / Class I + Class II + Class III | 
| Blitzstoßstrom (10/350 µs) [L1+L2+L3+N-PE] (Itotal ) | 100 kA | 
| Blitzstoßstrom (10/350 µs) [L, N-PE] (Iimp ) | 25 kA | 
| Schutzpegel [L-PE]/[N-PE] (UP ) | ≤ 1,5 kV | 
| Erweiterte technische Daten: | Verwendung in Schaltanlagen mit prospektiven Kurzschlussströmen größer 50 kAeff | 
| – Max. prospektiver Kurzschlussstrom | 100 kAeff (220 kApeak) | 
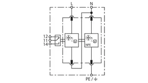
DEHNventil M2 880 FM
Set bestehend aus steckbaren Blitz- und Überspannungsableitern inklusive isolierter Modulverdrahtungsschiene anwendbar in Wechselrichter-Systemen mit aktiver Anti-PID mit maximalen DC Offset von 750 V DC. Beschaltung der Erdungssysteme gemäß IEC 60364-4-44, Table 44.A1 - RE und Z sowie RE und RA verbunden.
1 Produkt
Art.-Nr. 961151 DV M2 880 FM
GTIN 4013364532557, Zolltarifnr. (EU): 85363090, Bruttogewicht: 1.07 kg, VPE: 1.00 Stk.
Technische Daten
| SPD nach EN 61643-11 / ... IEC 61643-11 | Typ 1 + Typ 2 / Class I + Class II | 
| Blitzstoßstrom (10/350 µs) [1,2-3] (Iimp ) | 12,5 kA | 
| Max. Vorsicherung (L) bis IK = 50 kAeff | 160 A gG | 
| FM-Kontakte / Kontaktform | ja / Wechsler | 
| Ergänzende Angaben: | --------------------------------- | 
| – Anti-PID Spannung (U1-3 + UPID ) | 508 VAC + 750 VDC – Festigkeit | 
:quality(98)/www.dehn.at/store/f/63850538/HDVORSCHAU/956305.jpg) 
                                
                                :quality(98)/www.dehn.at/store/f/63850538/HDVORSCHAU/956305.jpg) 
                                    
                                        
                                    
                                    
                                :quality(98)/www.dehn.at/store/f/63850539/HDVORSCHAU/954305p.jpg) 
                                
                                :quality(98)/www.dehn.at/store/f/63850539/HDVORSCHAU/954305p.jpg) 
                                    
                                        :quality(98)/www.dehn.at/store/f/63850540/HDVORSCHAU/954305m_D.jpg) 
                                
                                :quality(98)/www.dehn.at/store/f/63850540/HDVORSCHAU/954305m_D.jpg) 
                                    
                                         
                 
                 
                 
                 
                 
             
   				:quality(98)/www.dehn.at/store/f/63850578/HDVORSCHAU/956405.jpg) 
                                
                                :quality(98)/www.dehn.at/store/f/63850578/HDVORSCHAU/956405.jpg) 
                                    
                                        
                                    
                                    
                                :quality(98)/www.dehn.at/store/f/63850579/HDVORSCHAU/954405p.jpg) 
                                
                                :quality(98)/www.dehn.at/store/f/63850579/HDVORSCHAU/954405p.jpg) 
                                    
                                        :quality(98)/www.dehn.at/store/f/63850580/HDVORSCHAU/954315+405m_D.jpg) 
                                
                                :quality(98)/www.dehn.at/store/f/63850580/HDVORSCHAU/954315+405m_D.jpg) 
                                    
                                        :quality(98)/www.dehn.at/store/f/63850598/HDVORSCHAU/956315.jpg) 
                                
                                :quality(98)/www.dehn.at/store/f/63850598/HDVORSCHAU/956315.jpg) 
                                    
                                        
                                    
                                    
                                :quality(98)/www.dehn.at/store/f/63850599/HDVORSCHAU/954315p.jpg) 
                                
                                :quality(98)/www.dehn.at/store/f/63850599/HDVORSCHAU/954315p.jpg) 
                                    
                                        :quality(98)/www.dehn.at/store/f/63850600/HDVORSCHAU/954315+405m_D.jpg) 
                                
                                :quality(98)/www.dehn.at/store/f/63850600/HDVORSCHAU/954315+405m_D.jpg) 
                                    
                                        :quality(98)/www.dehn.at/store/f/63850621/HDVORSCHAU/956205.jpg) 
                                
                                :quality(98)/www.dehn.at/store/f/63850621/HDVORSCHAU/956205.jpg) 
                                    
                                        
                                    
                                    
                                :quality(98)/www.dehn.at/store/f/63850622/HDVORSCHAU/954205p.jpg) 
                                
                                :quality(98)/www.dehn.at/store/f/63850622/HDVORSCHAU/954205p.jpg) 
                                    
                                        :quality(98)/www.dehn.at/store/f/63850623/HDVORSCHAU/954115+205m_D.jpg) 
                                
                                :quality(98)/www.dehn.at/store/f/63850623/HDVORSCHAU/954115+205m_D.jpg) 
                                    
                                        :quality(98)/www.dehn.at/store/f/63850642/HDVORSCHAU/956115.jpg) 
                                
                                :quality(98)/www.dehn.at/store/f/63850642/HDVORSCHAU/956115.jpg) 
                                    
                                        
                                    
                                    
                                :quality(98)/www.dehn.at/store/f/63850643/HDVORSCHAU/954115p.jpg) 
                                
                                :quality(98)/www.dehn.at/store/f/63850643/HDVORSCHAU/954115p.jpg) 
                                    
                                        :quality(98)/www.dehn.at/store/f/63850644/HDVORSCHAU/954115+205m_D.jpg) 
                                
                                :quality(98)/www.dehn.at/store/f/63850644/HDVORSCHAU/954115+205m_D.jpg) 
                                    
                                        :quality(98)/www.dehn.at/store/f/63850665/HDVORSCHAU/951300.jpg) 
                                
                                :quality(98)/www.dehn.at/store/f/63850665/HDVORSCHAU/951300.jpg) 
                                    
                                        
                                    
                                    
                                :quality(98)/www.dehn.at/store/f/63850666/HDVORSCHAU/951300p.jpg) 
                                
                                :quality(98)/www.dehn.at/store/f/63850666/HDVORSCHAU/951300p.jpg) 
                                    
                                        :quality(98)/www.dehn.at/store/f/63850667/HDVORSCHAU/951300m_D.jpg) 
                                
                                :quality(98)/www.dehn.at/store/f/63850667/HDVORSCHAU/951300m_D.jpg) 
                                    
                                         
        	:quality(98)/www.dehn.at/store/f/63850704/HDVORSCHAU/951305.jpg) 
                                
                                :quality(98)/www.dehn.at/store/f/63850704/HDVORSCHAU/951305.jpg) 
                                    
                                        
                                    
                                    
                                :quality(98)/www.dehn.at/store/f/63850705/HDVORSCHAU/951305p.jpg) 
                                
                                :quality(98)/www.dehn.at/store/f/63850705/HDVORSCHAU/951305p.jpg) 
                                    
                                        :quality(98)/www.dehn.at/store/f/63850706/HDVORSCHAU/951305m_D.jpg) 
                                
                                :quality(98)/www.dehn.at/store/f/63850706/HDVORSCHAU/951305m_D.jpg) 
                                    
                                        :quality(98)/www.dehn.at/store/f/63850719/HDVORSCHAU/951400.jpg) 
                                
                                :quality(98)/www.dehn.at/store/f/63850719/HDVORSCHAU/951400.jpg) 
                                    
                                        
                                    
                                    
                                :quality(98)/www.dehn.at/store/f/63850720/HDVORSCHAU/951400p.jpg) 
                                
                                :quality(98)/www.dehn.at/store/f/63850720/HDVORSCHAU/951400p.jpg) 
                                    
                                        :quality(98)/www.dehn.at/store/f/63850721/HDVORSCHAU/951400_310m_D.jpg) 
                                
                                :quality(98)/www.dehn.at/store/f/63850721/HDVORSCHAU/951400_310m_D.jpg) 
                                    
                                        :quality(98)/www.dehn.at/store/f/63850730/HDVORSCHAU/951405.jpg) 
                                
                                :quality(98)/www.dehn.at/store/f/63850730/HDVORSCHAU/951405.jpg) 
                                    
                                        
                                    
                                    
                                :quality(98)/www.dehn.at/store/f/63850731/HDVORSCHAU/951405p.jpg) 
                                
                                :quality(98)/www.dehn.at/store/f/63850731/HDVORSCHAU/951405p.jpg) 
                                    
                                        :quality(98)/www.dehn.at/store/f/63850732/HDVORSCHAU/951405_315m_D.jpg) 
                                
                                :quality(98)/www.dehn.at/store/f/63850732/HDVORSCHAU/951405_315m_D.jpg) 
                                    
                                        :quality(98)/www.dehn.at/store/f/63850745/HDVORSCHAU/951310.jpg) 
                                
                                :quality(98)/www.dehn.at/store/f/63850745/HDVORSCHAU/951310.jpg) 
                                    
                                        
                                    
                                    
                                :quality(98)/www.dehn.at/store/f/63850746/HDVORSCHAU/951310p.jpg) 
                                
                                :quality(98)/www.dehn.at/store/f/63850746/HDVORSCHAU/951310p.jpg) 
                                    
                                        :quality(98)/www.dehn.at/store/f/63850747/HDVORSCHAU/951400_310m_D.jpg) 
                                
                                :quality(98)/www.dehn.at/store/f/63850747/HDVORSCHAU/951400_310m_D.jpg) 
                                    
                                        :quality(98)/www.dehn.at/store/f/63850759/HDVORSCHAU/951315.jpg) 
                                
                                :quality(98)/www.dehn.at/store/f/63850759/HDVORSCHAU/951315.jpg) 
                                    
                                        
                                    
                                    
                                :quality(98)/www.dehn.at/store/f/63850760/HDVORSCHAU/951315p.jpg) 
                                
                                :quality(98)/www.dehn.at/store/f/63850760/HDVORSCHAU/951315p.jpg) 
                                    
                                        :quality(98)/www.dehn.at/store/f/63850761/HDVORSCHAU/951405_315m_D.jpg) 
                                
                                :quality(98)/www.dehn.at/store/f/63850761/HDVORSCHAU/951405_315m_D.jpg) 
                                    
                                        :quality(98)/www.dehn.at/store/f/63850774/HDVORSCHAU/951200.jpg) 
                                
                                :quality(98)/www.dehn.at/store/f/63850774/HDVORSCHAU/951200.jpg) 
                                    
                                        
                                    
                                    
                                :quality(98)/www.dehn.at/store/f/63850775/HDVORSCHAU/951200p.jpg) 
                                
                                :quality(98)/www.dehn.at/store/f/63850775/HDVORSCHAU/951200p.jpg) 
                                    
                                        :quality(98)/www.dehn.at/store/f/63850776/HDVORSCHAU/951200_110m_D.jpg) 
                                
                                :quality(98)/www.dehn.at/store/f/63850776/HDVORSCHAU/951200_110m_D.jpg) 
                                    
                                        :quality(98)/www.dehn.at/store/f/63850785/HDVORSCHAU/951205.jpg) 
                                
                                :quality(98)/www.dehn.at/store/f/63850785/HDVORSCHAU/951205.jpg) 
                                    
                                        
                                    
                                    
                                :quality(98)/www.dehn.at/store/f/63850786/HDVORSCHAU/951205p.jpg) 
                                
                                :quality(98)/www.dehn.at/store/f/63850786/HDVORSCHAU/951205p.jpg) 
                                    
                                        :quality(98)/www.dehn.at/store/f/63850787/HDVORSCHAU/951205_115m_D.jpg) 
                                
                                :quality(98)/www.dehn.at/store/f/63850787/HDVORSCHAU/951205_115m_D.jpg) 
                                    
                                        :quality(98)/www.dehn.at/store/f/63850801/HDVORSCHAU/951110.jpg) 
                                
                                :quality(98)/www.dehn.at/store/f/63850801/HDVORSCHAU/951110.jpg) 
                                    
                                        
                                    
                                    
                                :quality(98)/www.dehn.at/store/f/63850802/HDVORSCHAU/951110p.jpg) 
                                
                                :quality(98)/www.dehn.at/store/f/63850802/HDVORSCHAU/951110p.jpg) 
                                    
                                        :quality(98)/www.dehn.at/store/f/63850803/HDVORSCHAU/951200_110m_D.jpg) 
                                
                                :quality(98)/www.dehn.at/store/f/63850803/HDVORSCHAU/951200_110m_D.jpg) 
                                    
                                        :quality(98)/www.dehn.at/store/f/63850818/HDVORSCHAU/951115.jpg) 
                                
                                :quality(98)/www.dehn.at/store/f/63850818/HDVORSCHAU/951115.jpg) 
                                    
                                        
                                    
                                    
                                :quality(98)/www.dehn.at/store/f/63850819/HDVORSCHAU/951115p.jpg) 
                                
                                :quality(98)/www.dehn.at/store/f/63850819/HDVORSCHAU/951115p.jpg) 
                                    
                                        :quality(98)/www.dehn.at/store/f/63850820/HDVORSCHAU/951205_115m_D.jpg) 
                                
                                :quality(98)/www.dehn.at/store/f/63850820/HDVORSCHAU/951205_115m_D.jpg) 
                                    
                                        :quality(98)/www.dehn.at/store/f/63850829/HDVORSCHAU/961305_o.Zul.jpg) 
                                
                                :quality(98)/www.dehn.at/store/f/63850829/HDVORSCHAU/961305_o.Zul.jpg) 
                                    
                                        
                                    
                                    
                                :quality(98)/www.dehn.at/store/f/63850830/HDVORSCHAU/961305p.jpg) 
                                
                                :quality(98)/www.dehn.at/store/f/63850830/HDVORSCHAU/961305p.jpg) 
                                    
                                        :quality(98)/www.dehn.at/store/f/63850831/HDVORSCHAU/961305m_de_en.jpg) 
                                
                                :quality(98)/www.dehn.at/store/f/63850831/HDVORSCHAU/961305m_de_en.jpg) 
                                    
                                        :quality(98)/www.dehn.at/store/f/63850839/HDVORSCHAU/961405_o.Zul..jpg) 
                                
                                :quality(98)/www.dehn.at/store/f/63850839/HDVORSCHAU/961405_o.Zul..jpg) 
                                    
                                        
                                    
                                    
                                :quality(98)/www.dehn.at/store/f/63850840/HDVORSCHAU/961405p.jpg) 
                                
                                :quality(98)/www.dehn.at/store/f/63850840/HDVORSCHAU/961405p.jpg) 
                                    
                                        :quality(98)/www.dehn.at/store/f/63850841/HDVORSCHAU/961405m_DE_EN.jpg) 
                                
                                :quality(98)/www.dehn.at/store/f/63850841/HDVORSCHAU/961405m_DE_EN.jpg) 
                                    
                                        :quality(98)/www.dehn.at/store/f/63850850/HDVORSCHAU/961151.jpg) 
                                
                                :quality(98)/www.dehn.at/store/f/63850850/HDVORSCHAU/961151.jpg) 
                                    
                                        
                                    
                                    
                                :quality(98)/www.dehn.at/store/f/63850851/HDVORSCHAU/961151p.jpg) 
                                
                                :quality(98)/www.dehn.at/store/f/63850851/HDVORSCHAU/961151p.jpg) 
                                    
                                        :quality(98)/www.dehn.at/store/f/63850852/HDVORSCHAU/961151m_D.jpg) 
                                
                                :quality(98)/www.dehn.at/store/f/63850852/HDVORSCHAU/961151m_D.jpg)