Ihre Services im Dashboard..
Registriert nutzen Sie das komplette Angebot.

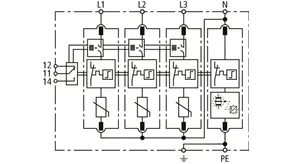
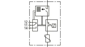
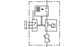
DEHNguard modular mit dimensionierungssicherer Advanced-Circuit Interruption

  • Neue Technologie "Advanced-Circuit Interruption" (ACI) im Schutzmodul integriert, bestehend aus Schalter- / Funkenstreckenkombination
  • Durch ACI-Technologie keine externe Vorsicherung notwendig
  • Kleine Anschlussquerschnitte 6 mm2 (Cu) vollkommen ausreichend *)
  • TOV Festigkeit auch bei 440 V (AC) gegeben
  • Hohe Anlagenverfügbarkeit, da selektiv zu 35 A gG Anlagensicherungen
  • Komplett leckstromfrei, da galvanische Trennung durch ACI-Schalteinheit
  • Energetisch koordiniert innerhalb der Red/Line-Produktfamilie
  • Vibrations- und schockgeprüft nach EN 60068-2
  • Push-in-Anschlusstechnik
*) Die Verdrahtung aller aktiven Leiter ist erd- und kurzschlusssicher zu verlegen

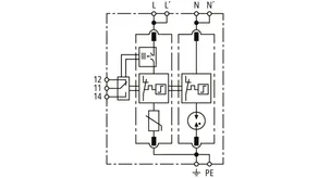
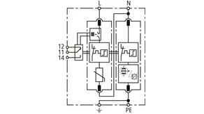
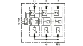
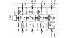
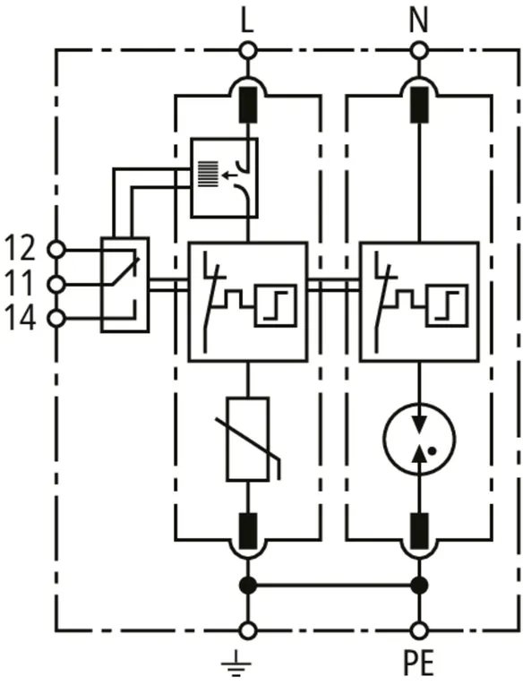
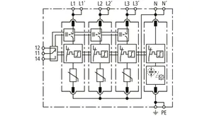
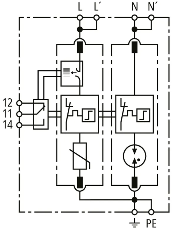
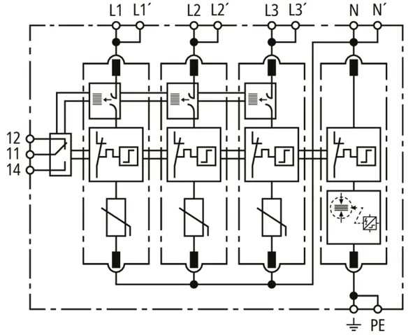
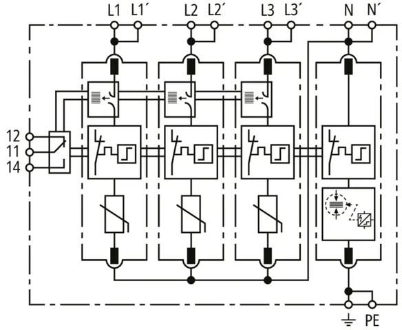
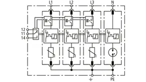
DEHNguard MD TNS ACI 275 FM

Modularer Überspannungs-Ableiter mit Advanced-Circuit Interruption (ACI) für TN-S-Systeme (4+0-Schaltung); mit potentialfreiem Fernmeldekontakt.

1 Produkt

Art.-Nr. 943440 DG MD TNS ACI 275 FM

GTIN 4013364477131, Zolltarifnr. (EU): 85363030, Bruttogewicht: 380.00 g, VPE: 1.00 Stk.


Abbildungen

Weitere Information

Überspannungs-Ableiter DEHNguard MD TNS ACI 275 FM
mit ACI-Technologie
4-poliger, modularer, steckbarer Überspannungs-Ableiter
mit integrierter ACI-Schalter-/Funkenstrecke
für 230/400 V TN-S-Systeme, Breite 4TE
mit Fernmeldekontakt
Ableiter Typ 2 nach EN 61643-11
Defektanzeige
Höchste Dauerspannung: 275 V ac
Schutzpegel: <= 1,5 kV
Nennableitstoßstrom: 20 kA
Kurzschlußfestigkeit: 25 kAeff
Zusätzliche externe Sicherung nicht notwendig
Energetische Koordination nach DIN EN 62305-4
Ableiter der Red/Line-Familie

Fabrikat: DEHN
Typ: DG MD TNS ACI 275 FM
Art.-Nr.: 943440
oder gleichwertig.

Zertifikate

 

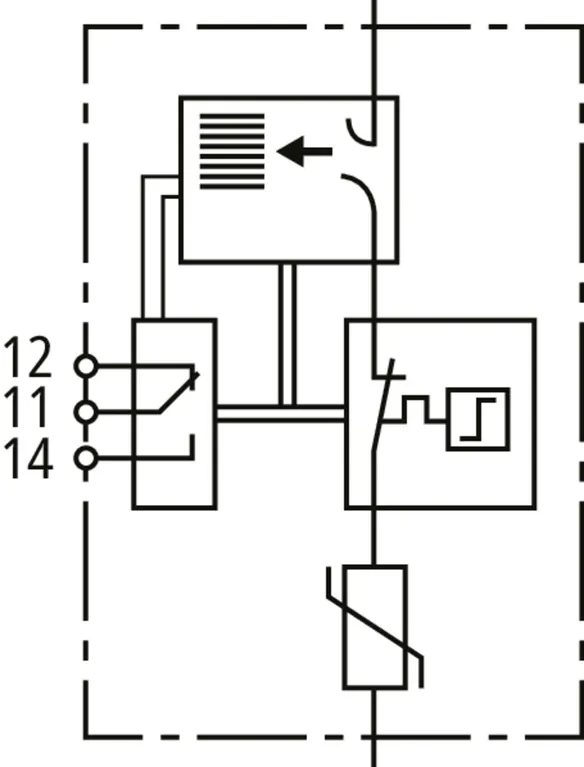
ACI-Technologie

Sie ist eine Weiterentwicklung der CI-Technologie und besteht aus einer Schalter-Funkenstreckenkombination, aufgebaut in Reihe mit einem Hochleistungsvaristor. Dies ermöglicht eine einfache Auslegung und den sicheren Betrieb des Überspannungsschutzgerätes. Weitere Merkmale sind Dimensionierungssicherheit, TOV-Festigkeit, ein Anschlussquerschnitt von nur 6 mm2 Cu und Leckstromfreiheit. Damit bieten Überspannungs-Ableiter mit ACI-Technologie maximale Sicherheit und höchste Anlagenverfügbarkeit.

Technische Daten

SPD nach EN 61643-11 / ... IEC 61643-11 Typ 2 / Class II
Höchste Dauerspannung AC [L-PE] (UC ) 275 V (50 / 60 Hz)
Nennableitstoßstrom (8/20 µs) (In ) 20 kA
Schutzpegel [L-PE]/[N-PE] (UP ) ≤ 1,5 / ≤ 1,5 kV
Zusätzliche externe Sicherung notwendig Nein
TOV-Spannung [L-N] (UT) – Charakteristik 335 V / 5 sec. – Festigkeit
TOV-Spannung (UT) – Charakteristik 440 V / 120 min. – Festigkeit
Leckstrom kein Leckstrom
Zulassungen DEKRA

Artikel 943440 wurde zum Merkzettel hinzugefügt.

Zum Merkzettel

Artikel 943440 wurde zum Warenkorb hinzugefügt.

Zum Warenkorb

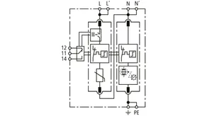
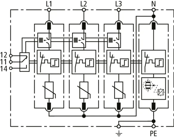
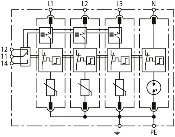
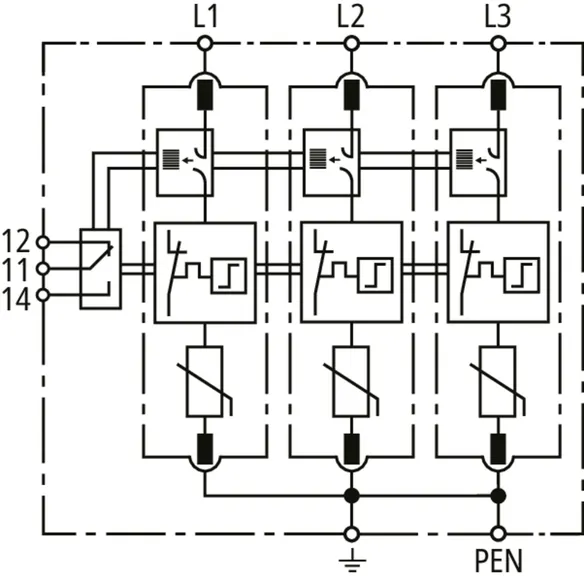
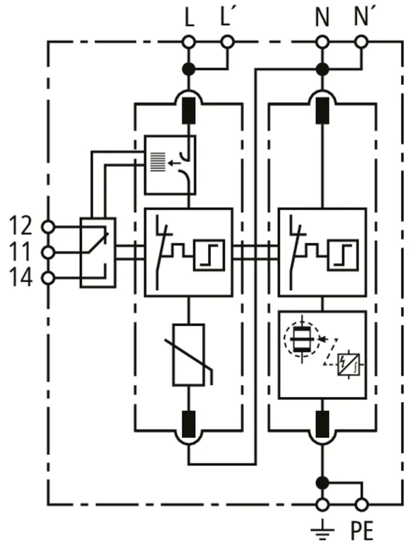
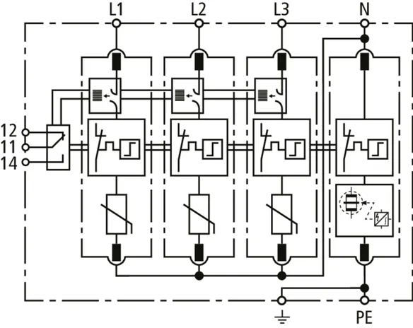
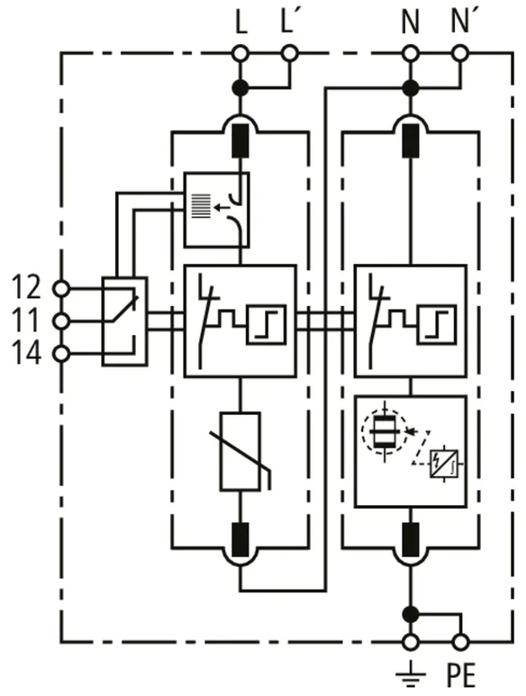
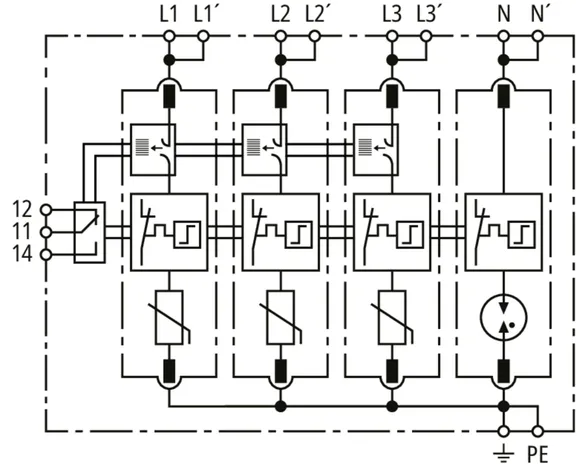
DEHNguard MD TT ACI ... FM

Modularer Überspannungs-Ableiter mit Advanced-Circuit Interruption (ACI) für TT- und TN-S-Systeme (3+1-Schaltung); mit potentialfreiem Fernmeldekontakt.

2 Produkte

Art.-Nr. 943341 DG MD TT ACI 275 FM

GTIN 4013364477179, Zolltarifnr. (EU): 85363030, Bruttogewicht: 250.00 g, VPE: 1.00 Stk.


Abbildungen

Weitere Information

Überspannungs-Ableiter DEHNguard MD TT ACI 275 FM
mit ACI-Technologie
4-poliger, modularer, steckbarer Überspannungs-Ableiter
mit integrierter ACI-Schalter-/Funkenstrecke
für 230/400 V TT-und TN-S-Systeme, Breite 4TE
mit Fernmeldekontakt
Ableiter Typ 2 nach EN 61643-11
Defektanzeige
Höchste Dauerspannung: 275 V ac
Schutzpegel: <= 1,5 kV
Nennableitstoßstrom: 20 kA
Kurzschlußfestigkeit: 25 kAeff
Zusätzliche externe Sicherung nicht notwendig
Energetische Koordination nach DIN EN 62305-4
Ableiter der Red/Line-Familie

Fabrikat: DEHN
Typ: DG MD TT ACI 275 FM
Art.-Nr.: 943341
oder gleichwertig.

 

ACI-Technologie

Sie ist eine Weiterentwicklung der CI-Technologie und besteht aus einer Schalter-Funkenstreckenkombination, aufgebaut in Reihe mit einem Hochleistungsvaristor. Dies ermöglicht eine einfache Auslegung und den sicheren Betrieb des Überspannungsschutzgerätes. Weitere Merkmale sind Dimensionierungssicherheit, TOV-Festigkeit, ein Anschlussquerschnitt von nur 6 mm2 Cu und Leckstromfreiheit. Damit bieten Überspannungs-Ableiter mit ACI-Technologie maximale Sicherheit und höchste Anlagenverfügbarkeit.

Technische Daten

SPD nach EN 61643-11 / ... IEC 61643-11 Typ 2 / Class II
Höchste Dauerspannung AC [L-N] (UC ) 275 V (50 / 60 Hz)
Nennableitstoßstrom (8/20 µs) [L-N] (In ) 20 kA
Schutzpegel [L-N]/[N-PE] (UP ) ≤ 1,5 / ≤ 1,5 kV
Zusätzliche externe Sicherung notwendig Nein
TOV-Spannung [L-N] (UT) – Charakteristik 335 V / 5 sec. – Festigkeit
TOV-Spannung [L-N] (UT) – Charakteristik 440 V / 120 min. – Festigkeit
TOV-Spannung [N-PE] (UT) – Charakteristik 1200 V / 200 ms. – Festigkeit
Leckstrom kein Leckstrom
Zulassungen DEKRA

Artikel 943341 wurde zum Merkzettel hinzugefügt.

Zum Merkzettel

Artikel 943341 wurde zum Warenkorb hinzugefügt.

Zum Warenkorb

Art.-Nr. 943342 DG MD TT ACI 385 FM

GTIN 4013364522251, Zolltarifnr. (EU): 85363030, Bruttogewicht: 250.00 g, VPE: 1.00 Stk.


Abbildungen

Weitere Information

Überspannungs-Ableiter DEHNguard MD TT ACI 385 FM
mit ACI-Technologie
4-poliger, modularer, steckbarer Überspannungs-Ableiter
mit integrierter ACI-Schalter-/Funkenstrecke
für 230/400 V TT-und TN-S-Systeme, Breite 4TE
mit Fernmeldekontakt
Ableiter Typ 2 nach EN 61643-11
Defektanzeige
Höchste Dauerspannung: 385 V ac
Schutzpegel: <= 1,5 kV
Nennableitstoßstrom: 20 kA
Kurzschlußfestigkeit: 25 kAeff
Zusätzliche externe Sicherung nicht notwendig
Energetische Koordination nach DIN EN 62305-4
Ableiter der Red/Line-Familie

Fabrikat: DEHN
Typ: DG MD TT ACI 385 FM
Art.-Nr.: 943342
oder gleichwertig.

 

ACI-Technologie

Sie ist eine Weiterentwicklung der CI-Technologie und besteht aus einer Schalter-Funkenstreckenkombination, aufgebaut in Reihe mit einem Hochleistungsvaristor. Dies ermöglicht eine einfache Auslegung und den sicheren Betrieb des Überspannungsschutzgerätes. Weitere Merkmale sind Dimensionierungssicherheit, TOV-Festigkeit, ein Anschlussquerschnitt von nur 6 mm2 Cu und Leckstromfreiheit. Damit bieten Überspannungs-Ableiter mit ACI-Technologie maximale Sicherheit und höchste Anlagenverfügbarkeit.

Technische Daten

SPD nach EN 61643-11 / ... IEC 61643-11 Typ 2 / Class II
Höchste Dauerspannung AC [L-N] (UC ) 385 V (50 / 60 Hz)
Nennableitstoßstrom (8/20 µs) [L-N] (In ) 20 kA
Max. Ableitstoßstrom (8/20 µs) [L-N] (Imax ) 40 kA
Max. Ableitstoßstrom (8/20 µs) [N-PE] (Imax ) 120 kA
Schutzpegel [L-N]/[N-PE] (UP ) ≤ 1,5 / ≤ 1,5 kV
Zusätzliche externe Sicherung notwendig Nein
TOV-Spannung [L-N] (UT) – Charakteristik 335 V / 5 sec. – Festigkeit
TOV-Spannung [L-N] (UT) – Charakteristik 440 V / 120 min. – Festigkeit
TOV-Spannung [N-PE] (UT) – Charakteristik 1200 V / 200 ms. – Festigkeit
Leckstrom kein Leckstrom
Zulassungen DEKRA

Artikel 943342 wurde zum Merkzettel hinzugefügt.

Zum Merkzettel

Artikel 943342 wurde zum Warenkorb hinzugefügt.

Zum Warenkorb

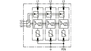
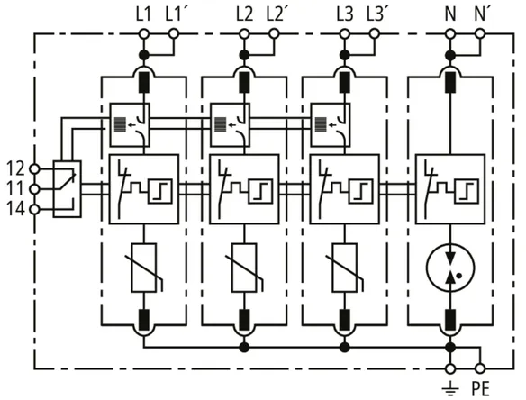
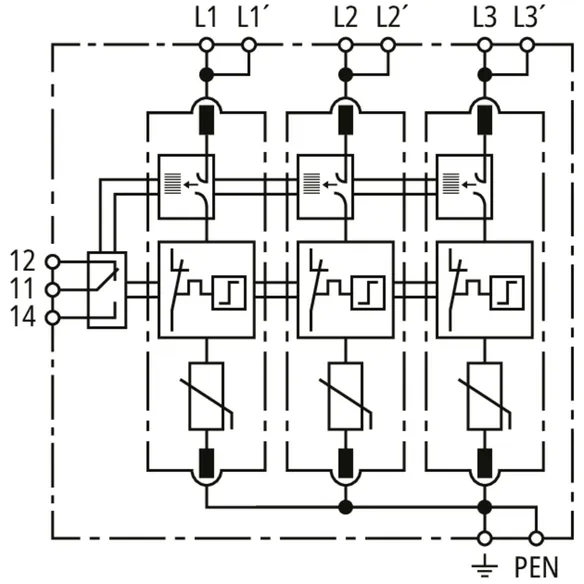
DEHNguard MP TNC ACI 275 FM

Modularer Überspannungs-Ableiter mit Advanced-Circuit Interruption (ACI) für TN-C-Systeme.

1 Produkt

Art.-Nr. 942330 DG MP TNC ACI 275 FM

GTIN 4013364495319, Zolltarifnr. (EU): 85363030, Bruttogewicht: 348.11 g, VPE: 1.00 Stk.


Abbildungen

Weitere Information

Überspannungs-Ableiter DEHNguard MP TNC ACI 275 FM
3-poliger, modularer, steckbarer
Überspannungs-Ableiter mit
integrierter ACI-Schalter-/Funkenstrecke
und Doppel-Push-In-Anschlussklemme für
Stich- und Durchgangsverdrahtung geeignet
für TN-S-Systeme, Breite 3TE
mit Fernmeldekontakt
Ableiter Typ 2 nach EN 61643-11
Defektanzeige
Höchste Dauerspannung: 275 V ac
Schutzpegel: <= 1,5 kV
Nennableitstoßstrom: 20 kA
Kurzschlußfestigkeit: 25 kAeff
Energetische Koordination nach DIN EN 62305-4
Ableiter der Red/Line-Familie

Fabrikat: DEHN
Typ: DG MP TNC ACI 275 FM
Art.-Nr.: 942330
oder gleichwertig.

Zertifikate

 

ACI-Technologie

Sie ist eine Weiterentwicklung der CI-Technologie und besteht aus einer Schalter-Funkenstreckenkombination, aufgebaut in Reihe mit einem Hochleistungsvaristor. Dies ermöglicht eine einfache Auslegung und den sicheren Betrieb des Überspannungsschutzgerätes. Weitere Merkmale sind Dimensionierungssicherheit, TOV-Festigkeit, ein Anschlussquerschnitt von nur 6 mm2 Cu und Leckstromfreiheit. Damit bieten Überspannungs-Ableiter mit ACI-Technologie maximale Sicherheit und höchste Anlagenverfügbarkeit.

Technische Daten

SPD nach EN 61643-11 / ... IEC 61643-11 Typ 2 / Class II
Höchste Dauerspannung AC (UC ) 275 V (50 / 60 Hz)
Nennableitstoßstrom (8/20 µs) (In ) 20 kA
Schutzpegel (UP ) ≤ 1,5 kV
Zusätzliche externe Sicherung notwendig nein
TOV-Spannung (UT) – Charakteristik 335 V / 5 sec. – Festigkeit
TOV-Spannung (UT) – Charakteristik 440 V / 120 min. – Festigkeit
Leckstrom kein Leckstrom
Zulassungen KEMA, VDE

Artikel 942330 wurde zum Merkzettel hinzugefügt.

Zum Merkzettel

Artikel 942330 wurde zum Warenkorb hinzugefügt.

Zum Warenkorb

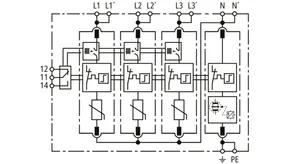
DEHNguard MP TNS ACI ... FM

Modularer Überspannungs-Ableiter mit Advanced-Circuit Interruption (ACI) für TN-S-Systeme.

1 Produkt

Art.-Nr. 942440 DG MP TNS ACI 275 FM

GTIN 4013364477148, Zolltarifnr. (EU): 85363030, Bruttogewicht: 377.08 g, VPE: 1.00 Stk.


Abbildungen

Weitere Information

Überspannungs-Ableiter DEHNguard MP TNS ACI 275 FM
4-poliger, modularer, steckbarer
Überspannungs-Ableiter mit
integrierter ACI-Schalter-/Funkenstrecke
und Doppel-Push-In-Anschlussklemme für
Stich- und Durchgangsverdrahtung geeignet
für TN-S-Systeme, Breite 4TE
mit Fernmeldekontakt
Ableiter Typ 2 nach EN 61643-11
Defektanzeige
Höchste Dauerspannung: 275 V ac
Schutzpegel: <= 1,5 kV
Nennableitstoßstrom: 20 kA
Kurzschlußfestigkeit: 25 kAeff
Energetische Koordination nach DIN EN 62305-4
Ableiter der Red/Line-Familie

Fabrikat: DEHN
Typ: DG MP TNS ACI 275 FM
Art.-Nr.: 942440
oder gleichwertig.

Zertifikate

 

ACI-Technologie

Sie ist eine Weiterentwicklung der CI-Technologie und besteht aus einer Schalter-Funkenstreckenkombination, aufgebaut in Reihe mit einem Hochleistungsvaristor. Dies ermöglicht eine einfache Auslegung und den sicheren Betrieb des Überspannungsschutzgerätes. Weitere Merkmale sind Dimensionierungssicherheit, TOV-Festigkeit, ein Anschlussquerschnitt von nur 6 mm2 Cu und Leckstromfreiheit. Damit bieten Überspannungs-Ableiter mit ACI-Technologie maximale Sicherheit und höchste Anlagenverfügbarkeit.

Technische Daten

SPD nach EN 61643-11 / ... IEC 61643-11 Typ 2 / Class II
Höchste Dauerspannung AC [L-PE] (UC ) 275 V (50 / 60 Hz)
Nennableitstoßstrom (8/20 µs) (In ) 20 kA
Schutzpegel [L-PE]/[N-PE] (UP ) ≤ 1,5 / ≤ 1,5 kV
Zusätzliche externe Sicherung notwendig nein
TOV-Spannung (UT) – Charakteristik 335 V / 5 sec. – Festigkeit
TOV-Spannung (UT) – Charakteristik 440 V / 120 min. – Festigkeit
Leckstrom kein Leckstrom
Zulassungen KEMA, VDE

Artikel 942440 wurde zum Merkzettel hinzugefügt.

Zum Merkzettel

Artikel 942440 wurde zum Warenkorb hinzugefügt.

Zum Warenkorb

DEHNguard MP TT ACI ... FM

Modularer Überspannungs-Ableiter mit Advanced-Circuit Interruption (ACI) für TT- und TN-S-Systeme (3+1-Schaltung).

2 Produkte

Art.-Nr. 942341 DG MP TT ACI 275 FM

GTIN 4013364477186, Zolltarifnr. (EU): 85363030, Bruttogewicht: 377.71 g, VPE: 1.00 Stk.


Abbildungen

Weitere Information

Überspannungs-Ableiter DEHNguard MP TT ACI 275 FM
4-poliger, modularer, steckbarer
Überspannungs-Ableiter mit
integrierter ACI-Schalter-/Funkenstrecke
und Doppel-Push-In-Anschlussklemme für
Stich- und Durchgangsverdrahtung geeignet
für TT-und TN-S-Systeme, Breite 4TE
mit Fernmeldekontakt
Ableiter Typ 2 nach EN 61643-11
Defektanzeige
Höchste Dauerspannung: 275 V ac
Schutzpegel: <= 1,5 kV
Nennableitstoßstrom: 20 kA
Kurzschlußfestigkeit: 25 kAeff
Energetische Koordination nach DIN EN 62305-4
Ableiter der Red/Line-Familie

Fabrikat: DEHN
Typ: DG MP TT ACI 275 FM
Art.-Nr.: 942341
oder gleichwertig.

Zertifikate

 

ACI-Technologie

Sie ist eine Weiterentwicklung der CI-Technologie und besteht aus einer Schalter-Funkenstreckenkombination, aufgebaut in Reihe mit einem Hochleistungsvaristor. Dies ermöglicht eine einfache Auslegung und den sicheren Betrieb des Überspannungsschutzgerätes. Weitere Merkmale sind Dimensionierungssicherheit, TOV-Festigkeit, ein Anschlussquerschnitt von nur 6 mm2 Cu und Leckstromfreiheit. Damit bieten Überspannungs-Ableiter mit ACI-Technologie maximale Sicherheit und höchste Anlagenverfügbarkeit.

Technische Daten

SPD nach EN 61643-11 / ... IEC 61643-11 Typ 2 / Class II
Höchste Dauerspannung AC [L-N] (UC ) 275 V (50 / 60 Hz)
Nennableitstoßstrom (8/20 µs) [L-N] (In ) 20 kA
Schutzpegel [L-N]/[N-PE] (UP ) ≤ 1,5 / ≤ 1,5 kV
Zusätzliche externe Sicherung notwendig nein
TOV-Spannung [L-N] (UT) – Charakteristik 335 V / 5 sec. – Festigkeit
TOV-Spannung [L-N] (UT) – Charakteristik 440 V / 120 min. – Festigkeit
TOV-Spannung [N-PE] (UT) – Charakteristik 1200 V / 200 ms. – Festigkeit
Leckstrom kein Leckstrom
Zulassungen KEMA, VDE

Artikel 942341 wurde zum Merkzettel hinzugefügt.

Zum Merkzettel

Artikel 942341 wurde zum Warenkorb hinzugefügt.

Zum Warenkorb

Art.-Nr. 942342 DG MP TT ACI 385 FM

GTIN 4013364484870, Zolltarifnr. (EU): 85363030, Bruttogewicht: 439.00 g, VPE: 1.00 Stk.


Abbildungen

Weitere Information

Überspannungs-Ableiter DEHNguard MP TT ACI 385 FM
4-poliger, modularer, steckbarer
Überspannungs-Ableiter mit
integrierter ACI-Schalter-/Funkenstrecke
und Doppel-Push-In-Anschlussklemme für
Stich- und Durchgangsverdrahtung geeignet
für TT-und TN-S-Systeme, Breite 4TE
mit Fernmeldekontakt
Ableiter Typ 2 nach EN 61643-11
Defektanzeige
Höchste Dauerspannung: 385 V ac
Schutzpegel: <= 1,5 kV
Nennableitstoßstrom: 20 kA
Kurzschlußfestigkeit: 25 kAeff
Energetische Koordination nach DIN EN 62305-4
Ableiter der Red/Line-Familie

Fabrikat: DEHN
Typ: DG MP TT ACI 385 FM
Art.-Nr.: 942342
oder gleichwertig.

Zertifikate

 

ACI-Technologie

Sie ist eine Weiterentwicklung der CI-Technologie und besteht aus einer Schalter-Funkenstreckenkombination, aufgebaut in Reihe mit einem Hochleistungsvaristor. Dies ermöglicht eine einfache Auslegung und den sicheren Betrieb des Überspannungsschutzgerätes. Weitere Merkmale sind Dimensionierungssicherheit, TOV-Festigkeit, ein Anschlussquerschnitt von nur 6 mm2 Cu und Leckstromfreiheit. Damit bieten Überspannungs-Ableiter mit ACI-Technologie maximale Sicherheit und höchste Anlagenverfügbarkeit.

Technische Daten

SPD nach EN 61643-11 / ... IEC 61643-11 Typ 2 / Class II
Höchste Dauerspannung AC [L-N] (UC ) 385 V (50 / 60 Hz)
Nennableitstoßstrom (8/20 µs) (In ) 20 kA
Max. Ableitstoßstrom (8/20 µs) [L-N] (Imax ) 40 kA
Schutzpegel [L-N]/[N-PE] (UP ) ≤ 1,5 / ≤ 1,5 kV
Zusätzliche externe Sicherung notwendig nein
TOV-Spannung [L-N] (UT) – Charakteristik 335 V / 5 sec. – Festigkeit
TOV-Spannung [L-N] (UT) – Charakteristik 440 V / 120 min. – Festigkeit
TOV-Spannung [N-PE] (UT) – Charakteristik 1200 V / 200 ms. – Festigkeit
Leckstrom kein Leckstrom
Zulassungen KEMA, VDE

Artikel 942342 wurde zum Merkzettel hinzugefügt.

Zum Merkzettel

Artikel 942342 wurde zum Warenkorb hinzugefügt.

Zum Warenkorb

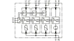
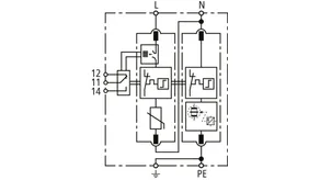
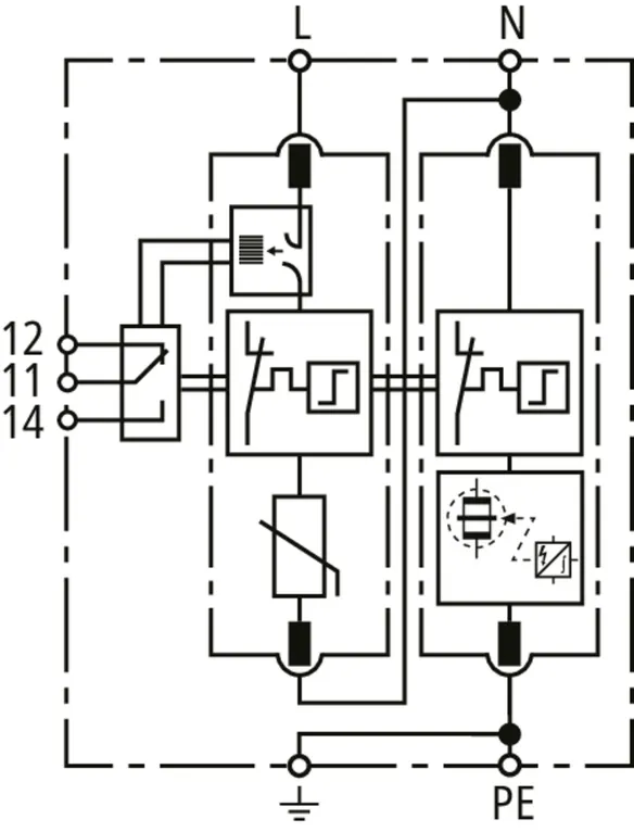
DEHNguard MP TN ACI 275 FM

Modularer Überspannungs-Ableiter mit Advanced-Circuit Interruption (ACI) für einphasige 230 V-TN-Systeme.

1 Produkt

Art.-Nr. 942220 DG MP TN ACI 275 FM

GTIN 4013364495425, Zolltarifnr. (EU): 85363030, Bruttogewicht: 234.63 g, VPE: 1.00 Stk.


Abbildungen

Weitere Information

Überspannungs-Ableiter DEHNguard MP TN ACI 275 FM
2-poliger, modularer, steckbarer
Überspannungs-Ableiter mit
integrierter ACI-Schalter-/Funkenstrecke
und Doppel-Push-In-Anschlussklemme für
Stich- und Durchgangsverdrahtung geeignet
für TN-Systeme, Breite 2TE
mit Fernmeldekontakt
Ableiter Typ 2 nach EN 61643-11
Defektanzeige
Höchste Dauerspannung: 275 V ac
Schutzpegel: <= 1,5 kV
Nennableitstoßstrom: 20 kA
Kurzschlußfestigkeit: 25 kAeff
Energetische Koordination nach DIN EN 62305-4
Ableiter der Red/Line-Familie

Fabrikat: DEHN
Typ: DG MP TN ACI 275 FM
Art.-Nr.: 942220
oder gleichwertig.

Zertifikate

 

ACI-Technologie

Sie ist eine Weiterentwicklung der CI-Technologie und besteht aus einer Schalter-Funkenstreckenkombination, aufgebaut in Reihe mit einem Hochleistungsvaristor. Dies ermöglicht eine einfache Auslegung und den sicheren Betrieb des Überspannungsschutzgerätes. Weitere Merkmale sind Dimensionierungssicherheit, TOV-Festigkeit, ein Anschlussquerschnitt von nur 6 mm2 Cu und Leckstromfreiheit. Damit bieten Überspannungs-Ableiter mit ACI-Technologie maximale Sicherheit und höchste Anlagenverfügbarkeit.

Technische Daten

SPD nach EN 61643-11 / ... IEC 61643-11 Typ 2 / Class II
Höchste Dauerspannung AC [L-PE] (UC ) 275 V (50 / 60 Hz)
Nennableitstoßstrom (8/20 µs) (In ) 20 kA
Schutzpegel [L-PE]/[N-PE] (UP ) ≤ 1,5 / ≤ 1,5 kV
Zusätzliche externe Sicherung notwendig nein
TOV-Spannung (UT) – Charakteristik 335 V / 5 sec. – Festigkeit
TOV-Spannung (UT) – Charakteristik 440 V / 120 min. – Festigkeit
Leckstrom kein Leckstrom
Zulassungen KEMA, VDE

Artikel 942220 wurde zum Merkzettel hinzugefügt.

Zum Merkzettel

Artikel 942220 wurde zum Warenkorb hinzugefügt.

Zum Warenkorb

DEHNguard MP TT 2P ACI ... FM

2 Produkte

Art.-Nr. 942121 DG MP TT 2P ACI 275 FM

GTIN 4013364495364, Zolltarifnr. (EU): 85363030, Bruttogewicht: 250.04 g, VPE: 1.00 Stk.


Abbildungen

Weitere Information

Überspannungs-Ableiter DEHNguard MP TT 2P ACI 275 FM
2-poliger, modularer, steckbarer
Überspannungs-Ableiter mit
integrierter ACI-Schalter-/Funkenstrecke
und Doppel-Push-In-Anschlussklemme für
Stich- und Durchgangsverdrahtung geeignet
für TT-und TN-Systeme, Breite 2TE
mit Fernmeldekontakt
Ableiter Typ 2 nach EN 61643-11
Defektanzeige
Höchste Dauerspannung: 275 V ac
Schutzpegel: <= 1,5 kV
Nennableitstoßstrom: 20 kA
Kurzschlußfestigkeit: 25 kAeff
Energetische Koordination nach DIN EN 62305-4
Ableiter der Red/Line-Familie

Fabrikat: DEHN
Typ: DG MP TT 2P ACI 275 FM
Art.-Nr.: 942121
oder gleichwertig.

Zertifikate

 

ACI-Technologie

Sie ist eine Weiterentwicklung der CI-Technologie und besteht aus einer Schalter-Funkenstreckenkombination, aufgebaut in Reihe mit einem Hochleistungsvaristor. Dies ermöglicht eine einfache Auslegung und den sicheren Betrieb des Überspannungsschutzgerätes. Weitere Merkmale sind Dimensionierungssicherheit, TOV-Festigkeit, ein Anschlussquerschnitt von nur 6 mm2 Cu und Leckstromfreiheit. Damit bieten Überspannungs-Ableiter mit ACI-Technologie maximale Sicherheit und höchste Anlagenverfügbarkeit.

Technische Daten

SPD nach EN 61643-11 / ... IEC 61643-11 Typ 2 / Class II
Höchste Dauerspannung AC [L-N] (UC ) 275 V (50 / 60 Hz)
Nennableitstoßstrom (8/20 µs) [L-N] (In ) 20 kA
Schutzpegel [L-N]/[N-PE] (UP ) ≤ 1,5 / ≤ 1,5 kV
Zusätzliche externe Sicherung notwendig nein
TOV-Spannung [L-N] (UT) – Charakteristik 335 V / 5 sec. – Festigkeit
TOV-Spannung [L-N] (UT) – Charakteristik 440 V / 120 min. – Festigkeit
TOV-Spannung [N-PE] (UT) – Charakteristik 1200 V / 200 ms. – Festigkeit
Leckstrom kein Leckstrom
Zulassungen KEMA, VDE

Artikel 942121 wurde zum Merkzettel hinzugefügt.

Zum Merkzettel

Artikel 942121 wurde zum Warenkorb hinzugefügt.

Zum Warenkorb

Art.-Nr. 942122 DG MP TT 2P ACI 385 FM

GTIN 4013364495371, Zolltarifnr. (EU): 85363030, Bruttogewicht: 250.24 g, VPE: 1.00 Stk.


Abbildungen

Weitere Information

Überspannungs-Ableiter DEHNguard MP TT 2P ACI 385 FM
2-poliger, modularer, steckbarer
Überspannungs-Ableiter mit
integrierter ACI-Schalter-/Funkenstrecke
und Doppel-Push-In-Anschlussklemme für
Stich- und Durchgangsverdrahtung geeignet
für TT-und TN-Systeme, Breite 2TE
mit Fernmeldekontakt
Ableiter Typ 2 nach EN 61643-11
Defektanzeige
Höchste Dauerspannung: 385 V ac
Schutzpegel: <= 1,5 kV
Nennableitstoßstrom: 20 kA
Kurzschlußfestigkeit: 25 kAeff
Energetische Koordination nach DIN EN 62305-4
Ableiter der Red/Line-Familie

Fabrikat: DEHN
Typ: DG MP TT 2P ACI 385 FM
Art.-Nr.: 942122
oder gleichwertig.

Zertifikate

 

ACI-Technologie

Sie ist eine Weiterentwicklung der CI-Technologie und besteht aus einer Schalter-Funkenstreckenkombination, aufgebaut in Reihe mit einem Hochleistungsvaristor. Dies ermöglicht eine einfache Auslegung und den sicheren Betrieb des Überspannungsschutzgerätes. Weitere Merkmale sind Dimensionierungssicherheit, TOV-Festigkeit, ein Anschlussquerschnitt von nur 6 mm2 Cu und Leckstromfreiheit. Damit bieten Überspannungs-Ableiter mit ACI-Technologie maximale Sicherheit und höchste Anlagenverfügbarkeit.

Technische Daten

SPD nach EN 61643-11 / ... IEC 61643-11 Typ 2 / Class II
Höchste Dauerspannung AC [L-N] (UC ) 385 V (50 / 60 Hz)
Nennableitstoßstrom (8/20 µs) (In ) 20 kA
Max. Ableitstoßstrom (8/20 µs) [L-N] (Imax ) 40 kA
Schutzpegel [L-N]/[N-PE] (UP ) ≤ 1,5 / ≤ 1,5 kV
Zusätzliche externe Sicherung notwendig nein
TOV-Spannung [L-N] (UT) – Charakteristik 335 V / 5 sec. – Festigkeit
TOV-Spannung [L-N] (UT) – Charakteristik 440 V / 120 min. – Festigkeit
TOV-Spannung [N-PE] (UT) – Charakteristik 1200 V / 200 ms. – Festigkeit
Leckstrom kein Leckstrom
Zulassungen KEMA, VDE

Artikel 942122 wurde zum Merkzettel hinzugefügt.

Zum Merkzettel

Artikel 942122 wurde zum Warenkorb hinzugefügt.

Zum Warenkorb

DEHNguard M TNC ACI 275 FM

Modularer Überspannungs-Ableiter mit Advanced-Circuit Interruption (ACI) für TN-C-Systeme.

1 Produkt

Art.-Nr. 952330 DG M TNC ACI 275 FM

GTIN 4013364376649, Zolltarifnr. (EU): 85363030, Bruttogewicht: 360.00 g, VPE: 1.00 Stk.

Vorgänger

Abbildungen

Weitere Information

Überspannungs-Ableiter mit ACI-Technologie DEHNguard M TNC ACI 275 FM
3-poliger modularer, steckbarer Überspannungs-Ableiter
mit integrierter ACI-Schalter-/Funkenstrecke
für 230/400 V TN-C-Systeme, Breite 3TE
Mit Fernmeldekontakt
Ableiter Typ 2 nach EN 61643-11
Höchste Dauerspannung: 275 V ac
Schutzpegel: <= 1,5 kV
Nennableitstoßstrom: 20 kA
Zusätzliche externe Sicherung nicht notwendig
Energetische Koordination nach DIN EN 62305-4
Ableiter der Red/Line-Familie
Mech. Defektanzeige für Ableiter

Fabrikat: DEHN
Typ: DG M TNC ACI 275 FM
Art.-Nr.: 952330
oder gleichwertig.

Zertifikate

 

ACI-Technologie

Sie ist eine Weiterentwicklung der CI-Technologie und besteht aus einer Schalter-Funkenstreckenkombination, aufgebaut in Reihe mit einem Hochleistungsvaristor. Dies ermöglicht eine einfache Auslegung und den sicheren Betrieb des Überspannungsschutzgerätes. Weitere Merkmale sind Dimensionierungssicherheit, TOV-Festigkeit, ein Anschlussquerschnitt von nur 6 mm2 Cu und Leckstromfreiheit. Damit bieten Überspannungs-Ableiter mit ACI-Technologie maximale Sicherheit und höchste Anlagenverfügbarkeit.

Technische Daten

SPD nach EN 61643-11 / ... IEC 61643-11 Typ 2 / Class II
Höchste Dauerspannung AC (UC ) 275 V (50 / 60 Hz)
Nennableitstoßstrom (8/20 µs) (In ) 20 kA
Schutzpegel (UP ) ≤ 1,5 kV
Zusätzliche externe Sicherung notwendig nein
TOV-Spannung (UT) – Charakteristik 440 V / 120 min. – Festigkeit
Leckstrom kein Leckstrom
Zulassungen KEMA

Artikel 952330 wurde zum Merkzettel hinzugefügt.

Zum Merkzettel

Artikel 952330 wurde zum Warenkorb hinzugefügt.

Zum Warenkorb

DEHNguard M TNC ACI 385 FM

1 Produkt

Art.-Nr. 952340 DG M TNC ACI 385 FM

GTIN 4013364560840, Zolltarifnr. (EU): 85363030, Bruttogewicht: 383.80 g, VPE: 1.00 Stk.


Abbildungen

Weitere Information

Überspannungs-Ableiter mit ACI-Technologie DEHNguard M TNC ACI 385 FM
3-poliger modularer, steckbarer Überspannungs-Ableiter
mit integrierter ACI-Schalter-/Funkenstrecke
für 230/400 V TN-C-Systeme, Breite 3TE
Mit Fernmeldekontakt
Ableiter Typ 2 nach EN 61643-11
Höchste Dauerspannung: 285 V ac
Schutzpegel: <= 1,5 kV
Nennableitstoßstrom: 20 kA
Zusätzliche externe Sicherung nicht notwendig
Energetische Koordination nach DIN EN 62305-4
Ableiter der Red/Line-Familie
Mech. Defektanzeige für Ableiter

Fabrikat: DEHN
Typ: DG M TNC ACI 385 FM
Art.-Nr.: 952340
oder gleichwertig.

Zertifikate

 

ACI-Technologie

Sie ist eine Weiterentwicklung der CI-Technologie und besteht aus einer Schalter-Funkenstreckenkombination, aufgebaut in Reihe mit einem Hochleistungsvaristor. Dies ermöglicht eine einfache Auslegung und den sicheren Betrieb des Überspannungsschutzgerätes. Weitere Merkmale sind Dimensionierungssicherheit, TOV-Festigkeit, ein Anschlussquerschnitt von nur 6 mm2 Cu und Leckstromfreiheit. Damit bieten Überspannungs-Ableiter mit ACI-Technologie maximale Sicherheit und höchste Anlagenverfügbarkeit.

Technische Daten

SPD nach EN 61643-11 / ... IEC 61643-11 Typ 2 / Class II
Höchste Dauerspannung AC (UC ) 385 V (50 / 60 Hz)
Nennableitstoßstrom (8/20 µs) (In ) 20 kA
Max. Ableitstoßstrom (8/20 µs) (Imax ) 40 kA
Schutzpegel (UP ) ≤ 1,5 kV
Zusätzliche externe Sicherung notwendig nein
TOV-Spannung (UT) – Charakteristik 440 V / 120 min. – Festigkeit
Leckstrom kein Leckstrom
Zulassungen KEMA

Artikel 952340 wurde zum Merkzettel hinzugefügt.

Zum Merkzettel

Artikel 952340 wurde zum Warenkorb hinzugefügt.

Zum Warenkorb

DEHNguard M TNS ACI 275 FM

Modularer Überspannungs-Ableiter mit Advanced-Circuit Interruption (ACI) für TN-S-Systeme.

1 Produkt

Art.-Nr. 952440 DG M TNS ACI 275 FM

GTIN 4013364376625, Zolltarifnr. (EU): 85363030, Bruttogewicht: 450.00 g, VPE: 1.00 Stk.

Vorgänger

Abbildungen

Weitere Information

Überspannungs-Ableiter mit ACI-Technologie DEHNguard M TNS ACI 275 FM
4-poliger modularer, steckbarer Überspannungs-Ableiter
mit integrierter ACI-Schalter-/Funkenstrecke
für 230/400 V TN-S-Systeme, Breite 4TE
Mit Fernmeldekontakt
Ableiter Typ 2 nach EN 61643-11
Höchste Dauerspannung: 275 V ac
Schutzpegel: <= 1,5 kV
Nennableitstoßstrom: 20 kA
Zusätzliche externe Sicherung nicht notwendig
Energetische Koordination nach DIN EN 62305-4
Ableiter der Red/Line-Familie
Mech. Defektanzeige für Ableiter

Fabrikat: DEHN
Typ: DG M TNS ACI 275 FM
Art.-Nr.: 952440
oder gleichwertig.

Zertifikate

 

ACI-Technologie

Sie ist eine Weiterentwicklung der CI-Technologie und besteht aus einer Schalter-Funkenstreckenkombination, aufgebaut in Reihe mit einem Hochleistungsvaristor. Dies ermöglicht eine einfache Auslegung und den sicheren Betrieb des Überspannungsschutzgerätes. Weitere Merkmale sind Dimensionierungssicherheit, TOV-Festigkeit, ein Anschlussquerschnitt von nur 6 mm2 Cu und Leckstromfreiheit. Damit bieten Überspannungs-Ableiter mit ACI-Technologie maximale Sicherheit und höchste Anlagenverfügbarkeit.

Technische Daten

SPD nach EN 61643-11 / ... IEC 61643-11 Typ 2 / Class II
Höchste Dauerspannung AC [L-PE] (UC ) 275 V (50 / 60 Hz)
Nennableitstoßstrom (8/20 µs) (In ) 20 kA
Schutzpegel [L-PE]/[N-PE] (UP ) ≤ 1,5 / ≤ 1,5 kV
Zusätzliche externe Sicherung notwendig nein
TOV-Spannung (UT) – Charakteristik 440 V / 120 min. – Festigkeit
Leckstrom kein Leckstrom
Zulassungen KEMA

Artikel 952440 wurde zum Merkzettel hinzugefügt.

Zum Merkzettel

Artikel 952440 wurde zum Warenkorb hinzugefügt.

Zum Warenkorb

DEHNguard M TT ACI ... FM

Modularer Überspannungs-Ableiter mit Advanced-Circuit Interruption (ACI) für TT- und TN-S-Systeme (3+1-Schaltung).

2 Produkte

Art.-Nr. 952341 DG M TT ACI 275 FM

GTIN 4013364376632, Zolltarifnr. (EU): 85363030, Bruttogewicht: 455.00 g, VPE: 1.00 Stk.

Vorgänger

Abbildungen

Weitere Information

Überspannungs-Ableiter mit ACI-Technologie DEHNguard M TT ACI 275 FM
4-poliger modularer, steckbarer Überspannungs-Ableiter
mit integrierter ACI-Schalter-/Funkenstrecke
für 230/400 V TT-und TN-S-Systeme, Breite 4TE
Mit Fernmeldekontakt
Ableiter Typ 2 nach EN 61643-11
Höchste Dauerspannung: 275 V ac
Schutzpegel: <= 1,5 kV
Nennableitstoßstrom: 20 kA
Zusätzliche externe Sicherung nicht notwendig
Energetische Koordination nach DIN EN 62305-4
Ableiter der Red/Line-Familie
Mech. Defektanzeige für Ableiter

Fabrikat: DEHN
Typ: DG M TT ACI 275 FM
Art.-Nr.: 952341
oder gleichwertig.

Zertifikate

 

ACI-Technologie

Sie ist eine Weiterentwicklung der CI-Technologie und besteht aus einer Schalter-Funkenstreckenkombination, aufgebaut in Reihe mit einem Hochleistungsvaristor. Dies ermöglicht eine einfache Auslegung und den sicheren Betrieb des Überspannungsschutzgerätes. Weitere Merkmale sind Dimensionierungssicherheit, TOV-Festigkeit, ein Anschlussquerschnitt von nur 6 mm2 Cu und Leckstromfreiheit. Damit bieten Überspannungs-Ableiter mit ACI-Technologie maximale Sicherheit und höchste Anlagenverfügbarkeit.

Technische Daten

SPD nach EN 61643-11 / ... IEC 61643-11 Typ 2 / Class II
Höchste Dauerspannung AC [L-N] (UC ) 275 V (50 / 60 Hz)
Nennableitstoßstrom (8/20 µs) [L-N] (In ) 20 kA
Schutzpegel [L-N]/[N-PE] (UP ) ≤ 1,5 / ≤ 1,5 kV
Zusätzliche externe Sicherung notwendig nein
TOV-Spannung [L-N] (UT) – Charakteristik 440 V / 120 min. – Festigkeit
TOV-Spannung [N-PE] (UT) – Charakteristik 1200 V / 200 ms. – Festigkeit
Leckstrom kein Leckstrom
Zulassungen KEMA

Artikel 952341 wurde zum Merkzettel hinzugefügt.

Zum Merkzettel

Artikel 952341 wurde zum Warenkorb hinzugefügt.

Zum Warenkorb

Art.-Nr. 952342 DG M TT ACI 385 FM

GTIN 4013364387850, Zolltarifnr. (EU): 85363030, Bruttogewicht: 520.00 g, VPE: 1.00 Stk.


Abbildungen

Weitere Information

Überspannungs-Ableiter mit ACI-Technologie DEHNguard M TT ACI 385 FM
4-poliger modularer, steckbarer Überspannungs-Ableiter
mit integrierter ACI-Schalter-/Funkenstrecke
für 230/400 V TT-und TN-S-Systeme, Breite 4TE
Mit Fernmeldekontakt
Ableiter Typ 2 nach EN 61643-11
Höchste Dauerspannung: 385 V ac
Schutzpegel: <= 1,5 kV
Nennableitstoßstrom: 20 kA
Zusätzliche externe Sicherung nicht notwendig
Energetische Koordination nach DIN EN 62305-4
Ableiter der Red/Line-Familie
Mech. Defektanzeige für Ableiter

Fabrikat: DEHN
Typ: DG M TT ACI 385 FM
Art.-Nr.: 952342
oder gleichwertig.

Zertifikate

 

ACI-Technologie

Sie ist eine Weiterentwicklung der CI-Technologie und besteht aus einer Schalter-Funkenstreckenkombination, aufgebaut in Reihe mit einem Hochleistungsvaristor. Dies ermöglicht eine einfache Auslegung und den sicheren Betrieb des Überspannungsschutzgerätes. Weitere Merkmale sind Dimensionierungssicherheit, TOV-Festigkeit, ein Anschlussquerschnitt von nur 6 mm2 Cu und Leckstromfreiheit. Damit bieten Überspannungs-Ableiter mit ACI-Technologie maximale Sicherheit und höchste Anlagenverfügbarkeit.

Technische Daten

SPD nach EN 61643-11 / ... IEC 61643-11 Typ 2 / Class II
Höchste Dauerspannung AC [L-N] (UC ) 385 V (50 / 60 Hz)
Nennableitstoßstrom (8/20 µs) [L-N] (In ) 20 kA
Max. Ableitstoßstrom (8/20 µs) [L-N] (Imax ) 40 kA
Max. Ableitstoßstrom (8/20 µs) [N-PE] (Imax ) 120 kA
Schutzpegel [L-N]/[N-PE] (UP ) ≤ 1,5 / ≤ 1,5 kV
Zusätzliche externe Sicherung notwendig nein
TOV-Spannung [L-N] (UT) – Charakteristik 440 V / 120 min. – Festigkeit
TOV-Spannung [N-PE] (UT) – Charakteristik 1200 V / 200 ms. – Festigkeit
Leckstrom kein Leckstrom
Zulassungen KEMA

Artikel 952342 wurde zum Merkzettel hinzugefügt.

Zum Merkzettel

Artikel 952342 wurde zum Warenkorb hinzugefügt.

Zum Warenkorb

DEHNguard M TN ACI 275 FM

Modularer Überspannungs-Ableiter mit Advanced-Circuit Interruption (ACI) für einphasige 230 V-TN-Systeme.

1 Produkt

Art.-Nr. 952220 DG M TN ACI 275 FM

GTIN 4013364376656, Zolltarifnr. (EU): 85363030, Bruttogewicht: 245.00 g, VPE: 1.00 Stk.

Vorgänger

Abbildungen

Weitere Information

Überspannungs-Ableiter mit ACI-Technologie DEHNguard M TN ACI 275 FM
2-poliger modularer, steckbarer Überspannungs-Ableiter
mit integrierter ACI-Schalter-/Funkenstrecke
für einphasige 230 V TN-Systeme, Breite 2TE
Mit Fernmeldekontakt
Ableiter Typ 2 nach EN 61643-11
Höchste Dauerspannung: 275 V ac
Schutzpegel: <= 1,5 kV
Nennableitstoßstrom: 20 kA
Zusätzliche externe Sicherung nicht notwendig
Energetische Koordination nach DIN EN 62305-4
Ableiter der Red/Line-Familie
Mech. Defektanzeige für Ableiter

Fabrikat: DEHN
Typ: DG M TN ACI 275 FM
Art.-Nr.: 952220
oder gleichwertig.

Zertifikate

 

ACI-Technologie

Sie ist eine Weiterentwicklung der CI-Technologie und besteht aus einer Schalter-Funkenstreckenkombination, aufgebaut in Reihe mit einem Hochleistungsvaristor. Dies ermöglicht eine einfache Auslegung und den sicheren Betrieb des Überspannungsschutzgerätes. Weitere Merkmale sind Dimensionierungssicherheit, TOV-Festigkeit, ein Anschlussquerschnitt von nur 6 mm2 Cu und Leckstromfreiheit. Damit bieten Überspannungs-Ableiter mit ACI-Technologie maximale Sicherheit und höchste Anlagenverfügbarkeit.

Technische Daten

SPD nach EN 61643-11 / ... IEC 61643-11 Typ 2 / Class II
Höchste Dauerspannung AC [L-PE] (UC ) 275 V (50 / 60 Hz)
Nennableitstoßstrom (8/20 µs) (In ) 20 kA
Schutzpegel [L-PE]/[N-PE] (UP ) ≤ 1,5 / ≤ 1,5 kV
Zusätzliche externe Sicherung notwendig nein
TOV-Spannung (UT) – Charakteristik 440 V / 120 min. – Festigkeit
Leckstrom kein Leckstrom
Zulassungen KEMA

Artikel 952220 wurde zum Merkzettel hinzugefügt.

Zum Merkzettel

Artikel 952220 wurde zum Warenkorb hinzugefügt.

Zum Warenkorb

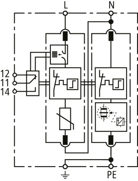
DEHNguard M TT 2P ACI ... FM

Modularer Überspannungs-Ableiter mit Advanced-Circuit Interruption (ACI) für einphasige 230 V-TT- und TN-Systeme (1+1-Schaltung).

2 Produkte

Art.-Nr. 952121 DG M TT 2P ACI 275 FM

GTIN 4013364376663, Zolltarifnr. (EU): 85363030, Bruttogewicht: 255.00 g, VPE: 1.00 Stk.

Vorgänger

Abbildungen

Weitere Information

Überspannungs-Ableiter mit ACI-Technologie DEHNguard M TT 2P ACI 275 FM
2-poliger modularer, steckbarer Überspannungs-Ableiter
mit integrierter ACI-Schalter-/Funkenstrecke
für einphasige 230 V TT-und TN-Systeme, Breite 2TE
Mit Fernmeldekontakt
Ableiter Typ 2 nach EN 61643-11
Höchste Dauerspannung: 275 V ac
Schutzpegel: <= 1,5 kV
Nennableitstoßstrom: 20 kA
Zusätzliche externe Sicherung nicht notwendig
Energetische Koordination nach DIN EN 62305-4
Ableiter der Red/Line-Familie
Mech. Defektanzeige für Ableiter

Fabrikat: DEHN
Typ: DG M TT 2P ACI 275 FM
Art.-Nr.: 952121
oder gleichwertig.

Zertifikate

 

ACI-Technologie

Sie ist eine Weiterentwicklung der CI-Technologie und besteht aus einer Schalter-Funkenstreckenkombination, aufgebaut in Reihe mit einem Hochleistungsvaristor. Dies ermöglicht eine einfache Auslegung und den sicheren Betrieb des Überspannungsschutzgerätes. Weitere Merkmale sind Dimensionierungssicherheit, TOV-Festigkeit, ein Anschlussquerschnitt von nur 6 mm2 Cu und Leckstromfreiheit. Damit bieten Überspannungs-Ableiter mit ACI-Technologie maximale Sicherheit und höchste Anlagenverfügbarkeit.

Technische Daten

SPD nach EN 61643-11 / ... IEC 61643-11 Typ 2 / Class II
Höchste Dauerspannung AC [L-N] (UC ) 275 V (50 / 60 Hz)
Nennableitstoßstrom (8/20 µs) [L-N] (In ) 20 kA
Schutzpegel [L-N]/[N-PE] (UP ) ≤ 1,5 / ≤ 1,5 kV
Zusätzliche externe Sicherung notwendig nein
TOV-Spannung [L-N] (UT) – Charakteristik 440 V / 120 min. – Festigkeit
TOV-Spannung [N-PE] (UT) – Charakteristik 1200 V / 200 ms. – Festigkeit
Leckstrom kein Leckstrom
Zulassungen KEMA

Artikel 952121 wurde zum Merkzettel hinzugefügt.

Zum Merkzettel

Artikel 952121 wurde zum Warenkorb hinzugefügt.

Zum Warenkorb

Art.-Nr. 952122 DG M TT 2P ACI 385 FM

GTIN 4013364387867, Zolltarifnr. (EU): 85363030, Bruttogewicht: 298.00 g, VPE: 1.00 Stk.


Abbildungen

Weitere Information

Überspannungs-Ableiter mit ACI-Technologie DEHNguard M TT 2P ACI 385 FM
2-poliger modularer, steckbarer Überspannungs-Ableiter
mit integrierter ACI-Schalter-/Funkenstrecke
für TT-und TN-Systeme, Breite 2TE
Mit Fernmeldekontakt
Ableiter Typ 2 nach EN 61643-11
Höchste Dauerspannung: 385 V ac
Schutzpegel: <= 1,5 kV
Nennableitstoßstrom: 20 kA
Zusätzliche externe Sicherung nicht notwendig
Energetische Koordination nach DIN EN 62305-4
Ableiter der Red/Line-Familie
Mech. Defektanzeige für Ableiter

Fabrikat: DEHN
Typ: DG M TT 2P ACI 385 FM
Art.-Nr.: 952122
oder gleichwertig.

Zertifikate

 

ACI-Technologie

Sie ist eine Weiterentwicklung der CI-Technologie und besteht aus einer Schalter-Funkenstreckenkombination, aufgebaut in Reihe mit einem Hochleistungsvaristor. Dies ermöglicht eine einfache Auslegung und den sicheren Betrieb des Überspannungsschutzgerätes. Weitere Merkmale sind Dimensionierungssicherheit, TOV-Festigkeit, ein Anschlussquerschnitt von nur 6 mm2 Cu und Leckstromfreiheit. Damit bieten Überspannungs-Ableiter mit ACI-Technologie maximale Sicherheit und höchste Anlagenverfügbarkeit.

Technische Daten

SPD nach EN 61643-11 / ... IEC 61643-11 Typ 2 / Class II
Höchste Dauerspannung AC [L-N] (UC ) 385 V (50 / 60 Hz)
Nennableitstoßstrom (8/20 µs) [L-N] (In ) 20 kA
Max. Ableitstoßstrom (8/20 µs) [L-N] (Imax ) 40 kA
Max. Ableitstoßstrom (8/20 µs) [N-PE] (Imax ) 120 kA
Schutzpegel [L-N]/[N-PE] (UP ) ≤ 1,5 / ≤ 1,5 kV
Zusätzliche externe Sicherung notwendig nein
TOV-Spannung [L-N] (UT) – Charakteristik 440 V / 120 min. – Festigkeit
TOV-Spannung [N-PE] (UT) – Charakteristik 1200 V / 200 ms. – Festigkeit
Leckstrom kein Leckstrom
Zulassungen KEMA

Artikel 952122 wurde zum Merkzettel hinzugefügt.

Zum Merkzettel

Artikel 952122 wurde zum Warenkorb hinzugefügt.

Zum Warenkorb

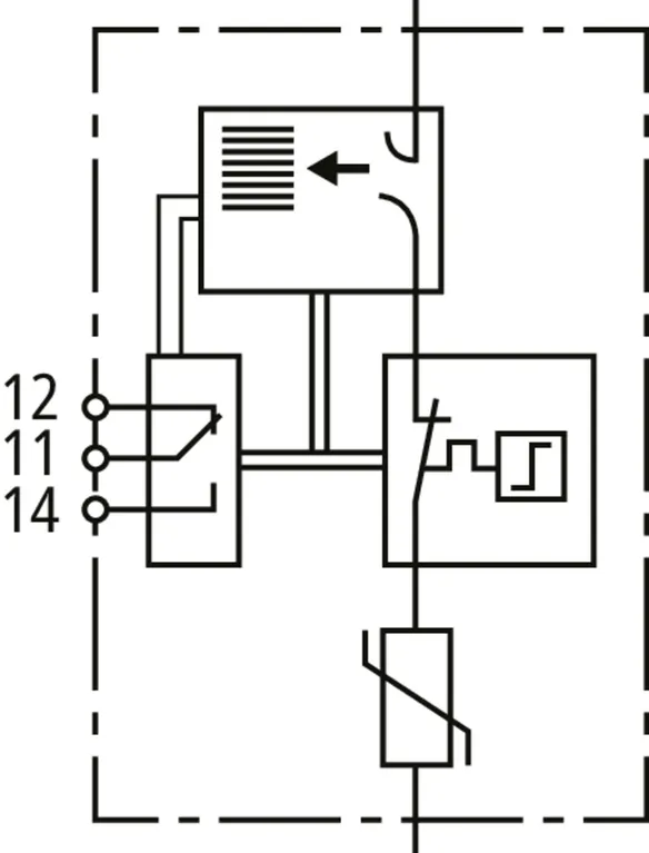
DEHNguard S ACI ... FM

Einpoliger, teilbarer Überspannungs-Ableiter, mit Advanced-Circuit Interruption (ACI) bestehend aus Basisteil und gestecktem Schutzmodul.

2 Produkte

Art.-Nr. 952100 DG S ACI 275 FM

GTIN 4013364376526, Zolltarifnr. (EU): 85363030, Bruttogewicht: 142.10 g, VPE: 1.00 Stk.

Vorgänger

Abbildungen

Weitere Information

Überspannungs-Ableiter mit ACI-Technologie DEHNguard S ACI 275 FM
1-poliger modularer, steckbarer Überspannungs-Ableiter
mit integrierter ACI-Schalter-/Funkenstrecke, Breite 1TE
Mit Fernmeldekontakt
Ableiter Typ 2 nach EN 61643-11
Höchste Dauerspannung: 275 V ac
Schutzpegel: <= 1,5 kV
Nennableitstoßstrom: 20 kA
Zusätzliche externe Sicherung nicht notwendig
Energetische Koordination nach DIN EN 62305-4
Ableiter der Red/Line-Familie
Mech. Defektanzeige für Ableiter

Fabrikat: DEHN
Typ: DG S ACI 275 FM
Art.-Nr.: 952100
oder gleichwertig.

Zertifikate

 

ACI-Technologie

Sie ist eine Weiterentwicklung der CI-Technologie und besteht aus einer Schalter-Funkenstreckenkombination, aufgebaut in Reihe mit einem Hochleistungsvaristor. Dies ermöglicht eine einfache Auslegung und den sicheren Betrieb des Überspannungsschutzgerätes. Weitere Merkmale sind Dimensionierungssicherheit, TOV-Festigkeit, ein Anschlussquerschnitt von nur 6 mm2 Cu und Leckstromfreiheit. Damit bieten Überspannungs-Ableiter mit ACI-Technologie maximale Sicherheit und höchste Anlagenverfügbarkeit.

Technische Daten

SPD nach EN 61643-11 / ... IEC 61643-11 Typ 2 / Class II
Höchste Dauerspannung AC (UC ) 275 V (50 / 60 Hz)
Nennableitstoßstrom (8/20 µs) (In ) 20 kA
Schutzpegel (UP ) ≤ 1,5 kV
Zusätzliche externe Sicherung notwendig nein
TOV-Spannung (UT) – Charakteristik 440 V / 120 min. – Festigkeit
Leckstrom kein Leckstrom
Zulassungen KEMA

Artikel 952100 wurde zum Merkzettel hinzugefügt.

Zum Merkzettel

Artikel 952100 wurde zum Warenkorb hinzugefügt.

Zum Warenkorb

Art.-Nr. 952113 DG S ACI 385 FM

GTIN 4013364387874, Zolltarifnr. (EU): 85363030, Bruttogewicht: 158.00 g, VPE: 1.00 Stk.


Abbildungen

Weitere Information

Überspannungs-Ableiter mit ACI-Technologie DEHNguard S ACI 275 FM
1-poliger modularer, steckbarer Überspannungs-Ableiter
mit integrierter ACI-Schalter-/Funkenstrecke, Breite 1TE
Mit Fernmeldekontakt
Ableiter Typ 2 nach EN 61643-11
Höchste Dauerspannung: 275 V ac
Schutzpegel: <= 1,5 kV
Nennableitstoßstrom: 20 kA
Zusätzliche externe Sicherung nicht notwendig
Energetische Koordination nach DIN EN 62305-4
Ableiter der Red/Line-Familie
Mech. Defektanzeige für Ableiter

Fabrikat: DEHN
Typ: DG S ACI 385 FM
Art.-Nr.: 952113
oder gleichwertig.

 

ACI-Technologie

Sie ist eine Weiterentwicklung der CI-Technologie und besteht aus einer Schalter-Funkenstreckenkombination, aufgebaut in Reihe mit einem Hochleistungsvaristor. Dies ermöglicht eine einfache Auslegung und den sicheren Betrieb des Überspannungsschutzgerätes. Weitere Merkmale sind Dimensionierungssicherheit, TOV-Festigkeit, ein Anschlussquerschnitt von nur 6 mm2 Cu und Leckstromfreiheit. Damit bieten Überspannungs-Ableiter mit ACI-Technologie maximale Sicherheit und höchste Anlagenverfügbarkeit.

Technische Daten

SPD nach EN 61643-11 / ... IEC 61643-11 Typ 2 / Class II
Höchste Dauerspannung AC (UC ) 385 V (50 / 60 Hz)
Nennableitstoßstrom (8/20 µs) (In ) 20 kA
Max. Ableitstoßstrom (8/20 µs) (Imax ) 40 kA
Schutzpegel (UP ) ≤ 1,5 kV
Zusätzliche externe Sicherung notwendig nein
TOV-Spannung (UT) – Charakteristik 440 V / 120 min. – Festigkeit
Leckstrom kein Leckstrom
Zulassungen KEMA

Artikel 952113 wurde zum Merkzettel hinzugefügt.

Zum Merkzettel

Artikel 952113 wurde zum Warenkorb hinzugefügt.

Zum Warenkorb

nach oben