Ihre Services im Dashboard..
Registriert nutzen Sie das komplette Angebot.

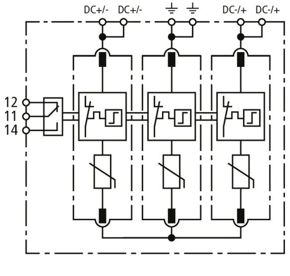
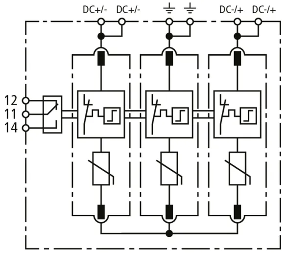
DEHNguard modular YPV ... FM

  • Verdrahtungsfertige Kompletteinheit für Photovoltaik-Anlagen, bestehend aus Basisteil und gesteckten Schutzmodulen
  • Fehlerresistente Y-Schaltung mit drei Hochleistungs-Varistoren vermeidet Schädigung des Überspannungsschutzes bei Isolationsfehler im Generatorstromkreis
  • Geprüft nach EN 61643-31
  • Hohe Überwachungs-Sicherheit durch Abtrennvorrichtung “Thermo-Dynamik-Control”
  • Defektanzeige durch rote Markierung im Sichtfenster
  • Einsetzbar gemäß IEC 60364-7-712 “Errichten von Photovoltaik-Versorgungssystemen”

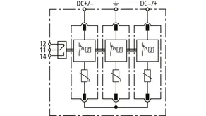
DEHNguard MP YPV ... FM

Mehrpoliger, modularer Überspannungs-Ableiter für PV-Anlagen mit Fernmeldekontakt für Überwachungseinrichtung (potentialfreier Wechsler).

2 Produkte

Art.-Nr. 942565 DG MP YPV 1200 FM

GTIN 4013364495685, Zolltarifnr. (EU): 85354000, Bruttogewicht: 355.99 g, VPE: 1.00 Stk.


Abbildungen

Weitere Information

Überspannungs-Ableiter DEHNguard MP YPV 1200 FM
Mehrpoliger, modularer, steckbarer Photovoltaik-Ableiter
mit Doppel-Push-In-Anschlussklemme für
Stich- und Durchgangsverdrahtung geeignet
bis 1170 V DC, Breite 3TE
Defektanzeige
Mit Fernmeldekontakt
Typ 2 nach EN 61643-31
Einsetzbar gemäß IEC 60364-7-712
Maximale PV-Spannung: <= 1170 V dc
Gesamtableitstoßstrom: 40 kA
Schutzpegel: <= 4 kV
Kurzschlussfestigkeit Iscpv: 10 kA

Fabrikat: DEHN
Typ: DG MP YPV 1200 FM
Art.-Nr.: 942565
oder gleichwertig.

Zertifikate

 

Technische Daten

SPD nach EN 61643-31 / ... IEC 61643-31 Typ 2 / Class II
Max. PV-Spannung (UCPV ) 1170 V
Kurzschlussfestigkeit (ISCPV ) 10 kA
Nennableitstoßstrom (8/20 µs) [(DC+/DC-) --> PE] (In ) 20 kA
Max. Ableitstoßstrom (8/20 µs) [(DC+/DC-) --> PE] (Imax ) 40 kA
Schutzpegel (UP ) ≤ 4 kV
FM-Kontakte / Kontaktform Wechsler

Artikel 942565 wurde zum Merkzettel hinzugefügt.

Zum Merkzettel

Artikel 942565 wurde zum Warenkorb hinzugefügt.

Zum Warenkorb

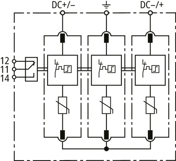
Art.-Nr. 942567 DG MP YPV 1500 FM

GTIN 4013364495678, Zolltarifnr. (EU): 85354000, Bruttogewicht: 387.05 g, VPE: 1.00 Stk.


Abbildungen

Weitere Information

Überspannungs-Ableiter DEHNguard MP YPV 1500 FM
Mehrpoliger, modularer, steckbarer Photovoltaik-Ableiter
mit Doppel-Push-In-Anschlussklemme für
Stich- und Durchgangsverdrahtung geeignet
bis 1500 V DC, Breite 3TE
Defektanzeige
Mit Fernmeldekontakt
Typ 2 nach EN 61643-31
Einsetzbar gemäß IEC 60364-7-712
Maximale PV-Spannung: <= 1500 V dc
Gesamtableitstoßstrom: 40 kA
Schutzpegel: <= 5 kV
Kurzschlussfestigkeit Iscpv: 10 kA

Fabrikat: DEHN
Typ: DG MP YPV 1500 FM
Art.-Nr.: 942567
oder gleichwertig.

Zertifikate

 

Technische Daten

SPD nach EN 61643-31 / ... IEC 61643-31 Typ 2 / Class II
Max. PV-Spannung (UCPV ) 1500 V
Kurzschlussfestigkeit (ISCPV ) 10 kA
Nennableitstoßstrom (8/20 µs) [(DC+/DC-) --> PE] (In ) 15 kA
Max. Ableitstoßstrom (8/20 µs) [(DC+/DC-) --> PE] (Imax ) 40 kA
Schutzpegel (UP ) ≤ 5 kV
FM-Kontakte / Kontaktform Wechsler

Artikel 942567 wurde zum Merkzettel hinzugefügt.

Zum Merkzettel

Artikel 942567 wurde zum Warenkorb hinzugefügt.

Zum Warenkorb

DEHNguard M YPV ... FM

Mehrpoliger, modularer Überspannungs-Ableiter für PV-Anlagen mit Fernmeldekontakt für Überwachungseinrichtung (potentialfreier Wechsler).

2 Produkte

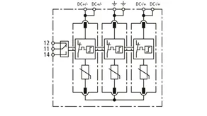
Art.-Nr. 952565 DG M YPV 1200 FM

GTIN 4013364327719, Zolltarifnr. (EU): 85354000, Bruttogewicht: 382.00 g, VPE: 1.00 Stk.


Abbildungen

Weitere Information

Überspannungs-Ableiter DEHNguard M YPV 1200 FM
Mehrpoliger, modularer, steckbarer Photovoltaik-Ableiter
bis 1170 V DC, Breite 3TE
Defektanzeige
Typ 2 nach EN 61643-31
Einsetzbar gemäß IEC 60364-7-712
Maximale PV-Spannung: <= 1170 V dc
Gesamtableitstoßstrom: 40 kA
Schutzpegel: <= 4 kV
Kurzschlussfestigkeit Iscpv: 10 kA

Fabrikat: DEHN
Typ: DG M YPV 1200 FM
Art.-Nr.: 952565
oder gleichwertig.

Zertifikate

 

Technische Daten

SPD nach EN 61643-31 / ... IEC 61643-31 Typ 2 / Class II
Max. PV-Spannung (UCPV ) 1170 V
Kurzschlussfestigkeit (ISCPV ) 10 kA
Nennableitstoßstrom (8/20 µs) [(DC+/DC-) --> PE] (In ) 20 kA
Max. Ableitstoßstrom (8/20 µs) [(DC+/DC-) --> PE] (Imax ) 40 kA
Schutzpegel (UP ) ≤ 4 kV
Zulassungen UL, KEMA
FM-Kontakte / Kontaktform Wechsler

Artikel 952565 wurde zum Merkzettel hinzugefügt.

Zum Merkzettel

Artikel 952565 wurde zum Warenkorb hinzugefügt.

Zum Warenkorb

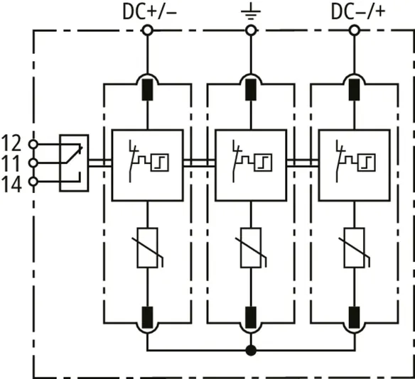
Art.-Nr. 952567 DG M YPV 1500 FM

GTIN 4013364327726, Zolltarifnr. (EU): 85354000, Bruttogewicht: 411.20 g, VPE: 1.00 Stk.


Abbildungen

Weitere Information

Überspannungs-Ableiter DEHNguard M YPV 1500 FM
Mehrpoliger, modularer, steckbarer Photovoltaik-Ableiter
bis 1500 V DC, Breite 3TE
Defektanzeige
Mit Fernmeldekontakt
Typ 2 nach EN 61643-31
Einsetzbar gemäß IEC 60364-7-712
Maximale PV-Spannung: <= 1500 V dc
Gesamtableitstoßstrom: 40 kA
Schutzpegel: <= 5 kV
Kurzschlussfestigkeit Iscpv: 10 kA

Fabrikat: DEHN
Typ: DG M YPV 1500 FM
Art.-Nr.: 952567
oder gleichwertig.

Zertifikate

 

Technische Daten

SPD nach EN 61643-31 / ... IEC 61643-31 Typ 2 / Class II
Max. PV-Spannung (UCPV ) 1500 V
Kurzschlussfestigkeit (ISCPV ) 10 kA
Nennableitstoßstrom (8/20 µs) [(DC+/DC-) --> PE] (In ) 15 kA
Max. Ableitstoßstrom (8/20 µs) [(DC+/DC-) --> PE] (Imax ) 40 kA
Schutzpegel (UP ) ≤ 5 kV
Zulassungen UL, KEMA
FM-Kontakte / Kontaktform Wechsler

Artikel 952567 wurde zum Merkzettel hinzugefügt.

Zum Merkzettel

Artikel 952567 wurde zum Warenkorb hinzugefügt.

Zum Warenkorb

nach oben