Ihre Services im Dashboard..
Registriert nutzen Sie das komplette Angebot.

BLITZDUCTOR VT

  • Wirtschaftlicher Schutz von mehradrigen Signalwegen
  • Schnittstellenspezifische Varianten, z. B. RS485 oder Telekommunikationsanwendungen
  • Varianten für DC-Spannungsversorgungen und kathodischen Korrosionsschutz

Details

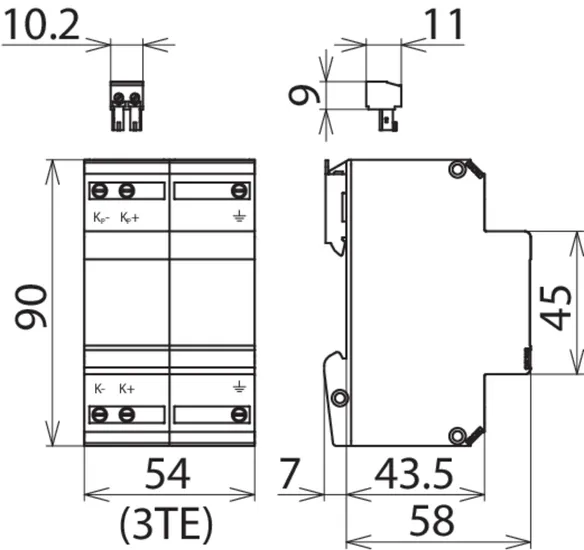
BVT Gehäusevariante mit einer Breite von 3 TE und Schraubklemmen:
BVT RS485 zum Schutz von RS485 / RS422-Schnittstellen
lorem ipsum
BVT Gerätevarianten zum Schutz aktiver Korrosionsschutz-Anlagen.
lorem ipsum
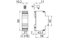
BVT Gehäusevariante mit einer Breite von 1,5 TE und Schraubklemmen:
BVT AVD/ALD: 2 geschützte Adern für DC-Spannungsversorgung
lorem ipsum
BVT Gehäusevariante mit einer Breite von 1,5 TE und RJ-Anschluss:
BVT TC1 zum Schutz von Telekommunikations-Schnittstellen.
lorem ipsum

BVT RS485

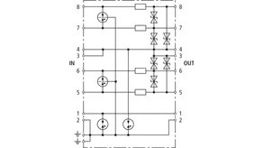
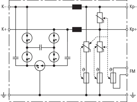
Ableiter für viele Anwendungen, z. B. für vieradrige symmetrische Schnittstellen RS485/422 oder auch Temperaturfühler. Wahlweise direkte oder indirekte Schirmerdung und Anschluss eines Signal Ground (SG).

1 Produkt

Art.-Nr. 918401 BVT RS485 5

GTIN 4013364074224, Zolltarifnr. (EU): 85363010, Bruttogewicht: 199.00 g, VPE: 1.00 Stk.


Abbildungen

Weitere Information

Überspannungs-Ableiter BLITZDUCTOR VT BVT RS485 5
Überspannungs-Ableiter
der Ableiterklasse Type 2 / P1
BLITZDUCTOR VT, geprüft nach
EN 61643-21 und energetisch
koordiniert nach IEC 61643-22
zum Schutz von Busschnittstellen
wie RS 485, 422, V.11,
direkte/indirekte Schirmerdung,
Anschluss über Schraubklemmen,
6-polig, Baubreite 3 TE
Nennspannung DC: 5 V
Höchste Dauerspannung DC: 6 V
Nennstrom: 0,5 A
C2 Nennableitstoßstrom (8/20 µs) gesamt: 10 kA

Fabrikat: DEHN
Typ: BVT RS485 5
Art.-Nr.: 918401
oder gleichwertig.

Zertifikate

 

Technische Daten

Ableiterklasse Q
Höchste Dauerspannung DC (UC ) 6 V
Nennstrom (IL ) 0,5 A
D1 Blitzstoßstrom (10/350 µs) pro Ader (Iimp ) 0,8 kA
C2 Nennableitstoßstrom (8/20 µs) gesamt (In ) 10 kA
Serienimpedanz pro Ader 1,8 Ohm
Grenzfrequenz Ad-Ad (fG ) 1,7 MHz
Zulassungen CSA

Artikel 918401 wurde zum Merkzettel hinzugefügt.

Zum Merkzettel

Artikel 918401 wurde zum Warenkorb hinzugefügt.

Zum Warenkorb

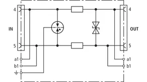
BVT AVD

Überspannungs-Ableiter mit verbesserten Schutzpegeln zum EMV-Schutz von elektronischen Komponenten mit Gleichspannungsversorgung. Optimal abgestimmt auf Siemens SPS. Durch den Einsatz einer unipolaren Diode ist auf die Polarität der Betriebsspannung zu achten.

1 Produkt

Art.-Nr. 918422 BVT AVD 24

GTIN 4013364149267, Zolltarifnr. (EU): 85363010, Bruttogewicht: 109.10 g, VPE: 1.00 Stk.

Vorgänger

Abbildungen

Weitere Information

Überspannungs-Ableiter EMV-Schutz für SPS BVT AVD 24
Überspannungs-Ableiter
der Ableiterklasse Type 3 / P1
BLITZDUCTOR VT, geprüft nach
EN 61643-21 und energetisch
koordinierbar nach IEC 61643-21
zum Schutz von speicherprogrammierbaren
Steuerungen / SPS-Systemen,
Anschluss über Schraubklemmen,
2-polig, Baubreite 1,5 TE
Nennspannung DC: 24 V
Höchste Dauerspannung DC: 35 V
Nennstrom bei 80 °C: 10 A
C2 Nennableitstoßstrom (8/20 µs) gesamt: 2 kA

Fabrikat: DEHN
Typ: BVT AVD 24
Art.-Nr.: 918422
oder gleichwertig.

Zertifikate

 

Technische Daten

Ableiterklasse W
Höchste Dauerspannung DC (UC ) 35 V
Nennstrom bei 80 °C (IL ) 10 A
C2 Nennableitstoßstrom (8/20 µs) gesamt (In ) 2 kA

Artikel 918422 wurde zum Merkzettel hinzugefügt.

Zum Merkzettel

Artikel 918422 wurde zum Warenkorb hinzugefügt.

Zum Warenkorb

BVT ALD

Energetisch koordinierter Kombi-Ableiter zum Schutz von erdfreien DC-Versorgungen für Hutschienenmontage.

2 Produkte

Art.-Nr. 918408 BVT ALD 36

GTIN 4013364125292, Zolltarifnr. (EU): 85363010, Bruttogewicht: 122.00 g, VPE: 1.00 Stk.


Abbildungen

Weitere Information

Koordinierter Kombi-Ableiter erdfreien DC-Versorgung BVT ALD 36
Kombi-Ableiter
der Ableiterklasse Type 1 / P1
BLITZDUCTOR VT,
geprüft nach EN 61643-21 und
energetisch koordiniert nach
IEC 61643-22 zum Schutz von
erdfreien DC-Versorgungen für
Hutschienenmontage,
Anschluss über Schraubklemmen,
2-polig, Baubreite 1,5 TE
Nennspannung DC: 36 V
Höchste Dauerspannung DC: 45 V
Nennstrom bei 80 °C: 4 A
Nennstrom bei 45 °C: 7 A
C2 Nennableitstoßstrom (8/20 µs) gesamt: 20 kA

Fabrikat: DEHN
Typ: BVT ALD 36
Art.-Nr.: 918408
oder gleichwertig.

Zertifikate

 

Technische Daten

Ableiterklasse M
Höchste Dauerspannung DC (UC ) 45 V
Nennstrom bei 80 °C (IL ) 4 A
Nennstrom bei 45 °C (IL ) 7 A
D1 Blitzstoßstrom (10/350 µs) pro Ader (Iimp ) 2,5 kA
D1 Blitzstoßstrom (10/350 µs) gesamt (Iimp ) 5 kA
C2 Nennableitstoßstrom (8/20 µs) gesamt (In ) 20 kA
Serienimpedanz pro Ader 22 µH
Zulassungen UL

Artikel 918408 wurde zum Merkzettel hinzugefügt.

Zum Merkzettel

Artikel 918408 wurde zum Warenkorb hinzugefügt.

Zum Warenkorb

Art.-Nr. 918409 BVT ALD 60

GTIN 4013364146709, Zolltarifnr. (EU): 85363010, Bruttogewicht: 122.00 g, VPE: 1.00 Stk.


Abbildungen

Weitere Information

Koordinierter Kombi-Ableiter erdfreien DC-Versorgung BVT ALD 60
Kombi-Ableiter
der Ableiterklasse Type 1 / P1
BLITZDUCTOR VT,
geprüft nach EN 61643-21 und
energetisch koordiniert nach
IEC 61643-22 zum Schutz von
erdfreien DC-Versorgungen für
Hutschienenmontage,
Anschluss über Schraubklemmen,
2-polig, Baubreite 1,5 TE
Nennspannung DC: 60 V
Höchste Dauerspannung DC: 65 V
Nennstrom bei 80 °C: 4 A
Nennstrom bei 45 °C: 7 A
C2 Nennableitstoßstrom (8/20 µs) gesamt: 20 kA

Fabrikat: DEHN
Typ: BVT ALD 60
Art.-Nr.: 918409
oder gleichwertig.

Zertifikate

 

Technische Daten

Ableiterklasse M
Höchste Dauerspannung DC (UC ) 65 V
Nennstrom bei 80 °C (IL ) 4 A
Nennstrom bei 45 °C (IL ) 7 A
Vorsicherung bei UN ≥ 45 V und IL ≥ 1 A
D1 Blitzstoßstrom (10/350 µs) pro Ader (Iimp ) 2,5 kA
D1 Blitzstoßstrom (10/350 µs) gesamt (Iimp ) 5 kA
C2 Nennableitstoßstrom (8/20 µs) gesamt (In ) 20 kA
Serienimpedanz pro Ader 22 µH
Zulassungen UL

Artikel 918409 wurde zum Merkzettel hinzugefügt.

Zum Merkzettel

Artikel 918409 wurde zum Warenkorb hinzugefügt.

Zum Warenkorb

BVT TC

Energetisch koordinierter leckstromfreier Überspannungs-Ableiter für a/b-Ader, ISDN Uk0 oder ADSL mit RJ45-Anschlüssen und zusätzlichen Schraubklemmenanschlüssen. Das Pinning der RJ45-Buchsen ist RJ11/12-kompatibel. Die parallelen Schraubklemmen sind robuster als die RJ45-Buchsen und erhöhen den Nennableitstoßstrom gesamt auf 10 kA.

1 Produkt

Art.-Nr. 918411 BVT TC 1

GTIN 4013364093133, Zolltarifnr. (EU): 85363010, Bruttogewicht: 110.90 g, VPE: 1.00 Stk.


Abbildungen

Weitere Information

Koordinierter leckstromfreier Überspannungs-Ableiter BVT TC 1
Überspannungs-Ableiter
der Ableiterklasse Type 2 / P2
BLITZDUCTOR VT, geprüft nach
EN 61643-21 und energetisch
koordiniert nach IEC 61643-22
zum Schutz von analogen Modems
in Schaltschränken, auch für ADSL,
ISDN Uko, 2-polig, Baubreite 1,5 TE,
Anschluss über RJ45(12)-Buchsen
oder Schraubklemmen.
Höchste Dauerspannung DC: 170 V
Nennstrom: 0,2 A
C2 Nennableitstoßstrom (8/20 µs) gesamt: 5 kA

Fabrikat: DEHN
Typ: BVT TC 1
Art.-Nr.: 918411
oder gleichwertig.

Zertifikate

 

Technische Daten

Ableiterklasse R
Höchste Dauerspannung DC (UC ) 170 V
Nennstrom (IL ) 0,2 A
D1 Blitzstoßstrom (10/350 µs) pro Ader (Iimp ) 1 kA
C2 Nennableitstoßstrom (8/20 µs) gesamt (In ) 5 kA
Serienimpedanz pro Ader 4,7 Ohm
Grenzfrequenz Ad-Ad (fG ) 17 MHz

Artikel 918411 wurde zum Merkzettel hinzugefügt.

Zum Merkzettel

Artikel 918411 wurde zum Warenkorb hinzugefügt.

Zum Warenkorb

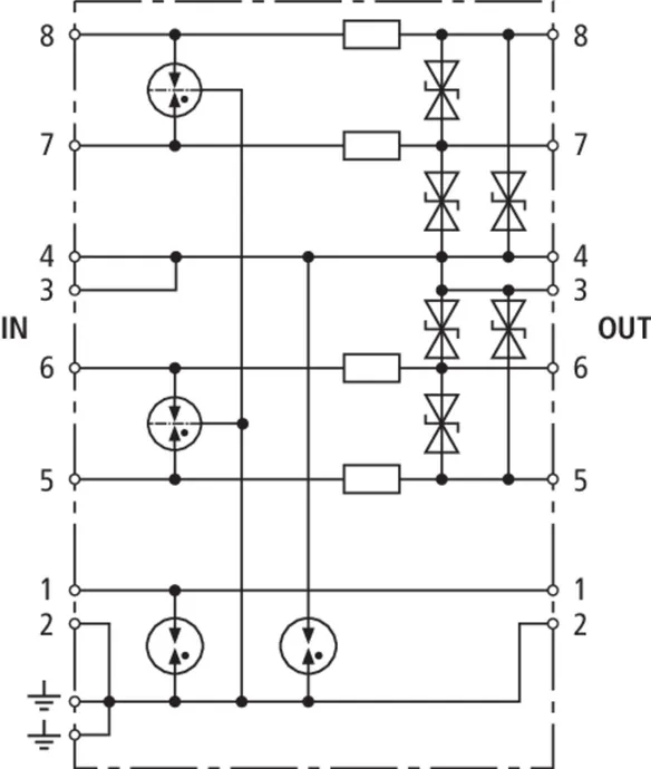
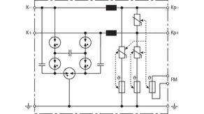
BVT KKS ALD

Energetisch koordinierter Kombi-Ableiter zum Schutz des Gleichrichters im Schutzstromkreis (Farbe rot). Steckbarer Fernmeldekontakt (Öffner) für Überlast-Anzeige (Thermoüberwachung der Varistoren). Einbau im Stahlblechgehäuse empfohlen. Durch kapazitive Steuerung wird eine niedrige Impuls-Ansprechspannung erreicht.

1 Produkt

Art.-Nr. 918420 BVT KKS ALD 75

GTIN 4013364094895, Zolltarifnr. (EU): 85363010, Bruttogewicht: 229.00 g, VPE: 1.00 Stk.

Vorgänger

Abbildungen

Weitere Information

Koordinierter Kombi-Ableiter für Schutzstromkreise BVT KKS ALD 75
Kombi-Ableiter
der Ableiterklasse Type 1 / P1
BLITZDUCTOR VT KKS,
geprüft nach EN 61643-21 und
energetisch koordiniert nach
IEC 61643-22 zum Schutz des
Fremdanoden-Stromkreises
Kathodischer Korrosionsschutz-
Anlagen, mit Fernmeldekontakt,
Anschluss über Schraubklemmen,
2-polig, Baubreite 3 TE
Höchste Dauerspannung DC: 75 V
Nennstrom: 12 A
C2 Nennableitstoßstrom (8/20 µs) gesamt: 40 kA

Fabrikat: DEHN
Typ: BVT KKS ALD 75
Art.-Nr.: 918420
oder gleichwertig.

Zertifikate

 

Technische Daten

Ableiterklasse M
Höchste Dauerspannung DC (UC ) 75 V
Nennstrom (IL ) 12 A
D1 Blitzstoßstrom (10/350 µs) pro Ader (Iimp ) 3,5 kA
D1 Blitzstoßstrom (10/350 µs) gesamt (Iimp ) 7 kA
C2 Nennableitstoßstrom (8/20 µs) gesamt (In ) 40 kA
Serienimpedanz pro Ader 5 µH
Grenzfrequenz Ad-Ad (fG ) 1 MHz
FM-Kontakte / Kontaktform Öffner

Artikel 918420 wurde zum Merkzettel hinzugefügt.

Zum Merkzettel

Artikel 918420 wurde zum Warenkorb hinzugefügt.

Zum Warenkorb

BVT KKS APD

Energetisch koordinierter Kombi-Ableiter zum Schutz des Spannungsmesskreises (Farbe gelb). Steckbarer Fernmeldekontakt (Öffner) für Überlast-Anzeige (Thermoüberwachung der Ableiterpfade). Einbau im Stahlblechgehäuse empfohlen. Durch kapazitive Steuerung wird eine niedrige Impuls-Ansprechspannung erreicht.

1 Produkt

Art.-Nr. 918421 BVT KKS APD 36

GTIN 4013364094901, Zolltarifnr. (EU): 85363010, Bruttogewicht: 130.30 g, VPE: 1.00 Stk.

Vorgänger

Abbildungen

Weitere Information

Koordinierter Kombi-Ableiter für Spannungsmesskreise BVT KKS APD 36
Kombi-Ableiter
der Ableiterklasse Type 1 / P1
BLITZDUCTOR VT KKS,
geprüft nach EN 61643-21 und
energetisch koordiniert nach
IEC 61643-22 zum Schutz des
Sensormesskreises kathodischer
Korrosionsschutz-Anlagen,
mit Fernmeldekontakt,
Anschluss über Schraubklemmen,
2-polig, Baubreite 1,5 TE
Höchste Dauerspannung DC: 36,8 V
Nennstrom: 0,05 A
C2 Nennableitstoßstrom (8/20 µs) gesamt: 40 kA

Fabrikat: DEHN
Typ: BVT KKS APD 36
Art.-Nr.: 918421
oder gleichwertig.

Zertifikate

 

Technische Daten

Ableiterklasse M
Höchste Dauerspannung DC (UC ) 36,8 V
Nennstrom (IL ) 0,05 A
D1 Blitzstoßstrom (10/350 µs) pro Ader (Iimp ) 3,5 kA
D1 Blitzstoßstrom (10/350 µs) gesamt (Iimp ) 7 kA
C2 Nennableitstoßstrom (8/20 µs) gesamt (In ) 40 kA
Serienimpedanz pro Ader 55 Ohm
FM-Kontakte / Kontaktform Öffner

Artikel 918421 wurde zum Merkzettel hinzugefügt.

Zum Merkzettel

Artikel 918421 wurde zum Warenkorb hinzugefügt.

Zum Warenkorb

nach oben