Ihre Services im Dashboard..
Registriert nutzen Sie das komplette Angebot.

DEHNvap EMOB

  • Universell einsetzbarer Kombi-Ableiter, speziell für den Einsatz in Stromversorgungssystemen für Ladeinfrastruktur
  • Basierend auf RAC-Funkenstreckentechnologie mit nur 1 TE / Pol ermöglicht kompakte und platzsparende Montage
  • Energetisch koordinierte Schutzwirkung zum Endgerät Typ 1 + Typ 2 + Typ 3
  • Restenergie bei S20K275 Endgerätevaristor < 0,5 J
  • Maximale Vorsicherung bis 250 A gG
  • Isolationsmessung im angeschlossenen Zustand bis 1000 V DC möglich

DVA EMOB 3P 255 FM

1 Produkt

Art.-Nr. 900385 DVA EMOB 3P 255 FM

GTIN 4013364422186, Zolltarifnr. (EU): 85363090, Bruttogewicht: 500.00 g, VPE: 1.00 Stk.


Abbildungen

Weitere Information

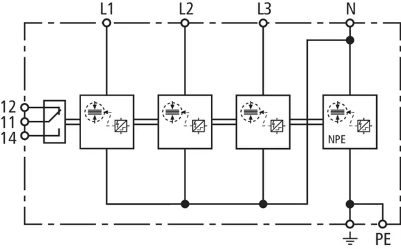
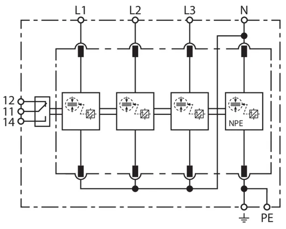
Kombi-Ableiter DEHNvap EMOB
4-poliger Kombi-Ableiter für 230/400 V- TT- und TN (C) -S-Systeme,
Breite 4 TE, mit Fernmeldekontakt
Ableiter Typ 1 + Typ 2 nach EN 61643-11
Speziell für den Einsatz in
Stromversorgungssystemen für Ladeinfrastruktur
RAC-Funkenstrecken-Technologie
Defektanzeige
Höchste Dauerspannung: 255 V AC
Schutzpegel: <= 1,5 kV
Blitzstoßstrom (10/350): 50 kA
Max. Vorsicherung: 250 A
Restenergie bei S20K275 Endgerätevaristor: < 0,5 J
Isolationsmessung im angeschlossenen
Zustand möglich bis 1000 V DC
KEMA und UL – Zertifiziert
Energetische Koordination nach DIN EN 62305-4
Ableiter der Red/Line-Familie, sowie direkt zum Endgerät

Fabrikat: DEHN
Typ: DVA EMOB 3P 255 FM
Art.-Nr.: 900385
oder gleichwertig.

Zertifikate

 

Rapid Arc Control

Durch die RAC-Funkenstreckentechnologie reagieren Kombi-Ableiter umgehend und schützen, aufgrund deutlich reduzierter Restenergie, zuverlässig empfindliche Endgeräte. Vorteile sind ein niedriger Schutzpegel Up und minimalste Restenergie. Überspannungen werden nach der extrem schnellen Zündung der Funkenstrecke für die Dauer des beim Ableiten auftretenden Stoßstroms sicher auf Werte unterhalb des Schutzegels Up = 1,5 kV begrenzt. Diese geringe Belastung durch die Restspannung ist sowohl bei kurzen Stoßstromimpulsen als auch bei vergleichsweise länger andauernden Blitzstrombelastungen sichergestellt – Endgeräte und Systeme werden maximal geschont. Die schnelle und zuverlässige Unterbrechung des Netzfolgestroms stellt selbst bei kleinsten Sicherungen im Hausanschlusskasten zudem sicher, dass diese nicht auslöst. Überspannungen werden somit sicher abgeleitet ohne ein Fehlauslösen an Überstromschutzorganen zu provozieren und die Versorgungssicherheit zu gefährden.

Technische Daten

SPD nach EN 61643-11 / ... IEC 61643-11 Typ 1 + Typ 2 / Class I + Class II
Höchste Dauerspannung AC [L-N]/[N-PE] (UC ) 255 V (50 / 60 Hz)
Blitzstoßstrom (10/350) [L-N]/[N-PE] (Iimp ) 12,5 / 50 kA
Spezifische Energie [L-N]/[N-PE] (W/R) 39,06 kJ/Ohm / 625,00 kJ/Ohm
Nennableitstoßstrom (8/20) (In ) 25 / 100 kA
Schutzpegel [L-N]/[N-PE] (UP ) ≤ 1,5 kV / ≤ 1,5 kV
Zulassungen KEMA, UL

Artikel 900385 wurde zum Merkzettel hinzugefügt.

Zum Merkzettel

Artikel 900385 wurde zum Warenkorb hinzugefügt.

Zum Warenkorb

DVA EMOB M 3P 255 FM

1 Produkt

Art.-Nr. 900585 DVA EMOB M 3P 255 FM

GTIN 4013364498983, Zolltarifnr. (EU): 85354000, Bruttogewicht: 592.47 g, VPE: 1.00 Stk.


Abbildungen

Weitere Information

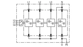
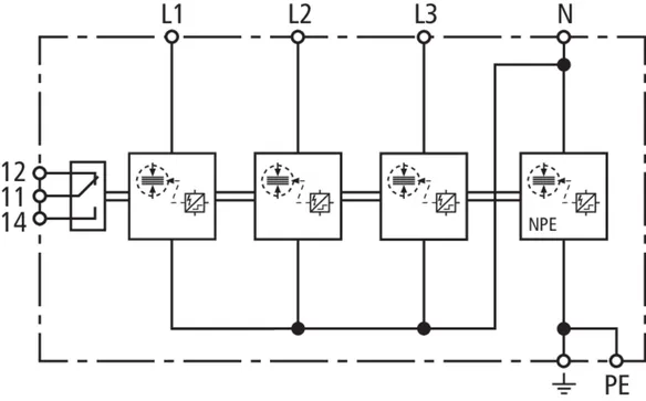
Kombi-Ableiter DEHNvap EMOB
4-poliger Kombi-Ableiter für 230/400 V- TT- und TN (C) -S-Systeme,
Breite 4 TE, mit Fernmeldekontakt
Modularer Ableiter Typ 1 + Typ 2 nach EN 61643-11
Speziell für den Einsatz in
Stromversorgungssystemen für Ladeinfrastruktur
RAC-Funkenstrecken-Technologie
Defektanzeige
Höchste Dauerspannung: 255 V AC
Schutzpegel: <= 1,5 kV
Blitzstoßstrom (10/350): 12,5 kA
Max. Vorsicherung: 250 A
KEMA und UL – Zertifiziert
Energetische Koordination nach DIN EN 62305-4
Ableiter der Red/Line-Familie, sowie direkt zum Endgerät

Fabrikat: DEHN
Typ: DVA EMOB M 3P 255 FM
Art.-Nr.: 900585
oder gleichwertig.

Zertifikate

 

Rapid Arc Control

Durch die RAC-Funkenstreckentechnologie reagieren Kombi-Ableiter umgehend und schützen, aufgrund deutlich reduzierter Restenergie, zuverlässig empfindliche Endgeräte. Vorteile sind ein niedriger Schutzpegel Up und minimalste Restenergie. Überspannungen werden nach der extrem schnellen Zündung der Funkenstrecke für die Dauer des beim Ableiten auftretenden Stoßstroms sicher auf Werte unterhalb des Schutzegels Up = 1,5 kV begrenzt. Diese geringe Belastung durch die Restspannung ist sowohl bei kurzen Stoßstromimpulsen als auch bei vergleichsweise länger andauernden Blitzstrombelastungen sichergestellt – Endgeräte und Systeme werden maximal geschont. Die schnelle und zuverlässige Unterbrechung des Netzfolgestroms stellt selbst bei kleinsten Sicherungen im Hausanschlusskasten zudem sicher, dass diese nicht auslöst. Überspannungen werden somit sicher abgeleitet ohne ein Fehlauslösen an Überstromschutzorganen zu provozieren und die Versorgungssicherheit zu gefährden.

Technische Daten

SPD nach EN 61643-11 / ... IEC 61643-11 Typ 1 + Typ 2 / Class I + Class II
Höchste Dauerspannung AC [L-N]/[N-PE] (UC ) 255 V (50 / 60 Hz)
Blitzstoßstrom (10/350) [L-N]/[N-PE] (Iimp ) 12,5 / 50 kA
Spezifische Energie [L-N]/[N-PE] (W/R) 39,06 kJ/Ohm / 625,00 kJ/Ohm
Nennableitstoßstrom (8/20) (In ) 25 / 100 kA
Schutzpegel [L-N]/[N-PE] (UP ) ≤ 1,5 kV / ≤ 1,5 kV
Zulassungen KEMA, UL

Artikel 900585 wurde zum Merkzettel hinzugefügt.

Zum Merkzettel

Artikel 900585 wurde zum Warenkorb hinzugefügt.

Zum Warenkorb

nach oben