Ihre Services im Dashboard..
Registriert nutzen Sie das komplette Angebot.

DEHNsolid

  • Koordinierter Blitzstrom-Ableiter auf Funkenstreckenbasis
  • Sehr hohes Blitzstrom-Ableitvermögen bis 200 kA (10/350 µs)
  • Tiefer Schutzpegel UP ≤ 2,5 kV
  • Sehr robuste Bauform für Sammelschienenmontage oder Montage auf eine Montageplatte

DEHNsolid 1 255

Koordinierter, einpoliger Blitzstrom-Ableiter zum Einsatz in 230 / 400 V Systemen für die Sammelschiene oder Montageplatte.

1 Produkt

Art.-Nr. 900230 DSO 1 255

GTIN 4013364153783, Zolltarifnr. (EU): 85363090, Bruttogewicht: 1.67 kg, VPE: 1.00 Stk.


Abbildungen

Weitere Information

Koordinierter Blitzstrom-Ableiter DEHNsolid 1 255
1-poliger, koordinierter Blitzstrom-Ableiter für höchste
Anforderungen an das Blitzstrom-Ableitvermögen
Ableiter Typ 1 Klassifikation gemäß EN 61643-11
nicht ausblasende und robuste Bauform für
Sammelschienenmontage oder Montage auf
einer Montageplatte
Höchste Dauerspannung: 255 V ac
Schutzpegel: <= 2,5 kV
Blitzstoßstrom (10/350): 200 kA
Folgestromlöschfähigkeit: 3 kAeff
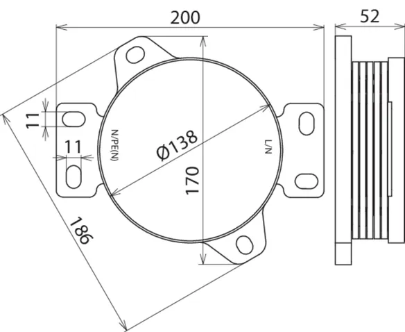
Abmessung: 200 x 186 x 52 mm

Fabrikat: DEHN
Typ: DSO 1 255
Art.-Nr.: 900230
oder gleichwertig.

Zertifikate

 

Wellenbrecher-Funktion

Während des Ableitvorgangs fließt bei funkenstreckenbasierten Typ 1-Ableitern der gesamte Strom über den Typ-1 Ableiter. Wie bei einem Wellenbrecher wird die ankommende Energie stark heruntergebrochen, was die nachgeschalteten SPDs deutlich entlastet. Alle Typ 1-Ableiter der Red/Line-Produktfamilie weisen die Wellenbrecherfunktion WBF auf.

Technische Daten

Klassifikation nach EN 61643-11 / IEC 61643-11 Typ 1 / Class I
Höchste Dauerspannung AC (UC ) 255 V (50 / 60 Hz)
Blitzstoßstrom (10/350 µs) (Iimp ) 200 kA
Schutzpegel (UP ) ≤ 2,5 kV
Max. netzseitiger Überstromschutz 160 A gG

Artikel 900230 wurde zum Merkzettel hinzugefügt.

Zum Merkzettel

Artikel 900230 wurde zum Warenkorb hinzugefügt.

Zum Warenkorb

nach oben