Ihre Services im Dashboard..
Registriert nutzen Sie das komplette Angebot.

DEHNguard S ... VA

  • Universell einsetzbarer Überspannungs-Ableiter, bestehend aus Basiselement und gestecktem Schutzmodul
  • Leckstromfreie Varistor-Funkenstrecken-Reihenschaltung im steckbaren Schutzmodul
  • Hohe Gerätesicherheit durch Ableiterüberwachung ”Thermo-Dynamik-Control”
  • Energetisch koordiniert innerhalb der Red/Line-Produktfamilie
  • Einfacher, werkzeugloser Schutzmodulwechsel durch Modulverriegelungssystem mit Modulentriegelungstaste
  • Schmale Bauform (Modulbauweise) nach DIN 43880
  • Multifunktionsanschluss für Leiter und Kammschienen
  • Vibrations- und schockgeprüft nach EN 60068-2

DEHNguard S VA

Modularer, einpoliger Überspannungs-Ableiter mit Varistor-Funkenstrecken-Reihenschaltung im steckbaren Schutzmodul.

3 Produkte

Art.-Nr. 952080 DG S 75 VA

GTIN 4013364127296, Zolltarifnr. (EU): 85363030, Bruttogewicht: 118.00 g, VPE: 1.00 Stk.

Vorgänger

Abbildungen

Weitere Information

Überspannungs-Ableiter DEHNguard S 75 VA
1-poliger, modularer, steckbarer Überspannungs-Ableiter
Breite 1TE, Defektanzeige
Ableiter Typ 2 nach EN 61643-11
Leckstromfreie Varistor-Funkenstrecken-Reihenschaltung
Höchste Dauerspannung: 75 V ac/100 V dc
Schutzpegel: <= 1,1 kV
Nennableitstoßstrom: 10 kA
Kurzschlußfestigkeit: 25 kAeff
Energetische Koordination nach DIN EN 62305-4
Ableiter der Red/Line-Familie

Fabrikat: DEHN
Typ: DG S 75 VA
Art.-Nr.: 952080
oder gleichwertig.

Zertifikate

 

Technische Daten

SPD nach EN 61643-11 / ... IEC 61643-11 Typ 2 / Class II
Höchste Dauerspannung AC (UC ) 75 V (50 / 60 Hz)
Nennableitstoßstrom (8/20 µs) (In ) 10 kA
Max. Ableitstoßstrom (8/20 µs) (Imax ) 20 kA
Schutzpegel (UP ) ≤ 1,1 kV
Max. netzseitiger Überstromschutz 100 A gG

Artikel 952080 wurde zum Merkzettel hinzugefügt.

Zum Merkzettel

Artikel 952080 wurde zum Warenkorb hinzugefügt.

Zum Warenkorb

Art.-Nr. 952082 DG S 275 VA

GTIN 4013364127319, Zolltarifnr. (EU): 85363030, Bruttogewicht: 123.40 g, VPE: 1.00 Stk.

Vorgänger

Abbildungen

Weitere Information

Überspannungs-Ableiter DEHNguard S 275 VA
1-poliger, modularer, steckbarer Überspannungs-Ableiter
Breite 1TE, Defektanzeige
Ableiter Typ 2 nach EN 61643-11
Leckstromfreie Varistor-Funkenstrecken-Reihenschaltung
Höchste Dauerspannung: 275 V ac/350 V dc
Schutzpegel: <= 1,5 kV
Nennableitstoßstrom: 10 kA
Kurzschlußfestigkeit: 25 kAeff
Energetische Koordination nach DIN EN 62305-4
Ableiter der Red/Line-Familie

Fabrikat: DEHN
Typ: DG S 275 VA
Art.-Nr.: 952082
oder gleichwertig.

Zertifikate

 

Technische Daten

SPD nach EN 61643-11 / ... IEC 61643-11 Typ 2 / Class II
Höchste Dauerspannung AC (UC ) 275 V (50 / 60 Hz)
Nennableitstoßstrom (8/20 µs) (In ) 10 kA
Max. Ableitstoßstrom (8/20 µs) (Imax ) 20 kA
Schutzpegel (UP ) ≤ 1,5 kV
Max. netzseitiger Überstromschutz 100 A gG

Artikel 952082 wurde zum Merkzettel hinzugefügt.

Zum Merkzettel

Artikel 952082 wurde zum Warenkorb hinzugefügt.

Zum Warenkorb

Art.-Nr. 952084 DG S 385 VA

GTIN 4013364127333, Zolltarifnr. (EU): 85363030, Bruttogewicht: 127.70 g, VPE: 1.00 Stk.


Abbildungen

Weitere Information

Überspannungs-Ableiter DEHNguard S 385 VA
1-poliger, modularer, steckbarer Überspannungs-Ableiter
Breite 1TE, Defektanzeige
Ableiter Typ 2 nach EN 61643-11
Leckstromfreie Varistor-Funkenstrecken-Reihenschaltung
Höchste Dauerspannung: 385 V ac/500 V dc
Schutzpegel: <= 1,75 kV
Nennableitstoßstrom: 10 kA
Kurzschlußfestigkeit: 25 kAeff
Energetische Koordination nach DIN EN 62305-4
Ableiter der Red/Line-Familie

Fabrikat: DEHN
Typ: DG S 385 VA
Art.-Nr.: 952084
oder gleichwertig.

Zertifikate

 

Technische Daten

SPD nach EN 61643-11 / ... IEC 61643-11 Typ 2 / Class II
Höchste Dauerspannung AC (UC ) 385 V (50 / 60 Hz)
Nennableitstoßstrom (8/20 µs) (In ) 10 kA
Max. Ableitstoßstrom (8/20 µs) (Imax ) 20 kA
Schutzpegel (UP ) ≤ 1,75 kV
Max. netzseitiger Überstromschutz 100 A gG

Artikel 952084 wurde zum Merkzettel hinzugefügt.

Zum Merkzettel

Artikel 952084 wurde zum Warenkorb hinzugefügt.

Zum Warenkorb

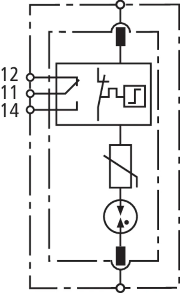
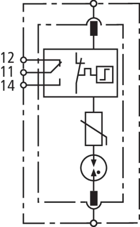
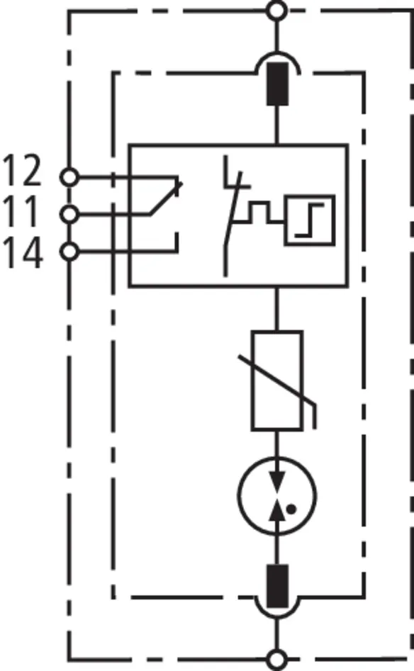
DEHNguard S VA FM

Modularer, einpoliger Überspannungs-Ableiter mit Varistor-Funkenstrecken-Reihenschaltung im steckbaren Schutzmodul; mit potentialfreiem Fernmeldekontakt.

3 Produkte

Art.-Nr. 952085 DG S 75 VA FM

GTIN 4013364127302, Zolltarifnr. (EU): 85363030, Bruttogewicht: 122.10 g, VPE: 1.00 Stk.

Vorgänger

Abbildungen

Weitere Information

Überspannungs-Ableiter DEHNguard S 75 FM
1-poliger, modularer, steckbarer Überspannungs-Ableiter
Breite 1TE, Defektanzeige
mit Fernmeldekontakt
Ableiter Typ 2 nach EN 61643-11
Leckstromfreie Varistor-Funkenstrecken-Reihenschaltung
Höchste Dauerspannung: 75 V ac/100 V dc
Schutzpegel: <= 1,1 kV
Nennableitstoßstrom: 10 kA
Kurzschlußfestigkeit: 25 kAeff
Energetische Koordination nach DIN EN 62305-4
Ableiter der Red/Line-Familie

Fabrikat: DEHN
Typ: DG S 75 VA FM
Art.-Nr.: 952085
oder gleichwertig.

Zertifikate

 

Technische Daten

SPD nach EN 61643-11 / ... IEC 61643-11 Typ 2 / Class II
Höchste Dauerspannung AC (UC ) 75 V (50 / 60 Hz)
Nennableitstoßstrom (8/20 µs) (In ) 10 kA
Max. Ableitstoßstrom (8/20 µs) (Imax ) 20 kA
Schutzpegel (UP ) ≤ 1,1 kV
Max. netzseitiger Überstromschutz 100 A gG

Artikel 952085 wurde zum Merkzettel hinzugefügt.

Zum Merkzettel

Artikel 952085 wurde zum Warenkorb hinzugefügt.

Zum Warenkorb

Art.-Nr. 952087 DG S 275 VA FM

GTIN 4013364127326, Zolltarifnr. (EU): 85363030, Bruttogewicht: 126.70 g, VPE: 1.00 Stk.

Vorgänger

Abbildungen

Weitere Information

Überspannungs-Ableiter DEHNguard S275 VA FM
1-poliger, modularer, steckbarer Überspannungs-Ableiter
Breite 1TE, Defektanzeige
mit Fernmeldekontakt
Ableiter Typ 2 nach EN 61643-11
Leckstromfreie Varistor-Funkenstrecken-Reihenschaltung
Höchste Dauerspannung: 275 V ac/350 V dc
Schutzpegel <= 1,5 kV
Nennableitstoßstrom: 10 kA
Kurzschlußfestigkeit: 25 kAeff
Energetische Koordination nach DIN EN 62305-4
Ableiter der Red/Line-Familie

Fabrikat: DEHN
Typ: DG S 275 VA FM
Art.-Nr.: 952087
oder gleichwertig.

Zertifikate

 

Technische Daten

SPD nach EN 61643-11 / ... IEC 61643-11 Typ 2 / Class II
Höchste Dauerspannung AC (UC ) 275 V (50 / 60 Hz)
Nennableitstoßstrom (8/20 µs) (In ) 10 kA
Max. Ableitstoßstrom (8/20 µs) (Imax ) 20 kA
Schutzpegel (UP ) ≤ 1,5 kV
Max. netzseitiger Überstromschutz 100 A gG

Artikel 952087 wurde zum Merkzettel hinzugefügt.

Zum Merkzettel

Artikel 952087 wurde zum Warenkorb hinzugefügt.

Zum Warenkorb

Art.-Nr. 952089 DG S 385 VA FM

GTIN 4013364127340, Zolltarifnr. (EU): 85363030, Bruttogewicht: 131.70 g, VPE: 1.00 Stk.


Abbildungen

Weitere Information

Überspannungs-Ableiter DEHNguard S 385 VA FM
1-poliger, modularer, steckbarer Überspannungs-Ableiter
Breite 1TE, Defektanzeige
mit Fernmeldekontakt
Ableiter Typ 2 nach EN 61643-11
Leckstromfreie Varistor-Funkenstrecken-Reihenschaltung
Höchste Dauerspannung: 385 V ac/500 V dc
Schutzpegel: <= 1,75 kV
Nennableitstoßstrom: 10 kA
Kurzschlußfestigkeit: 25 kAeff
Energetische Koordination nach DIN EN 62305-4
Ableiter der Red/Line-Familie

Fabrikat: DEHN
Typ: DG S 385 VA FM
Art.-Nr.: 952089
oder gleichwertig.

Zertifikate

 

Technische Daten

SPD nach EN 61643-11 / ... IEC 61643-11 Typ 2 / Class II
Höchste Dauerspannung AC (UC ) 385 V (50 / 60 Hz)
Nennableitstoßstrom (8/20 µs) (In ) 10 kA
Max. Ableitstoßstrom (8/20 µs) (Imax ) 20 kA
Schutzpegel (UP ) ≤ 1,75 kV
Max. netzseitiger Überstromschutz 100 A gG

Artikel 952089 wurde zum Merkzettel hinzugefügt.

Zum Merkzettel

Artikel 952089 wurde zum Warenkorb hinzugefügt.

Zum Warenkorb

nach oben